O RF9209 é um transceptor sem fio FSK que opera na banda ISM de 2,4 GHz. Comparado a outros módulos/chips de 2,4 GHz, o baixo consumo, a alta sensibilidade, a alta potência de saída e a comunicação de longa distância são os seus principais atrativos. Este módulo adota um chip sem fio projetado por uma das principais empresas de RF da Europa. Todos os recursos de baixo custo, tamanho compacto e estabilidade, potência de saída de 10 dBm, modo de recepção de 7 mA e sensibilidade de -115 dBm são muito superiores aos dos módulos sem fio 2,4 G existentes no mercado. Pode ser amplamente utilizado em diversas áreas. Cumpriu e passou na certificação ROHS e atende às certificações FCC e ETSI.
| Parâmetro | Mín. | Tipo. | Máx. | Unidade | Condições |
| Condição de trabalho | |||||
| Tensão de trabalho | 1.9 | 3.3 | 3.6 | V | |
| Temperatura de trabalho | -40 | 85 | °C | ||
| Consumo atual | |||||
| Corrente Rx | 7 | mA | |||
| Corrente Tx | 36 | mA | @10dBm | ||
| Corrente de espera | <0,1 | uA | |||
| Parâmetros de RF | |||||
| Faixa de frequência | 2400 | 2483,5 | MHz | ||
| Taxa de dados | 1,5 | 72 | Kbps | FSK | |
| Potência de saída | -20 | 10 | dBm | ||
| Sensibilidade de recepção | -115 | dBm | @dados=1,2 kbps | ||
| Modulação | (G)FSK |
| Lasca | Outros |
| Freqüência | 2,4 GHz |
| Potência de saída | 10mW |
| Interface | SPI |


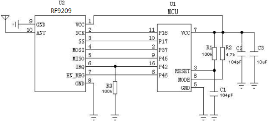
| Pino Nº. | Nome do PIN | E/S | Descrição |
| 1 | VCC | Conectar VCC | |
| 2 | SCK | EU | Entrada de relógio SPI |
| 3 | SS | EU | Pino de entrada de seleção da interface serial. |
| 4 | MOSI | EU | Entrada de dados para interface SPI |
| 5 | MISSÔ | O | Saída de dados para interface SPI |
| 6 | IRQ | O | Saída de interrupção externa |
| 7 | EN_REG | Sinal de habilitação do chip de controle mestre | |
| 8 | Terra | Conecte o GND | |
| 9 | Terra | Antena negativa | |
| 10 | FORMIGA | Conecte uma antena coaxial de 50 ohms | |
| 11 | Terra | Antena negativa |

política de Privacidade
· Política de Privacidade
No momento não há conteúdo disponível
E-mail: sales@nicerf.com
Tel:+86-755-23080616