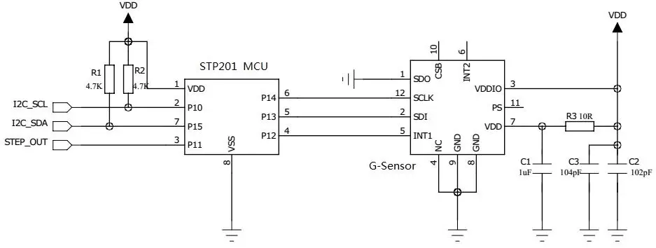
STP200: Chip de pedômetro 3D para aplicação sem pulso com interface IIC
Pacote: CI
Interface: IIC
Aplicativo: Não pulso
| Parâmetros | Doença | Desempenho | Unidade | ||
| Mín. | Tipo. | Máx. | |||
| Tensão de trabalho | 2.3 | 3 | 3.6 | V | |
| Corrente de trabalho | @3V | 80 | uA | ||
| Corrente do sono | < 5 | uA | |||
| Resolução de etapas | 1 | Etapa | |||
| Pedômetro wrror | Trabalho Uniforme | ± 3% | Etapa | ||
| Temperatura de trabalho | -10 | 50 | °C | ||
| Temperatura de armazenamento | -10 | 50 | °C |
| Função especial | Módulo pedômetro |

política de Privacidade
· Política de Privacidade
No momento não há conteúdo disponível
E-mail: sales@nicerf.com
Tel:+86-755-23080616