Type: ASK Modules
Certification: FCC ID,CE-RED
Frequency: 433MHz
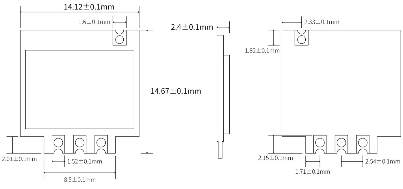
Tamanho (mm):14,12*14,67
| Parâmetro | Mín. | Tipo. | Máx. | Unidade | Doença |
| Condições de operação | |||||
| Faixa de tensão de trabalho | 2.0 | 3.3 | 5.5 | V | |
| Tensão de temperatura | -30 | 80 | °C | ||
| Receber tempo aberto | 3 | EM | @Ligue o VDD para receber dados | ||
| 2.3 | EM | @Alterar de alto para baixo no CS para receber dados | |||
| Consumo atual | |||||
| Corrente de trabalho | <3 | mA | @CS=0 vezes | ||
| <0,1 | uA | @CS=1 vezes | |||
| Parâmetro RF | |||||
| Faixa de frequência | 433,72 | 433,92 | 434.12 | MHz | @433MHz |
| Sensibilidade | -111 | dBm | @1Kbps | ||
| Taxa de dados | 0,1 | 5 | Kbps | ||
| Receber largura de banda | 400 | KHz | |||
| Modulação | PERGUNTAR |
| Freqüência | 433MHz |
| Certificação | CE-RED |

| Pino Nº . | Nome do PIN | Descrição |
1 | VCC | Conecte a fonte de alimentação positiva ( 2-5,5 V ) |
2 | CS | Pino de habilitação do módulo H: dormir L: trabalhar |
3 | DADOS | Pino de saída de dados |
4,5,7,8 | Terra | aterramento de energia |
6 | FORMIGA | Conecte uma antena de 50 ohms |


política de Privacidade
· Política de Privacidade
No momento não há conteúdo disponível
E-mail: sales@nicerf.com
Tel:+86-755-23080616