Contate-nos
| Parâmetro | Mín. | Tipo. | Máx. | Unidade | Doença |
| Condições de operação | |||||
| Faixa de tensão de operação | 2.0 | 3.0 | 3.6 | V | |
| Faixa de temperatura operacional | -20 | 25 | 70 | °C | |
| Consumo atual | |||||
| Corrente TX | 20 | 25 | mA | @433MHz | |
| Corrente do sono | 1 | uA | |||
| Parâmetros de RF | |||||
| Faixa de frequência | 433,82 | 433,92 | 434.02 | MHz | @433MHz |
| 314,9 | 315 | 315.1 | MHz | @315MHz | |
| Potência de saída | 15 | dBm | @3,3V | ||
| Taxa de modulação | 0,1 | 10 | Kbps | ||
| Modulação | PERGUNTAR |
| Freqüência | 315MHz,433MHz |


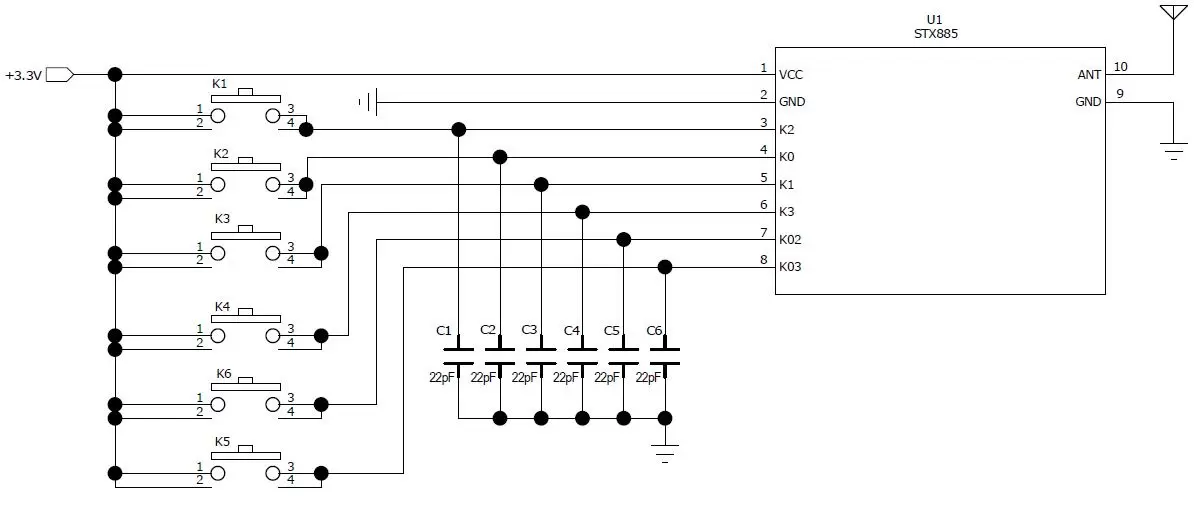
| Número PIN | Definições de pinos | Descrição |
| 1 | VCC | A fonte de alimentação é positiva, faixa de 2,0 V a 3,6 V |
| 2, 9 | Terra | aterramento de energia |
| 3 | K2 | Entrada de chave, resistor pull-down integrado, TX de alto nível |
| 4 | K0 | Entrada de chave, resistor pull-down integrado, TX de alto nível |
| 5 | K1 | Entrada de chave, resistor pull-down integrado, TX de alto nível |
| 6 | K3 | Entrada de chave, resistor pull-down integrado, TX de alto nível |
| 7 | K02 | Entrada de chave, resistor pull-down integrado, TX de alto nível |
| 8 | K03 | Entrada de chave, resistor pull-down integrado, TX de alto nível |
| 10 | FORMIGA | Conecte uma antena de 50 ohms |


política de Privacidade
· Política de Privacidade
No momento não há conteúdo disponível
E-mail: sales@nicerf.com
Tel:+86-755-23080616