Contate-nos
| Parâmetros | Mín. | Tipo. | Máx. | Unidade | Doença |
| Condição de trabalho | |||||
| Faixa de tensão | 2.8 | 5.0 | 6,5 | V | |
| Temperatura de operação | -40 | 25 | +85 | °C | |
| Consumo atual | |||||
| Corrente Rx | 20 | mA | |||
| Corrente Tx | 19 | mA | |||
| Corrente do sono | 11 | uA | |||
| Parâmetros de RF | |||||
| Faixa de frequência | 2.4 | - | 2.484 | GHz | |
| Taxa de transmissão serial | 1200 | 9600 | 115200 | bps | |
| Poder Tx | -18 | - | +3 | dBm | Configurável |
| Função especial | Baliza |


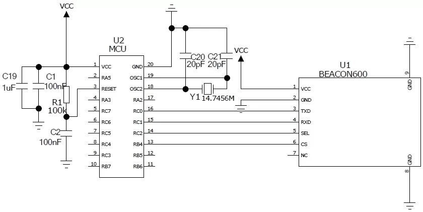
| Pino Nº. | Nome do PIN | Descrição |
| 1 | VCC | Conectado à fonte de alimentação positiva (típico 5 V) |
| 2 | Terra | Conectado ao solo |
| 3 | TXD | TXD do módulo e conectar ao RXD externo |
| 4 | RXD | RXD do módulo e conectar ao TXD externo |
| 5 | DEFINIR | Habilitar modo de configuração (baixo para entrar no modo de configuração, deixe aberto ou conecte nível alto para sair do modo de configuração). Válido quando o pino CS está alto ou é deixado aberto. |
| 6 | CS | Módulo funcionando Habilitar(Nível baixo para hibernação, a corrente será menor que 40uA, nível alto padrão). |
| 7 | NC | |
| 8 | Terra | Conectado ao solo |
| 9 | Terra | Conectado ao solo |

política de Privacidade
· Política de Privacidade
No momento não há conteúdo disponível
E-mail: sales@nicerf.com
Tel:+86-755-23080616