Contact us
| Parâmetro | Mínimo | Tipo | Máx. | Unidade | Doença |
| Condição de trabalho | |||||
| Faixa de tensão de trabalho | 1.8 | 3.3 | 3.8 | V | |
| Tensão de temperatura | -40 | 85 | °C | ||
| Consumo atual | |||||
| Recebendo corrente | 14 | mA | |||
| Transmitindo corrente | 85 | mA | @20dBm | ||
| Corrente do sono | < 0,1 | uA | |||
| Parâmetro | |||||
| Faixa de frequência | 425 | 433 | 463 | MHz | @433MHz |
| 470 | 490 | 510 | MHz | @470MHz | |
| Taxa de modulação | 0,1 | 500 | Kbps | FSK | |
| Faixa de potência de saída | -20 | 20 | dBm | ||
| Sensibilidade de recepção | -124 | dBm | @dados=500bps | ||
| Modulação | (G)FSK |
| Lasca | si4438 |
| Freqüência | 433MHz |
| Potência de saída | 100mW |
| Interface | SPI |



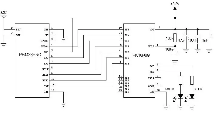
| Pino Nº. | Nome do PIN | Descrição |
| 1 | Terra | aterramento de energia |
| 2 | NC | NC |
| 3 | GPIO0 | GPIO0 de Si4468 |
| 4 | GPIO1 | GPIO1 de Si4468 |
| 5 | VCC | Fonte de alimentação positiva 3,3V |
| 6 | SDO | Saída de dados seriais para interface SPI. |
| 7 | SDI | Dados seriais para interface SPI |
| 8 | SCLK | Relógio de dados serial para interface SPI |
| 9 | nSEL | Seleção de dados seriais para interfaces SPI. |
| 10 | nIRQ | Saída de interrupção |
| 11 | SDN | Controle de desligamento. SDN = 1, desligamento SDN = 0, funcionamento normal |
| 12 | Terra | aterramento de energia |
| 13 | Terra | aterramento de energia |
| 14 | FORMIGA | Conecte com antena coaxial de 50 ohms |


política de Privacidade
· Política de Privacidade
No momento não há conteúdo disponível
E-mail: sales@nicerf.com
Tel:+86-755-23080616