Contact us
| Parâmetros | Mín. | Tipo. | Máx. | Unidade | Doença |
| Condições de operação | |||||
| Potência operacional | 2.2 | 3.3 | 3.8 | V | |
| Temperatura de operação | -40 | 85 | °C | ||
| Consumo atual | |||||
| Corrente RX | 11 | mA | |||
| Corrente TX | 22 | mA | @7dBm | ||
| Corrente do sono | 0,3 | uA | |||
| Parâmetros de RF | |||||
| Freqüência | 403 | 433 | 463 | MHz | @433MHz |
| 838 | 868 | 898 | MHz | @868MHz | |
| Potência de saída | -17,5 | 7 | dBm | ||
| Sensibilidade | -105 | dBm | @dados=1,2 kbps | ||
| Modulação | (G)FSK |
| Freqüência | 433 MHz, 868 MHz, 915 MHz |
| Interface | SPI |



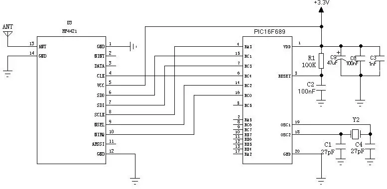
| PIN nº. | Alfinete | Descrição |
| 1 | Terra | Conectado ao aterramento de energia |
| 2 | NINT | Entrada de interrupção/Saída de detecção de dados eficiente |
| 3 | DADOS | Saída de dados do receptor (não no modo FIFO) |
| 4 | CLK | Saída de relógio do microcontrolador |
| 5 | VCC | Conecte à alimentação positiva de 3,3 V |
| 6 | SDO | Saída de dados para interface SPI |
| 7 | SDI | Entrada de dados para interface SPI |
| 8 | SCLK | Entrada de relógio para interface SPI |
| 9 | nSEL | Seleção de dados seriais para interfaces SPI. |
| 10 | nIRQ | Saída de interrupção |
| 11 | ARSSI | Saída RSSI analógica |
| 12 | Terra | Conectado ao aterramento de energia |
| 13 | FORMIGA | Conectado a uma antena coaxial de 50 ohms |
| 14 | Terra | Conectado ao aterramento de energia |

política de Privacidade
· Política de Privacidade
No momento não há conteúdo disponível
E-mail: sales@nicerf.com
Tel:+86-755-23080616