Contate-nos
| Parâmetro | Mín. | Tipo. | Máx. | Unidade | Condições |
| Condições de operação | |||||
| Tensão de alimentação | 1.8 | 3.3 | 3.6 | V | |
| Temperatura de operação | -40 | 25 | 85 | °C | |
| Consumo atual | |||||
| Corrente RX | 18,5 | mA | |||
| Corrente TX | 35 | mA | @13dBm | ||
| Corrente do Sono | <1 | uA | |||
| Parâmetros de RF | |||||
| Freqüência | 403 | 433 | 463 | MHz | @433MHz |
| 838 | 868 | 898 | MHz | @868MHz | |
| 900 | 915 | 940 | MHz | @915MHz | |
| Taxa de dados aéreos | 0,123 | 256 | Kbps | FSK | |
| Potência de saída | -8 | 13 | dBm | ||
| Sensibilidade | -118 | dBm | @dados=1,2 Kbps, Fdev=30 KHz | ||
| Modulação | (G)FSK |
| Lasca | si4431 |
| Freqüência | 315 MHz, 433 MHz, 868 MHz, 915 MHz |
| Potência de saída | 20mW |
| Interface | SPI |



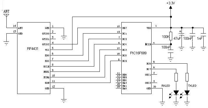
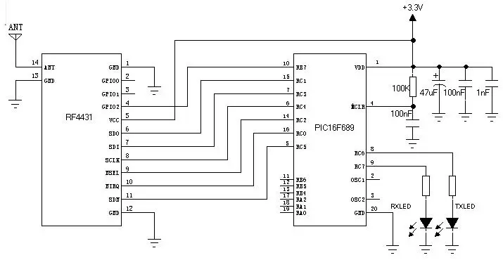
| Pino Nº. | Nome do PIN | Descrição |
| 1 | Terra | Conectado ao aterramento de energia |
| 2 | GPIO0 | GPIO 0 de Si4431 |
| 3 | GPIO1 | GPIO 1 de Si4431 |
| 4 | GPIO2 | GPIO 2 de Si4431 |
| 5 | VCC | Alimentação positiva 1,8--3,6 V |
| 6 | SDO | Saída de dados seriais para interface SPI |
| 7 | SDI | Dados seriais para interface SPI |
| 8 | SCLK | Relógio de dados serial para interface SPI |
| 9 | nSEL | Seleção de dados seriais para interfaces SPI. |
| 10 | nIRQ | Saída de interrupção |
| 11 | SDN | Controle de desligamento. SDN = 1, SDN de desligamento = 0, funcionamento normal. |
| 12 | Terra | Conectado ao aterramento de energia |
| 13 | Terra | Conectado ao aterramento de energia |
| 14 | FORMIGA | De antena coaxial de 50 ohms |

política de Privacidade
· Política de Privacidade
No momento não há conteúdo disponível
E-mail: sales@nicerf.com
Tel:+86-755-23080616