Contate-nos
| Parâmetro | Mínimo | Tipo. | Máx. | Unidade | Doença |
| Condição de trabalho | |||||
| Faixa de tensão de trabalho | 2.1 | 3.3 | 3.6 | V | |
| Faixa de temperatura | -40 | 85 | °C | ||
| Consumo atual | |||||
| Recebendo corrente | 3 | mA | |||
| Transmissão de corrente | 25 | mA | @10dBm | ||
| Corrente do Sono | <1 | uA | |||
| Parâmetro RF | |||||
| Faixa de frequência | 429 | 433 | 440 | MHz | @433MHz |
| Taxa de modulação | 0,78 | 150 | Kbps | FSK | |
| Faixa de potência TX | -8,5 | 12,5 | dBm | ||
| Sensibilidade de recepção | -110 | dBm | @dados=1,2 kbps,Fdev=50 kHz | ||
| Modulação | (G)FSK |
| Lasca | SX1212 |
| Freqüência | 433MHz,315MHz |
| Interface | SPI |



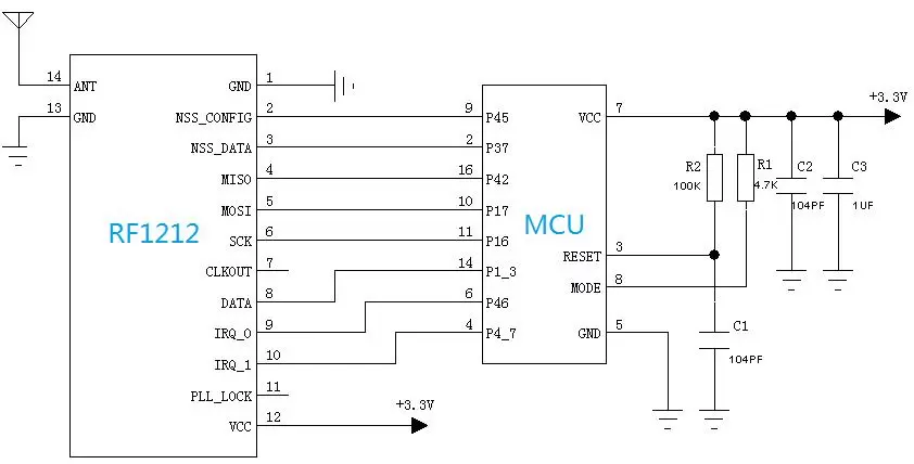
| PIN nº. | Nome do PIN | Descrição |
| 1 | Terra | Chão |
| 2 | NSS_CONFIG | Habilitar configuração SPI |
| 3 | DADOS_NSS | Habilitação de DADOS SPI |
| 4 | MISSÔ | Saída de dados SPI |
| 5 | MOSI | Entrada de dados SPI |
| 6 | SCK | Entrada de relógio SPI |
| 7 | CLKOUT | Saída de relógio |
| 8 | DADOS | Entrada e saída de dados NRZ (modo contínuo) |
| 9 | IRQ_0 | Saída de interrupção |
| 10 | IRQ_1 | Saída de interrupção |
| 11 | PLL_LOCK | Saída de detecção de bloqueio PLL |
| 12 | VCC | Fonte de alimentação positiva |
| 13 | Terra | Aterramento da antena |
| 14 | FORMIGA | Antena |

política de Privacidade
· Política de Privacidade
No momento não há conteúdo disponível
E-mail: sales@nicerf.com
Tel:+86-755-23080616