Contate-nos
|
LoRaStar610 | Parâmetro | Mínimo | Tipo. | Máx. | Unidade | Doença | ||||
| Condição de trabalho | ||||||||||
| Faixa de tensão | 3.3 | 5.0 | 6,5 | V | *2 | |||||
| Temperatura de operação | -40 | 25 | +85 | °C | ||||||
| Consumo atual | ||||||||||
| Corrente Rx | < 15 | mA | Nível TTL | |||||||
| Corrente Tx | < 130 | mA | ||||||||
| Corrente do sono | *1 | < 200 | uA | |||||||
| Parâmetro RF | ||||||||||
| Faixa de frequência (especificações diferentes) | 414,92 | 433,92 | 453,92 | MHz | @433MHz | |||||
| 470,92 | 490,92 | 509,92 | MHz | @470MHz | ||||||
| 849,92 | 868,92 | 888,92 | MHz | @868MHz | ||||||
| 895,92 | 914,92 | 934,92 | MHz | @915MHz | ||||||
| Taxa de dados | 91 | 656 | 17353 | bps | @LoRa | |||||
| Potência de saída | 4 | 20 | +20 | dBm | Software 7 ajustável | |||||
| Sensibilidade | -139 | dBm | @91bps | |||||||
|
LoRaStar611 | Parâmetro | Mínimo | Tipo. | Máx. | Unidade | Doença | ||||
| Condição de trabalho | ||||||||||
| Faixa de tensão | 3.3 | 5.0 | 6,5 | V | ||||||
| Temperatura de operação | -40 | 25 | +85 | °C | ||||||
| Consumo atual | ||||||||||
| Corrente Rx | < 15 | mA | Nível TTL | |||||||
| Corrente Tx | < 130 | mA | ||||||||
| Corrente do sono | *1 | < 200 | uA | |||||||
| Parâmetro RF | ||||||||||
| Faixa de frequência (especificações diferentes) | 414,92 | 433,92 | 453,92 | MHz | @433MHz | |||||
| 470,92 | 490,92 | 509,92 | MHz | @470MHz | ||||||
| 849,92 | 868,92 | 888,92 | MHz | @868MHz | ||||||
| 895,92 | 914,92 | 934,92 | MHz | @915MHz | ||||||
| Taxa de dados | 91 | 656 | 17353 | bps | @LoRa | |||||
| Potência de saída | 4 | 20 | +20 | dBm | Software 7 ajustável | |||||
| Sensibilidade | -139 | dBm | @91bps | |||||||
|
LoRaStar6100 LoRaStar6102 | Parâmetro | Mínimo | Tipo. | Máx. | Unidade | Doença | ||||
| Condição de trabalho | ||||||||||
| Faixa de tensão | 3.3 | 5.0 | 6,5 | V | ||||||
| Temperatura de operação | -40 | 25 | +85 | °C | ||||||
| Consumo atual | ||||||||||
| Corrente Rx | < 16 | mA | @5V, Nível TTL | |||||||
| Corrente Tx | < 600 | mA | @5V, Nível TTL | |||||||
| Corrente do sono | < 250 | uA | @5V, Nível TTL | |||||||
| Parâmetro RF | ||||||||||
| Faixa de frequência (especificações diferentes) | 414,92 | 433,92 | 453,92 | MHz | @433MHz | |||||
| 470,92 | 490,92 | 509,92 | MHz | @470MHz | ||||||
| 849,92 | 868,92 | 888,92 | MHz | @868MHz | ||||||
| 895,92 | 914,92 | 934,92 | MHz | @915MHz | ||||||
| Taxa de dados | 91 | 656 | 17353 | bps | @LoRa | |||||
| Potência de saída | + 24 | > 29,5 | + 31 | dBm | @5V,@433/490MHz | |||||
| + 21 | > 27 | + 28,5 | dBm | @5V,@868/915MHz | ||||||
| Sensibilidade | -139 | dBm | @91 bps | |||||||
|
LoRaStar6200 | Parâmetro | Mínimo | Tipo. | Máx. | Unidade | Doença | |
| Condição de trabalho | |||||||
| Faixa de tensão | 9 | 12 | 30 | V | |||
| Temperatura de operação | -40 | 25 | +85 | °C | |||
| Consumo atual | |||||||
| Corrente Rx | < 18 | mA | Nível TTL | ||||
| Corrente Tx | < 500 | mA | @33dBm,12V | ||||
| Corrente do sono | < 7 | mA | |||||
| Parâmetro RF | |||||||
| Faixa de frequência (especificações diferentes) | 414,92 | 433,92 | 453,92 | MHz | @433MHz | ||
| 470,92 | 490,92 | 509,92 | MHz | @470MHz | |||
| Taxa de dados | 91 | 656 | 17353 | bps | @LoRa | ||
| Potência de saída | 18 | / | +33 | dBm | @12V,@433/490MHz | ||
| Sensibilidade | -139 | dBm | @91bps | ||||
|
LoRaStar6500 | Parâmetro | Mínimo | Tipo. | Máx. | Unidade | Doença | |
| Condição de trabalho | |||||||
| Faixa de tensão | 9 | 12 | 30 | V | *2 | ||
| Temperatura de operação | -40 | 25 | +85 | °C | |||
| Consumo atual | |||||||
| Corrente Rx | < 18 | mA | Nível TTL | ||||
| Corrente Tx | <1,8 | UM | @37dBm,12V | ||||
| Corrente do sono | < 7 | mA | |||||
| Parâmetro RF | |||||||
| Faixa de frequência Especificações diferentes | 414,92 | 433,92 | 453,92 | MHz | @433MHz | ||
| 470,92 | 490,92 | 509,92 | MHz | @470MHz | |||
| Taxa de dados | 91 | 656 | 17353 | bps | @LoRa | ||
| Potência de saída | 28 | / | +37 | dBm | @12V,@433/490MHz | ||
| Sensibilidade | -139 | dBm | @91bps | ||||
| Interface | TTL, RS232, RS485 |
| Rede | ESTRELA |
| Freqüência | 433 MHz, 470 MHz, 868 MHz, 915 MHz |
| Modulação | LoRa |
| Potência de saída | 100mW, 500mW, 1W, 2W, 5W, 30W |



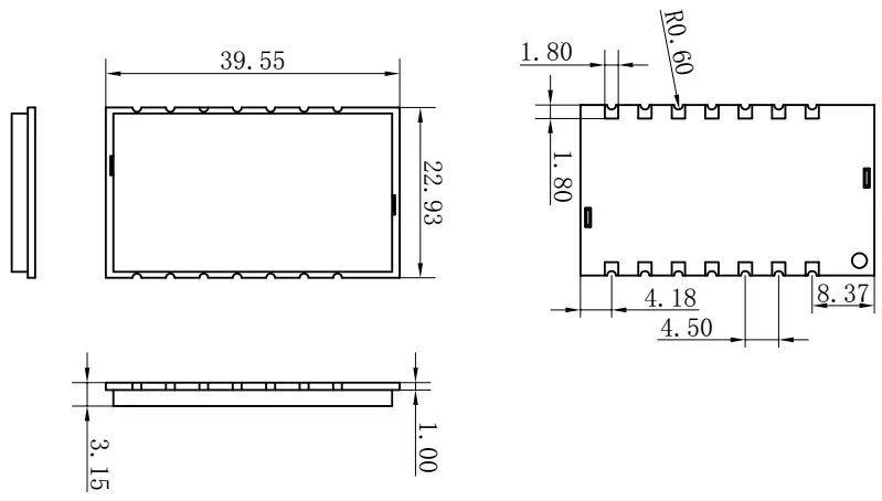
LoRaStar610:

LoRaStar611:

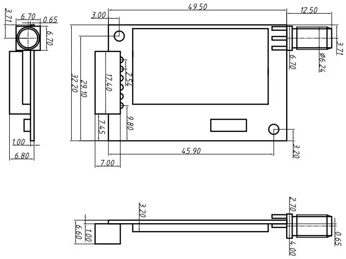
LoRaStar6100:

LoRaStar6102:

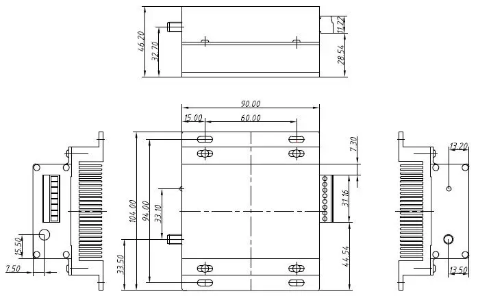
LoRaStar6200:

LoRaStar6500:

política de Privacidade
· Política de Privacidade
No momento não há conteúdo disponível
E-mail: sales@nicerf.com
Tel:+86-755-23080616