Contate-nos
★ Os seguintes parâmetros são obtidos conectando o instrumento a um eixo de cobre de 50 ohms. @VCC=3,3V.
| Parâmetro | Mín. | Tipo. | Máx. | Unidade | Doença |
| Condição de operação | |||||
| Tensão de trabalho | 1.8 | 3.3 | 3.7 | V | |
| Faixa de temperatura | -40 | 85 | °C | ||
| Consumo atual | |||||
| Corrente RX | < 10 | mA | @LoRa1280 LoRa1281 | ||
| Corrente TX | 26 | 30 | mA | @Vcc=3,3V,12,5dBm @LoRa1280/LoRa1281 | |
| Corrente do sono | < 1 | uA | |||
| Parâmetro RF | |||||
| Faixa de frequência | 2400 | 2500 | MHz | ||
|
Taxa de dados | 0,476 | 202 | Kbps | @LoRa | |
| 260 | 1300 | Kbps | @FLRC | ||
| 125 | 2000 | Kbps | @FSK | ||
| Potência de saída | -18 | 12,5 | dBm | @VCC=3,3V | |
| Sensibilidade de recepção | -132 | dBm | LoRa@0,476 Kbps | ||
| Interface | SPI |
| Lasca | SX1280,SX1281 |
| Freqüência | 2,4 GHz |
| Modulação | LoRa |


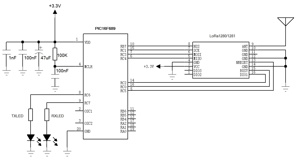
| PIN NÃO | Nome do PIN | Descrição |
| 1 | DIO2 | Conectado diretamente ao pino do chip, E/S de uso geral configurável (consulte a especificação do chip SX1280/1281 para obter detalhes) |
| 2 | DIO3 | Conectado diretamente ao pino do chip, E/S de uso geral configurável (consulte a especificação do chip SX1280/1281 para obter detalhes) |
| 3 | VCC | Conectado ao pólo positivo da fonte de alimentação (1,8-3,7 V) |
| 4 | Terra | Conectado ao pólo negativo |
| 5 | MISSÔ | Pino de saída de dados SPI |
| 6 | MOSI | Pino de entrada de dados SPI |
| 7 | SCK | Pino de entrada do relógio SPI |
| 8 | NSS | Pino de seleção do chip do módulo |
| 9 | FORMIGA | Conecte com antena coaxial de 50 ohms |
| 10,11,12 | Terra | Conectado ao pólo negativo |
| 13 | NRESET | Pino de gatilho de reinicialização do chip, ativo baixo |
| Nota: Para os módulos Lora1280 e Lora1281, o PIN 14 é GND | ||
| 14 | Terra | Conectado ao pólo negativo |
| Nota: Para o módulo Lora1280-TCXO, o PIN 14 é TCXOEN | ||
| 14 | TCXOEN | Ligue o TCXO: 1. Coloque o pino TCXOEN em nível alto antes de reinicializar o SX1280; 2. Atrase pelo menos 3 ms para esperar a inicialização do TCXO; 3. Durante o uso do módulo 1280, o TCXOEN deve permanecer em nível alto; Desligue o TCXO (se o módulo precisar entrar no modo de espera): 1. Chame a função SetSleep() para fazer o módulo entrar no modo de espera; 2. Atrase pelo menos 1 ms para esperar o módulo dormir; 3. Coloque o pino TCXOEN em nível baixo para desligar o TCXO. |
| 15 | OCUPADO | Pino indicador de status (consulte a especificação SX1280/1281 para obter detalhes) |
| 16 | DIO1 | Conectado diretamente ao pino do chip, E/S de uso geral configurável (consulte a especificação do chip SX1280/1281 para obter detalhes) |

política de Privacidade
· Política de Privacidade
No momento não há conteúdo disponível
E-mail: sales@nicerf.com
Tel:+86-755-23080616