Sep . 2025
No cenário atual da IoT, que evolui rapidamente, os módulos LoRa tradicionais de baixa potência já não atendem às exigências de aplicações extremas. Quando é necessário monitorar com cobertura total vastas áreas agrícolas, estabelecer conexões de comunicação confiáveis em regiões montanhosas remotas ou transpor obstáculos em ambientes industriais complexos, uma potência de saída padrão de 160 mW torna-se insignificante.
Foi sob essas demandas que nasceu a série LoRa1121F33 — não apenas um simples aumento de potência, mas um salto qualitativo na capacidade de comunicação. Como uma empresa com mais de 15 anos de experiência no setor de comunicação sem fio, podemos afirmar com confiança que o lançamento da série F33 marca uma nova era para a tecnologia LoRa.
Hoje, vamos mergulhar em seus dois modelos principais: LoRa1121F33-1G9 (Especialista em Comunicação via Satélite) e LoRa1121F33-2G4 (Campeão em Comunicação Terrestre). Como duas estrelas gêmeas no céu, eles brilham com um brilho distinto, iluminando o vasto horizonte da conectividade sem fio de longo alcance.

Módulos sem fio LoRa de alta confiabilidade para ambientes complexos de longo alcance e cenários multibanda.
Se os módulos LoRa convencionais são considerados especialistas em comunicação terrestre, o F33-1G9 é o pioneiro em comunicação integrada espaço-solo. Seu principal diferencial reside na capacidade de comunicação via satélite em banda S (1,9–2,1 GHz), permitindo conectividade em áreas sem cobertura de rede terrestre.
1) Posicionamento e diferenças entre as séries
Dimensão | LoRa1121F33-1G9 | LoRa1121F33-2G4 |
Foco de alta frequência | Banda S (1,9–2,1 GHz), projetada para IoT via satélite e comunicação integrada espaço-solo. | Banda ISM de 2,4 GHz, projetada para alta taxa de transferência terrestre e baixa latência. |
Saída sub-GHz | 433/470 MHz: 2 W; 868/915 MHz: 1 W | 433/470 MHz: 2 W; 868/915 MHz: 1 W |
Saída de banda alta | 1 W a 1,9–2,1 GHz | 1 W a 2,4 GHz (30 dBm) |
Sensibilidade de recepção (típica) | Sub-GHz: até -144 dBm; Banda S: até -132 dBm | Sub-GHz: até -144 dBm; 2,4 GHz: até -129 dBm |
Estabilidade de frequência | TCXO de grau industrial ±0,5 ppm | TCXO de grau industrial ±0,5 ppm |
Aprimoramento da interface de RF | — | FEM integrado (PA+LNA), ganho do LNA ~15 dB |
Aplicações representativas | Internet das Coisas via satélite, comunicação remota/marítima, resposta a emergências | Cidades/parques inteligentes IoT, transmissão de vídeo e imagem, enlaces de dados de drones |
Quando falamos sobre a capacidade de "longo alcance" da comunicação LoRa, o parâmetro tradicional é baseado em um nível de potência de 160 mW. Com a série F33 oferecendo 2 W de potência de saída, a melhoria não é apenas numérica — ela representa uma expansão fundamental dos cenários de aplicação.
Avanço tecnológico: de 160 mW para 2 W
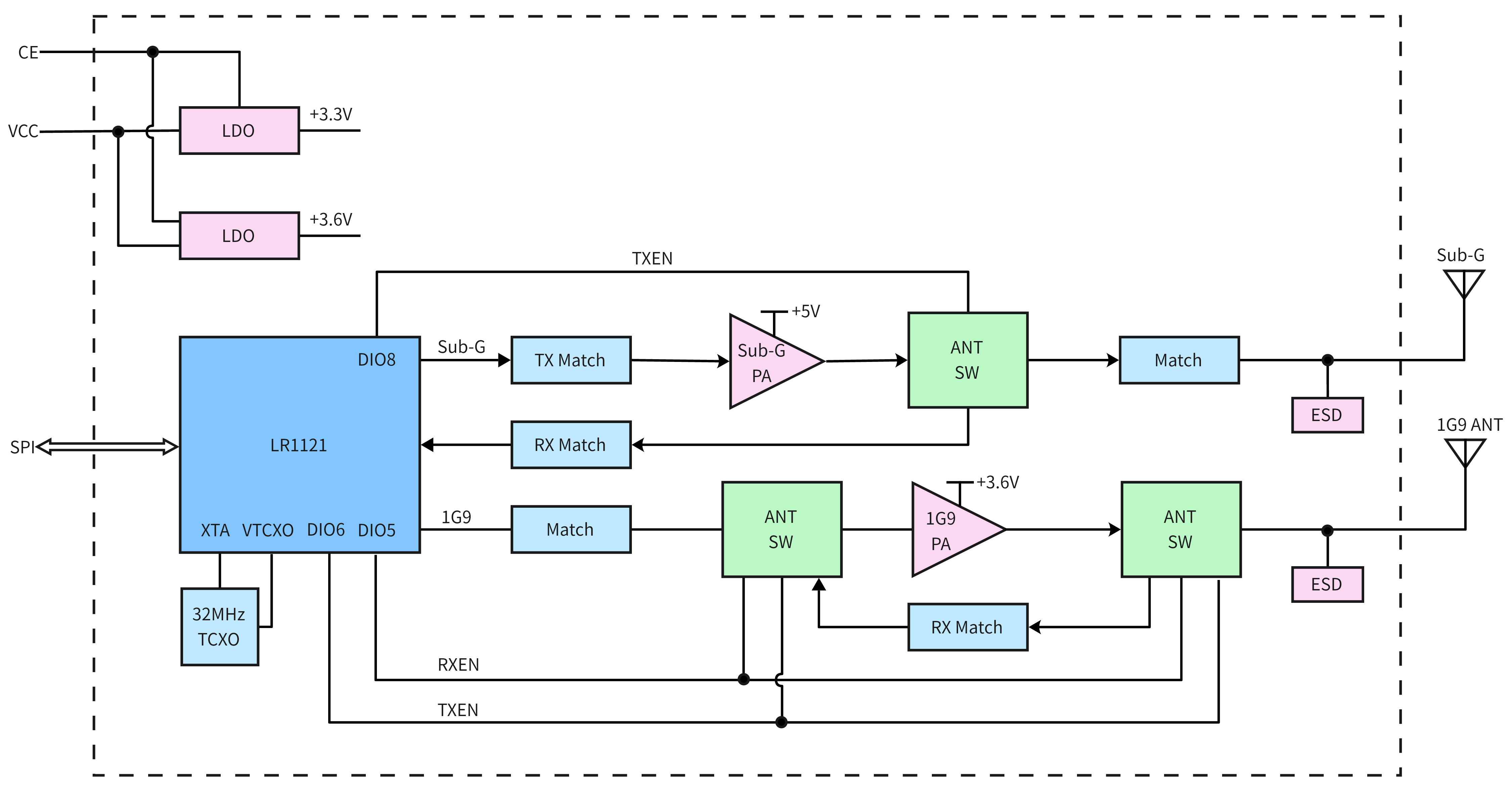
Diagrama de blocos do produto:

2) Principais Características e Parâmetros
Item de comparação | F33-1G9 | F33-2G4 |
Potência sub-GHz (433/470 MHz) | 33 dBm (2 W) | 33 dBm (2 W) |
Potência sub-GHz (868/915 MHz) | 30 dBm (1 W) | 30 dBm (1 W) |
Potência de banda alta | 30 dBm (1 W) a 1,9–2,1 GHz | 30 dBm (1 W) a 2,4 GHz |
Sensibilidade sub-GHz (típica) | Até -144 dBm | Até -144 dBm |
Sensibilidade de banda alta (típica) | –132 dBm (banda S) | –129 dBm (2,4 GHz) |
Modulação / Protocolo | LoRa / (G)FSK / LR-FHSS; suporta LoRaWAN e protocolos privados. | LoRa / (G)FSK / LR-FHSS; suporta LoRaWAN e protocolos privados. |
Segurança | Criptografia de hardware AES-128 | Criptografia de hardware AES-128 |
Caminho de Certificação | Dependente da região (categoria de alto poder); experiência e documentação disponíveis para acelerar a aprovação. | Igual ao F33-1G9 |
2.2 Consumo e fornecimento de energia
Item de comparação | F33-1G9 | F33-2G4 |
Faixa de tensão de alimentação | 3,0–5,5 V | 3,0–5,5 V |
Corrente do sono | < 18 µA | < 20 µA |
Corrente RX (Sub-GHz) | ~ < 9 mA | ~ < 8 mA |
Corrente RX (Banda Alta) | — | ~ 24–29 mA (2,4 GHz) |
Níveis de potência | Ajustável em vários níveis | Ajustável em vários níveis |
3) Vantagens da faixa de frequência e caminho técnico
Banda | Vantagens típicas | F33-1G9 | F33-2G4 |
433/470 MHz | Longa cobertura, boa difração, forte penetração. | ✅ 2 W | ✅ 2 W |
868/915 MHz | Taxa e cobertura equilibradas, em conformidade com as regulamentações. | ✅ 1 W | ✅ 1 W |
1,9–2,0 GHz (banda S) | IoT via satélite, baixa interferência, cobertura global. | ✅ 1 W | — |
2,4 GHz | ISM global, alta largura de banda, ecossistema rico | — | ✅ 1 W (FEM aprimorado) |
4) Mapeamento típico de aplicações
Cenário/Requisito | Modelo recomendado | Principais razões |
IoT via satélite / Mares remotos / Sem cobertura terrestre | F33-1G9 | Banda S de 1 W + Sub-GHz de 2 W, ampla cobertura, baixa interferência, ideal para integração espaço-solo. |
Resposta a emergências / Recuperação de desastres | F33-1G9 | Rede independente, ligação robusta, estabilidade de frequência em temperaturas extremas. |
Cidade Inteligente / IoT no Campus (Iluminação, Estacionamento, Tubulação) | F33-2G4 | Alta largura de banda de 2,4 GHz + ampla cobertura sub-GHz, implantação flexível, densidade de sites controlável |
Links de dados de vídeo/imagem/drones | F33-2G4 | 2,4 GHz 1 W + FEM integrado (PA+LNA), taxa de transferência superior |
Agricultura em larga escala / Pastagem | F33-1G9 / F33-2G4 | Cobertura de longo alcance de 2 W em sub-GHz; F33-2G4 preferencial para imagem/vídeo |
Locais industriais (forte interferência / obstrução metálica) | F33-2G4 | Alta potência + LR-FHSS + FEM melhoram a margem de enlace |
5) Orçamento de enlace e potência: de 160 mW a 2 W
Item de comparação | Base LoRa1121 | F33-1G9 | F33-2G4 |
Potência máxima de transmissão abaixo de GHz | 22 dBm (~160 mW) | 33 dBm (2 W) a 433/470 Hz; 30 dBm (1 W) a 868/915 Hz | 33 dBm (2 W) a 433/470 Hz; 30 dBm (1 W) a 868/915 Hz |
Potência de banda alta | 11 dBm (2,4 GHz) | 30 dBm (banda S) | 30 dBm (2,4 GHz) |
Estabilidade de frequência | ±10 ppm | ±0,5 ppm (TCXO) | ±0,5 ppm (TCXO) |
Segurança / Anti-interferência | AES-128 / LR-FHSS | AES-128 / LR-FHSS | AES-128 / LR-FHSS |
Nota de Engenharia: Comparado com 160 mW, o upgrade para 2 W melhora o orçamento de enlace em cerca de 11 a 13 dB. Sob as mesmas condições de modulação e antena, a distância teórica em espaço livre aumenta várias vezes; em ambientes complexos, a resistência a bloqueios e desvanecimento é significativamente aprimorada. Recomenda-se o controle adaptativo de potência para equilibrar a cobertura e o consumo de energia.
6) Mecânica e Interfaces (Destaques da Seleção)
Item | F33-1G9 | F33-2G4 |
Embalagem/Conjunto | Pacote com furos de estampagem, compatível com SMT, suporta desenvolvimento secundário. | Pacote de alta potência com furos de estampagem de 39,0×21,0 mm, compatível com SMT. |
Contagem de pinos | 18 pinos (conexão padrão) | 18 pinos (conexão padrão) |
Antenas | Antena sub-GHz + antena de banda S; compatível com IPEX / furo para carimbo | Antena sub-GHz + antena de 2,4 GHz; compatível com IPEX / furo para carimbo |
Interfaces | SPI (MISO/MOSI/SCK/NSS), RESET/BUSY/IRQ, VCC/GND, habilitação CE | Igual ao F33-1G9 |
Fornecer | 3,0–5,5 V (alta tensão, alta potência) | 3,0–5,5 V (alta tensão, alta potência) |
Diretrizes de projeto | • Continuidade do aterramento da trilha de RF e caminho de retorno | • Continuidade e retorno do aterramento da trilha de RF |
Estratégia de Energia e Operação (Diretrizes de Engenharia)
• Potência ajustável em 22 níveis: adapta dinamicamente a saída de acordo com o RSSI/SNR para economizar energia em curto alcance.
• Recepção com ciclo de trabalho e ativação rápida: recomendada para aplicações com longos períodos de espera.
•LR-FHSS: melhora a robustez e a utilização do espectro em ambientes com alta interferência.
• Projeto de alimentação: garantir margem de alimentação suficiente e desacoplamento durante a transmissão de 2 W; isolar as alimentações do amplificador de potência/modulador de campo (PA/FEM) e da banda base; otimizar o retorno de terra e a dissipação de calor.
7) Aquisição e Implantação (Perspectiva do Custo Total de Propriedade)
Dimensão | F33-1G9 | F33-2G4 |
Dependência de rede | Pode operar sem rede terrestre (satélite em banda S) | Implantação flexível e focada em redes terrestres |
Estações base / Gateways | Menos (retransmissão via satélite ou agregação de longo alcance) | Densidade de sites controlável (cobertura sub-GHz + backhaul de 2,4 GHz) |
Operação e Manutenção | Custo da ligação via satélite gerenciável, baixa manutenção do nó. | Comunicação local sem custos, manutenção do site gerenciável. |
Ajuste da aplicação | Necessidades de alta confiabilidade em locais remotos, marítimos e de emergência. | Aplicações urbanas, de vídeo, UAV e de alta largura de banda |
Intensidades da faixa de frequência
F33-1G9 (banda S):
Banda dedicada com interferência mínima.
Excelente compatibilidade com constelações de satélites LEO (ex.: Starlink, OneWeb).
Propagação e penetração equilibradas em comparação com a faixa sub-GHz.
F33-2G4 (ISM de 2,4 GHz):
FEM integrado (PA+LNA), ganho do LNA de aproximadamente 15 dB para melhor recepção.
Suporta maior taxa de transferência de dados, ideal para casos de uso que exigem muita largura de banda.
Banda ISM globalmente isenta de licença, ecossistema amplamente suportado.
Destaques do produto
F33-1G9: 2 W em sub-GHz + 1 W em banda S, sensibilidade de –144 dBm, TCXO ±0,5 ppm, suporta LR-FHSS e AES-128; ideal para IoT via satélite, emergências e cobertura remota.
F33-2G4: 2 W Sub-GHz + 1 W 2,4 GHz, FEM integrado (PA+LNA), sensibilidade de –129 dBm; ideal para cidades inteligentes, vídeo e aplicações de alta largura de banda em drones.
+86-755-23080616
vendas@nicerf.com
Site: https://www.nicerf.com/
Endereço: 309-314, 3/F, Bldg A, edifício comercial Hongdu, Zona 43, Baoan Dist, Shenzhen, China
política de Privacidade
· Política de Privacidade
No momento não há conteúdo disponível
E-mail: sales@nicerf.com
Tel:+86-755-23080616