Parâmetros | Condição de teste | Mín. | Tipo. | Máx. | Unidade |
Faixa de tensão | 1.8 | 3.3 | 3.6 | V | |
Temperatura de operação | - 4 0 | 25 | 85 | °C | |
Sinal de entrada máximo | 10 | dBm | |||
Consumo atual | |||||
Transmitir corrente | @3,3v | <120 | mA | ||
Receber corrente | <8 | mA | |||
Corrente do Sono | <1 | uA | |||
Parâmetros de RF | |||||
Faixa de frequência | @433MHz | 400 | 460 | MHz | |
@470MHz | 470 | 510 | MHz | ||
@868MHz | 850 | 890 | MHz | ||
@915MHz | 900 | 940 | MHz | ||
Potência de transmissão | 20 | 21 | 22 | dBm | |
Sensibilidade de recepção | @BW=125KHz,SF=12 | -141 | dBm | ||
Erro de frequência | 10 | ppm | |||
Taxa de modulação | @LoRa | 0,018 | 62,5 | kpbs | |
@FSK | 0,6 | 300 | kpbs | ||
Frequência de banda UHF: 433/470 MHz, 868/915 MHz
Faixa de frequência personalizável de 150 a 960 MHz
Distância de transmissão em área aberta de mais de 5000 metros
Alta sensibilidade do receptor até -141dBm @ BW=125KHz, SF=12
Potência de transmissão ajustável, até 22dBm
Diversas interfaces: UART, SPI, I2C, GPIO, ADC
Corrente de sono : < 2uA
Corrente de recepção : < 10 mA
Processador principal: CPU Arm® Cortex®-M4 de 32 bits
Recursos de segurança: Suporta criptografia de hardware de 256 bits e proteção de leitura e gravação PCROP
Tamanho compacto com design de furo de carimbo, facilitando o desenvolvimento secundário pelos clientes
Aplicativo
Agricultura Inteligente
Manufatura Industrial
Casa inteligente
Irrigação Remota


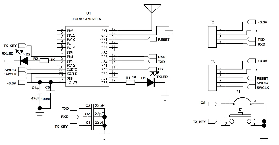
Pino Nº. | Nome do PIN | E/S | Descrição |
1 | PB2 | IO | E/S do microcontrolador do chip embarcado; consulte a especificação do chip para funções. |
2 | PB12 | IO | E/S do microcontrolador do chip embarcado; consulte a especificação do chip para funções. |
3 | PA10 | IO | E/S do microcontrolador do chip embarcado; consulte a especificação do chip para funções. |
4 | PA11 | IO | E/S do microcontrolador do chip embarcado; consulte a especificação do chip para funções. |
5 | PA12 | IO | E/S do microcontrolador do chip embarcado; consulte a especificação do chip para funções. |
6 | PB6 | IO | E/S do microcontrolador do chip embarcado, consulte o livro de especificações do chip para funções específicas. |
7 | PB4 | EU | E/S do microcontrolador do chip embarcado, o programa DEMO define o pino do botão de transmissão; pressionar o botão transmite dados. |
8 | PB5 | IO | E/S do microcontrolador do chip embarcado, o programa DEMO define o pino indicador de recepção; saídas altas quando os dados são recebidos, caso contrário, nível baixo. |
9 | PC13 | IO | E/S do microcontrolador do chip embarcado, consulte o livro de especificações do chip para funções específicas. |
10 | SWDIO | IO | E/S do microcontrolador do chip embarcado, interface de programação. |
11 | SWCLK | EU | E/S do microcontrolador do chip embarcado, interface de programação. |
12 | Terra | - | Conecte à fonte de alimentação negativa. |
13 | VCC | - | Conecte à fonte de alimentação positiva. |
14 | PB3 | IO | E/S do microcontrolador do chip embarcado, o programa DEMO define o pino indicador de transmissão; saída alta ao transmitir, baixa quando não transmite. |
15 | PB7 | IO | E/S do microcontrolador do chip embarcado, consulte o livro de especificações do chip para funções específicas. |
16 | PB8 | IO | E/S do microcontrolador do chip embarcado, consulte o livro de especificações do chip para funções específicas. |
17 | PA0 | IO | E/S do microcontrolador do chip embarcado, O programa DEMO define CS. |
18 | PA1 | IO | E/S do microcontrolador do chip embarcado, consulte o livro de especificações do chip para funções específicas. |
19 | PA2 | IO | E/S do microcontrolador do chip embarcado, O programa DEMO define TXD. |
20 | PA3 | IO | E/S do microcontrolador do chip embarcado, O programa DEMO define RXD. |
21 | PA4 | IO | E/S do microcontrolador do chip embarcado, consulte o livro de especificações do chip para funções específicas. |
22 | PA5 | IO | E/S do microcontrolador do chip embarcado, consulte o livro de especificações do chip para funções específicas. |
23 | PA6 | IO | E/S do microcontrolador do chip embarcado, consulte o livro de especificações do chip para funções específicas. |
24 | NRST | EU | E/S do microcontrolador do chip embarcado, pino de reinicialização do chip, ativo baixo. |
25 | Terra | - | Conecte à fonte de alimentação negativa. |
26 | FORMIGA | Conecte a uma antena externa de 50 ohms. |

política de Privacidade
· Política de Privacidade
No momento não há conteúdo disponível
E-mail: sales@nicerf.com
Tel:+86-755-23080616