Contate-nos
| Parâmetro | Mínimo | TP | Máx. | Unidade | Doença |
| Condições de operação | |||||
| Tensão de alimentação | 1.8 | 3.3 | 3.6 | V | |
| Faixa de temperatura operacional | -40 | 25 | 85 | °C | |
| Consumo atual | |||||
| Corrente de emissão | 6.8 | 8 | mA | @3,3V | |
| Receber corrente | 2.9 | mA | @3,3V | ||
| Corrente do sono | 0,26 | mA | |||
| Função especial | Formiga+ |
| Mensagens de configuração | ||
| Desatribuir canal | Atribuir canal | Definir ID do canal |
| Período de mensagens do canal | Tempo limite de busca de canal | Frequência de RF do canal |
| Definir chave de rede | Transmitir potência | Forma de onda de pesquisa |
| Adicionar ID do canal à lista | Adicionar ID de criptografia à lista | Lista de IDs de configuração |
| Lista de IDs de criptografia de configuração | Definir potência de transmissão do canal | Tempo limite de pesquisa de baixa prioridade do canal |
| Habilitar mensagens estendidas | Configuração da biblioteca | Agilidade de Frequência |
| Pesquisa de proximidade | Prioridade de pesquisa de canal | Configurar Burst Avançado |
| Configurar filtro de eventos | Configurar atualizações seletivas de dados | Definir máscara de atualização seletiva de dados (SDU) |
| Habilitar criptografia de canal único | Definir chave de criptografia | 1.27 Definir informações de criptografia |


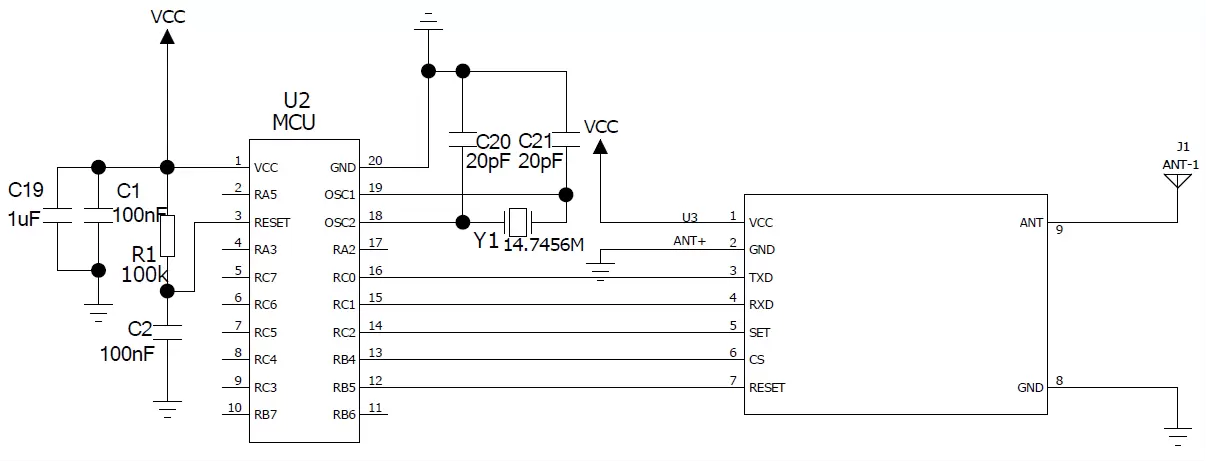
Pino Nº. | Nome do PIN | Descrição |
| 1 | VCC | Poder positivo |
| 2 | Terra | aterramento de energia |
| 3 | TXD | TXD serial |
| 4 | RXD | RXD serial |
| 5 | DEFINIR | Entre no pino de controle do modo DFU (atualização de firmware), puxe este pino para baixo e, em seguida, dê um pulso baixo no pino RESET, e o módulo entrará no modo DFU após a reinicialização. Puxe ou deixe este pino desconectado, e a inicialização ou reinicialização entrará no modo de operação normal. |
| 6 | CS | Pino de controle de sono, puxe o módulo CS para baixo para dormir, puxe-o para cima ou flutue para fazer o módulo funcionar normalmente |
| 7 | REINICIAR | Puxe este pino para baixo para reiniciar o módulo, puxe-o para cima ou flutuando, o módulo funcionará normalmente |
| 8 | Terra | aterramento de energia |
| 9 | FORMIGA | Interface de antena |

política de Privacidade
· Política de Privacidade
No momento não há conteúdo disponível
E-mail: sales@nicerf.com
Tel:+86-755-23080616