Contate-nos
| Parâmetros | Mín. | Tipo. | Máx. | Unidade | Doença |
| Condição de trabalho | |||||
| Faixa de tensão | 3.3 | 5.0 | 6,5 | V | |
| Temperatura de operação | -40 | 25 | +85 | °C | |
| Consumo atual | |||||
| Corrente Rx | <15 | mA | Nível TTL | ||
| Corrente Tx | < 130 | mA | |||
| Corrente do sono | < 200 | uA | |||
| Parâmetros de RF | |||||
| Faixa de frequência | 414,92 | 433,92 | 453,92 | MHz | @433MHz |
| 470,92 | 489,92 | 509,92 | MHz | @470MHz | |
| 849,92 | 868,92 | 888,92 | MHz | @868MHz | |
| 895,92 | 914,92 | 934,92 | MHz | @915MHz | |
| Taxa de dados | 91 | 656 | 17353 | bps | @LoRa |
| Potência de saída | 4 | 20 | +20 | dBm | Nível de software 7 ajustável |
| Sensibilidade | -139 | dBm | @91bps | ||
| Interface | TTL, RS232, RS485 |
| Rede | MALHA |
| Freqüência | 433 MHz, 470 MHz, 868 MHz, 915 MHz |
| Modulação | LoRa |
| Potência de saída | 100mW |
| Certificação | KC |



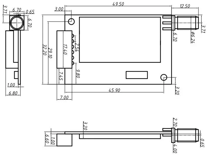
| NÃO. | ALFINETE | Descrição |
| 1 | VCC | Conecte o pólo positivo da fonte de alimentação (normalmente 5V) |
| 2 | Terra | Conecte o pólo negativo da fonte de alimentação, fio terra |
| 3 | TXD | Transmissão de dados de comunicação serial |
| 4 | RXD | Recepção de dados de comunicação serial |
| 5 | DEFINIR | Habilitar parâmetro de configuração (configuração de parâmetro de habilitação de baixo nível, saída de alto nível padrão) |
| 6 | CS | Pino de habilitação do módulo (pull-up integrado) Observação: Versão padrão de fábrica: corrente de suspensão <200uA, CS em nível alto ou suspenso para comunicação normal, suspensão em nível baixo; Versão de baixo consumo de energia: corrente de suspensão <15uA, comunicação normal quando CS em nível baixo, suspensão em nível alto ou flutuação para suspensão. |
| 7 | Terra | Antena de aterramento |
| 8 | FORMIGA | Saída de sinal RF, conectada a uma antena de 50 ohms |
| 9 | Terra | Antena de aterramento |


política de Privacidade
· Política de Privacidade
No momento não há conteúdo disponível
E-mail: sales@nicerf.com
Tel:+86-755-23080616