Contate-nos
| Parâmetros | Mín. | Tipo. | Máx. | Unidade | Doença |
| Condição de trabalho | |||||
| Faixa de tensão | 3.3 | 5.0 | 6,5 | V | |
| Temperatura de operação | -40 | 25 | +85 | °C | |
| Consumo atual | |||||
| Corrente Rx | 25 | mA | Nível TTL | ||
| 34 | mA | Nível 485 | |||
| Corrente Tx | 350 | mA | @27dBm | ||
| Corrente do sono | <5 | uA | @Nível TTL | ||
| Parâmetros de RF | |||||
| Faixa de frequência | 414,92 | 433,92 | 453,92 | MHz | @433MHz |
| 470,92 | 489,92 | 509,92 | MHz | @470MHz | |
| 849,92 | 868,92 | 888,92 | MHz | @868MHz | |
| 895,92 | 914,92 | 934,92 | MHz | @915MHz | |
| Taxa de dados | 1.2 | 9.6 | 115,2 | Kbps | GFSK |
| Potência de saída | 20 | / | +27 | dBm | |
| Sensibilidade | -121 | dBm | @1,2 Kbps | ||
| Interface | TTL, RS485 |
| Rede | STAR, Ponto a ponto |
| Freqüência | 433 MHz, 470 MHz, 868 MHz, 915 MHz |
| Modulação | (G)FSK |
| Potência de saída | 500mW |


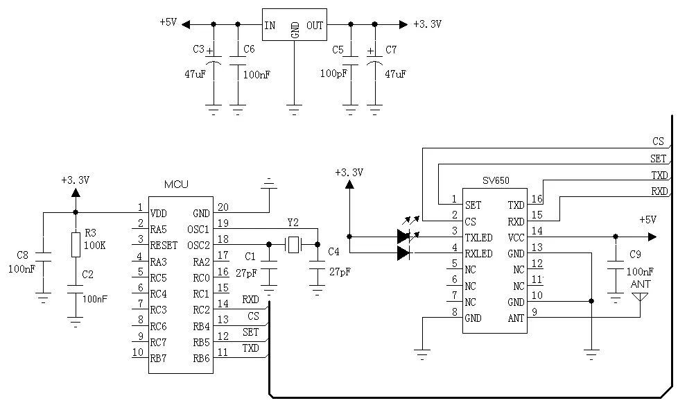
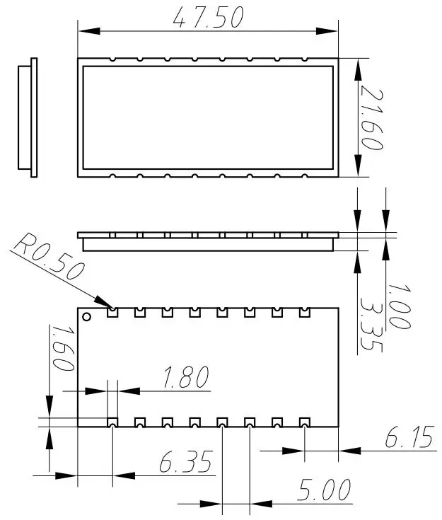
| PIN nº. | Definição | Descrição |
| 1 | DEFINIR | Parâmetros de configuração habilitados (baixo para habilitar os parâmetros de configuração, a saída de alto nível padrão) |
| 2 | CS | O módulo está habilitado (baixa dormência, a corrente é menor que 5uA, a saída de alto nível padrão) |
| 3 | TXLED | Pino de saída de luz emitida (ativo baixo) |
| 4 | LED RX | Pino de saída do indicador de recepção (ativo baixo) |
| 5/6/7/11/12 | NC | Vago |
| 8/10/13 | Terra | Conectado ao aterramento de energia |
| 9 | FORMIGA | Saída de sinal RF, então uma antena de 50 ohms |
| 14 | VCC | Conectado à fonte de alimentação positiva (típico 5 V) |
| 15 | TXD/A | Transmissão de dados de comunicação serial (@ nível 485, então a saída de A) |
| 16 | RXD/B | Recepção de dados de comunicação serial (@ nível 485, depois a saída B) |

política de Privacidade
· Política de Privacidade
No momento não há conteúdo disponível
E-mail: sales@nicerf.com
Tel:+86-755-23080616