Contate-nos
| Parâmetros | Doença | Mínimo | Tipo. | Máx. | Unidade |
| Fonte de energia | 3.3 | 4.0 | 5 | V | |
| Temperatura de trabalho | -20 | 25 | 60 | °C | |
| Faixa de frequência | @UHF | 400 | 470 | MHz | |
| @VHF | 134 | 174 | MHz | ||
| @350 | 320 | 400 | MHz | ||
| Taxa de transmissão serial | 57600 | bps | |||
| Consumo atual | |||||
| Corrente do sono | @CS puxou para baixo por 3 segundos | < 1 | mA | ||
| Corrente RX | < 165 | mA | |||
| Corrente TX (alta potência) - DMR | @VCC=4,2V,2w | 400-1200 | mA | ||
| Corrente TX (baixa potência) - DMR | @VCC=4,2 V,0,5 W | 200-600 | mA | ||
| Corrente TX (alta potência) - Analógica | @VCC=4,2V,2w | < 1300 | mA | ||
| Corrente TX (baixa potência) - Analógica | @VCC=4,2 V,0,5 W | < 700 | mA | ||
| Parâmetros analógicos Rx | |||||
| Sensibilidade Rx (Analógica) | @12dB SINAD | -120 | dBm | ||
| S/N | @1,5K desvio | 40 | dB | ||
| Seletividade do canal adjacente | Deslocamento de 12,5 kHz | 62 | dB | ||
| Rejeição de intermodulação | Deslocamento de 12,5 kHz | 63 | dB | ||
| Imunidade de bloqueio | Intervalo de frequência de interferência > 1M | 88 | dB | ||
| amplitude de áudio (saída de linha) | F0=1KHz | 0,2 | 130 | 460 | mV |
| impedância de saída de áudio (SPK) | 8 | Ohm | |||
| Distorção de áudio | F0=1KHz | 5 | % | ||
| Resposta de áudio | 300Hz | 8 | dB | ||
| 500Hz | 6 | ||||
| 1 kHz | 0 | ||||
| 2 kHz | -6 | ||||
| 3 kHz | -12 | ||||
| Parâmetros DMR Rx | |||||
| BER (Modo DMR) | @ -117dBm | 4 | % | ||
| Seletividade de canal adjacente (ACS) | Deslocamento: +12,5 kHz | 60 | dB | ||
| Deslocamento: -12,5 kHz | |||||
| Rejeição de Intermodulação | Deslocamento: +50/100 kHz | 63 | dB | ||
| Deslocamento:-50/100 kHz | |||||
| Imunidade de bloqueio | Deslocamento: +/-1MHz | 87 | dB | ||
| Deslocamento: +/-5MHz | |||||
| Parâmetros de transmissão analógica | |||||
| Desvio de frequência máxima | Desvio de 12,5 KHz (N) | 2.2 | 2,5 | KHz | |
| Desvio de 25 KHz (W) | 4.5 | 5 | KHz | ||
| Sensibilidade | desvio: 1,5 KHz/2,5 KHz | 4 | 7 | 10 | mV |
| Distorção de áudio | desvio: 1,5 KHz/2,5 KHz | 1 | 5 | % | |
| Característica de modulação | 300Hz | -13 | -11 | -9 | dB |
| 500Hz | -9 | -6 | -5 | dB | |
| 1 kHz | -3 | 0 | 1 | dB | |
| 2 kHz | 3 | 6 | 7 | dB | |
| 3 kHz | 3 | 7 | 11 | dB | |
| Desvio CTCSS | 350 | 400 | 600 | Hz | |
| potência de saída do canal adjacente | Deslocamento de 12,5 kHz | -63 | -65 | dBc | |
| SNA | 1,5 KHz/2,5 KHz | 38 | 40 | 50 | dB |
| Parâmetros DMR Tx | |||||
| erro de frequência | 0,5 | ppm | |||
| 4FSK Tx BER | ≤1×10-4 | ||||
| potência de saída do canal adjacente | +/-12,5 kHz | ≤-55 | dB | ||
| potência de saída do próximo canal adjacente | +/-25 kHz | ≤-65 | dB | ||
| Tipo | Walkie talkie DMR |
| Potência de saída | 2W |
Módulo walkie talkie DMR
Sistema de intercomunicação invisível
Sistema de segurança de edifícios
Um sistema de vigilância de áudio



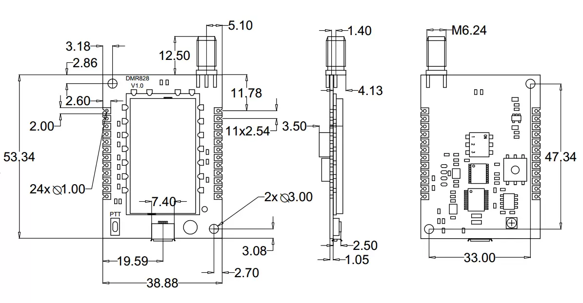
| Pino Nº. | Nome do PIN | E/S | Descrição |
| 1 | VCC | VCC (3 - 5 V) | |
| 2,4 | Terra | Chão | |
| 3 | CS | EU | 0: Dormir; 1: Trabalhar (nível alto ou deixar aberto) |
| 5 | PTT | EU | 0: TX, 1: RX |
| 6 | SAÍDA DE LINHA | O | Saída de áudio sem amplificação |
| 7 | 8 | EU | Seleção de canal de frequência (16 canais) |
| 8: o bit máximo, | |||
| 4: o 3º bit, | |||
| 2: o 2º bit; | |||
| 1: o mínimo por exemplo: | |||
| Codificação 8421: | |||
| 0000: canal 0, | |||
| 0001: canal 1 | |||
| 0010: canal 2 | |||
| 8 | 4 | 0011 :canal 3 | |
| 9 | 2 | … | |
| 10 | 1 | 1111: canal 15 | |
| 11 | SPKN | Saída de áudio, conectar ao alto-falante 8Ω 2W | |
| 12 | SPKP | ||
| 13,15,17,24 | Terra | Chão | |
| 14 | FALADO | O | Indicador de sinal válido, 1: sinal válido, 0: Nenhum sinal válido recebido. Este pino pode ser usado para acionar um amplificador de voz externo. 1: ligado, 0: desligado |
| 16 | MIC_IN | Microfone ou entrada de linha | |
| 18 | UART-TX | O | TXD do módulo e conectar ao RXD externo |
| 19 | UART-RX | EU | RXD do módulo e conectar ao TXD externo |
| 20,21 | NC | ||
| 22 | HST_TXD | Reservado | Porta serial para enviar pino de dados (para atualização do programa) |
| 23 | HST_TXD | Reservado | Pino de recebimento de dados da porta serial (para atualização do programa) |

política de Privacidade
· Política de Privacidade
No momento não há conteúdo disponível
E-mail: sales@nicerf.com
Tel:+86-755-23080616