Contate-nos
★ Nota: Em nível alto, os pinos estão em 3,3 V.
| Parâmetro | Condição de teste | Mín. | Tipo | Máx. | Unidade |
| Faixa de tensão de operação | -- | 3.3 | 8 | 9 | V |
| Faixa de temperatura operacional | -- | -30 | 20 | 70 | °C |
| Consumo de energia | |||||
| Corrente adormecida | -- | -- | ≤3 | uA | |
| Corrente RX | -- | -- | 60 | mA | |
| Corrente TX (alta potência de saída) | @8v, 424,75MHz | 1400 | 1500 | mA | |
| Corrente TX (baixa potência de saída) | 850 | 900 | mA | ||
| Corrente TX (alta potência de saída) | @4V, 424,75MHz | 1100 | 1150 | mA | |
| Corrente TX (baixa potência de saída) | 650 | 700 | mA | ||
| Parâmetro de frequência TX | |||||
| Faixa de frequência operacional | UHF | 400 | 450 | 480 | MHz |
| VHF | 134 | 150 | 174 | MHz | |
| Corrente TX (alta potência de saída) | @VCC=4,0V | 30 | 31 | 32 | dBm |
| Corrente TX (baixa potência de saída) | 26 | 27 | 28 | dBm | |
| Corrente TX (alta potência de saída) | @VCC=8,0V | 35 | 36 | 36,5 | dBm |
| Corrente TX (baixa potência de saída) | 30,5 | 31,5 | 32 | dBm | |
| Frequência de modulação | Desvio de frequência de @1,5 KHz/2,5 KHz | 10 | mV | ||
| Distorção de modulação de áudio | @1,5KHz/2,5KHz Desvio de frequência | -- | 2 | 5 | % |
| Relação sinal-ruído | Desvio de frequência de @1,5 KHz/2,5 KHz | 38 | 40 | 45 | dBm |
| Proporção de canal adjacente | @Deslocamento de 12,5K | -- | -60 | dBc | |
| Frequência de modulação CTCSS | 0,35 | 0,5 | 0,75 | KHz | |
| Parâmetro de frequência RX | |||||
| Sensibilidade RX | SNR de áudio de saída de 13 dB | -- | -124 | -- | dBm |
| RX SNR | @Desvio de frequência de 1,5 KHz | 45 | 50 | -- | dB |
| Potência de saída de áudio | -- | -- | 2 | -- | C |
| Impedância de saída de áudio | -- | -- | 8 | -- | Ohm |
| Tipo | Walkie talkie analógico |
| Potência de saída | 1W, 4W |
Banda VHF 134~174 MHz
(2 bandas de frequência são opcionais)


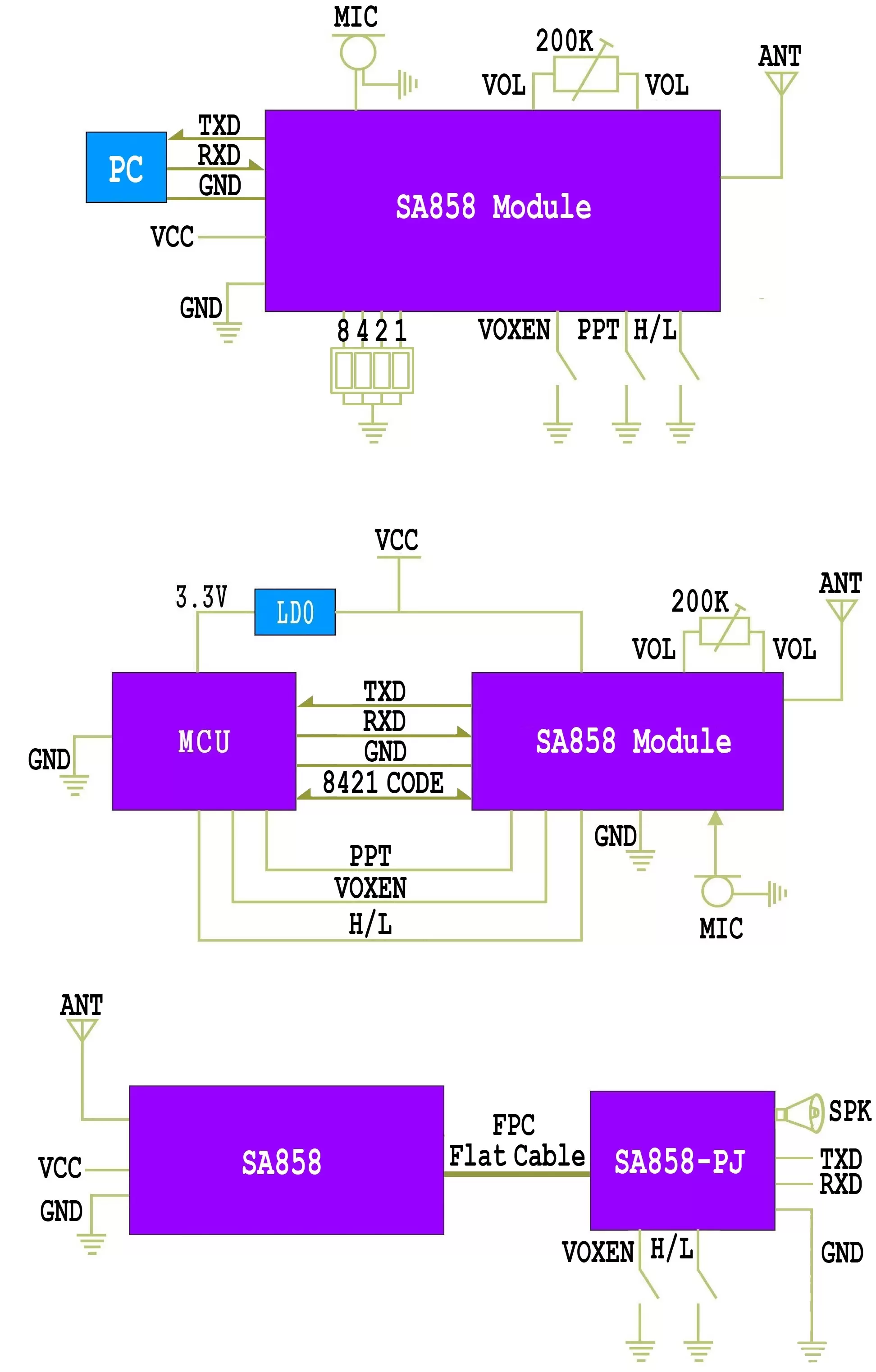
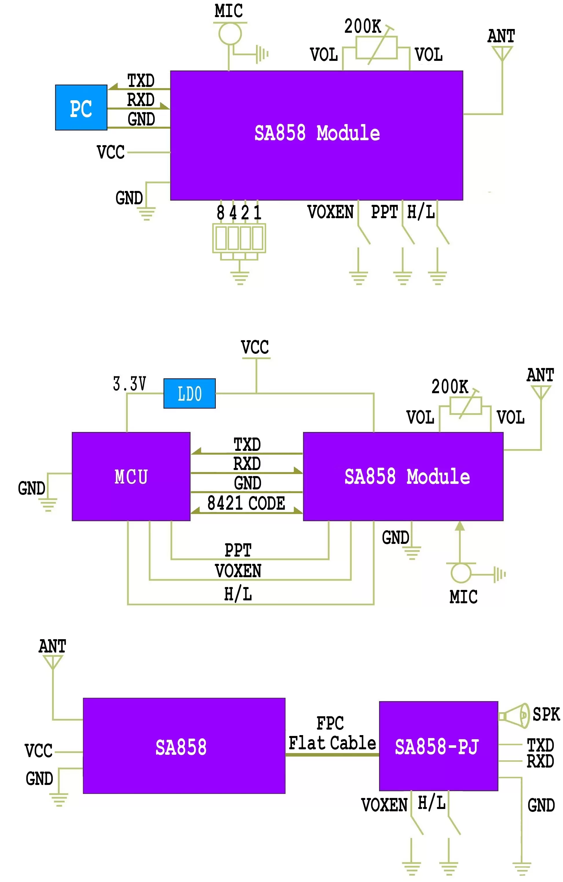
| PIN nº. | Nome do PIN | Descrição |
| 1 | MIC+ | Conecte o positivo do microfone externo |
| 2 | Terra | Conecte o negativo do microfone externo ou o aterramento da alimentação |
| 3 | SPK/VOL | Eternal connect 8 ohm e alto-falante de 2W e ajuste de volume de equipamentos eletrônicos |
| 4 | SPK | Pino de saída de áudio, conexão externa de 8oHm e alto-falante de 2W |
| 5 | H/L | Pino de alta e baixa potência de RF, conectar “0” é baixa potência, desligar é alta potência |
| 6 | VOL | Pino de ajuste de volume de áudio, conexão externa 200K equipamento eletrônico ajustável |
| 7 | Terra | Conexão externa de energia negativa |
| 8 | RXD | Porta serial de recebimento de dados |
| 9 | TXD | Porta serial de envio de dados |
| 10 | VOXEN | Pino de ativação de volume, “0” é a função de controle de volume aberta, “1” é a função de controle de volume fechada, o padrão é “1” |
| 11 | PTT | Pino de controle de envio/recebimento, “0” é envio; “1” é recebimento, o padrão é recebimento |
| 12 | 8 | Frequência 16 canais, código 8421, nº 8 bits, o padrão é saída “1” |
| 13 | 4 | Frequência 16 canais, código 8421, nº 4 bits, o padrão é saída “1” |
| 14 | 2 | Frequência 16 canais, código 8421, nº 2 bits, o padrão é saída “1” |
| 15 | 1 | Frequência 16 canais, código 8421, bit nº 1, saída padrão “1” |
| 16 | DP | Habilitação do módulo de hibernação, “0” é modo de hibernação; “1” funcionamento normal, o padrão é modo de funcionamento normal |
| 17 | VCC | Conecte energia positiva |
| 18 | Terra | Conecte energia negativa |
| 19, 21 | Terra | Conecte o aterramento da antena |
| 20 | FORMIGA | Saída de sinal RF, conexão externa de antena de 50oHm |


política de Privacidade
· Política de Privacidade
No momento não há conteúdo disponível
E-mail: sales@nicerf.com
Tel:+86-755-23080616