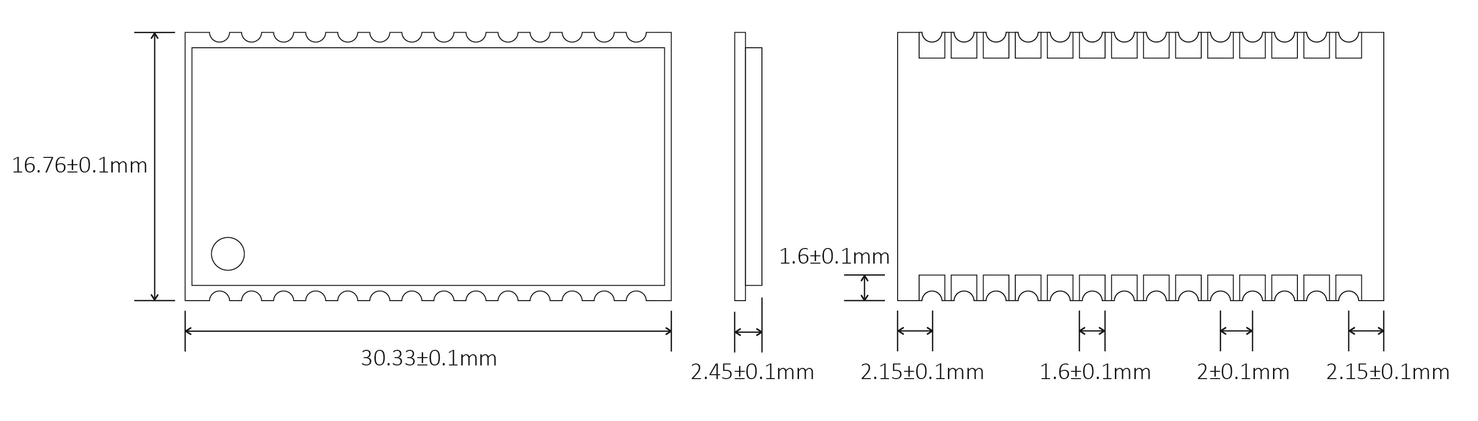
Os produtos da série SA316S são divididos em módulos transmissores SA316S-TX, SA316F30 e módulo receptor SA316S-RX. Esta série utiliza um chip de transmissão de voz sem fio de alta qualidade em seu design. Suporta interfaces externas de áudio digital dual-mode PCM/IIS e oferece aos clientes uma interface serial padronizada. Os usuários podem definir de forma rápida e fácil a frequência do transceptor, o volume, o ganho do microfone e outros parâmetros do módulo por meio de comandos de porta serial, amplamente utilizados em situações que exigem alta qualidade de som.
Parâmetro | Condições de teste | Mín . | Tipo . | Máx . | Unidade |
Faixa de tensão de operação | @SA316S-TX, SA316-RX | 2.8 | 3.3 | 3.6 | V |
@SA316F30 | 3.3 | 4.0 | 5.0 | ||
Faixa de temperatura de trabalho | -20 | 25 | 60 | °C | |
Faixa de frequência operacional | @UHF | 500 | 540 | MHz | |
800 | 890 | MHz | |||
890 | 980 | MHz | |||
@VHF | 160 | 270 | MHz | ||
Atraso na transmissão e recepção de áudio | 4 | EM | |||
Taxa de transmissão da porta serial | 9600 | bps | |||
Consumo atual | |||||
Dormiratual (SA316-RX) | <0,4 | mA | |||
Corrente do sono | SA316S-TX | 5 | 10 | uA | |
| SA316F30 | < 1,6 | m A | |||
Corrente de recepção (SA316-RX) | @VCC=3,3V | < 115 | m A | ||
Corrente de transmissão (SA316S-TX) | @ Transmissão Du ring | < 100 | mA | ||
@Não Transmitindo | <54 | mA | |||
Corrente de transmissão (SA316F30-TX) | @Durante a transmissão, 5v | < 700 | mA | ||
@ Não transmitindo, 5v | <60 | mA | |||
Parâmetro de transmissão | |||||
Transmissão de energia | @SA316S-TX, VCC=3,3 V | 9 | 10 | 11 | dBm |
@SA316F30-TX, VCC=5,0V | 29 | 30 | 31 | dBm | |
Largura de banda de emissão ( BW) | 300 | KHz | |||
Relação de potência do canal adjacente ( ACPR ) | @600KHZ | -60 | dBc | ||
Tensão máxima de entrada do microfone | 0,1 | 1.0 | Vrms | ||
Faixa de resposta de frequência de áudio | 30 | 20 mil | Hz | ||
Parâmetros de recebimento | |||||
Sensibilidade de recepção | -96 | dBm | |||
Amplitude de saída de áudio (diferencial) | 400 | mVrms | |||
Resistência do acionamento de saída de áudio | 600 | Ohm | |||
Relação sinal-ruído (SNR) | @1KHz | 86 | dB | ||
Distorção harmônica total (THD) | @48KSampling Taxa | 0,07 | % | ||
| Tipo | Áudio sem fio |
| Potência de saída | 10mW |
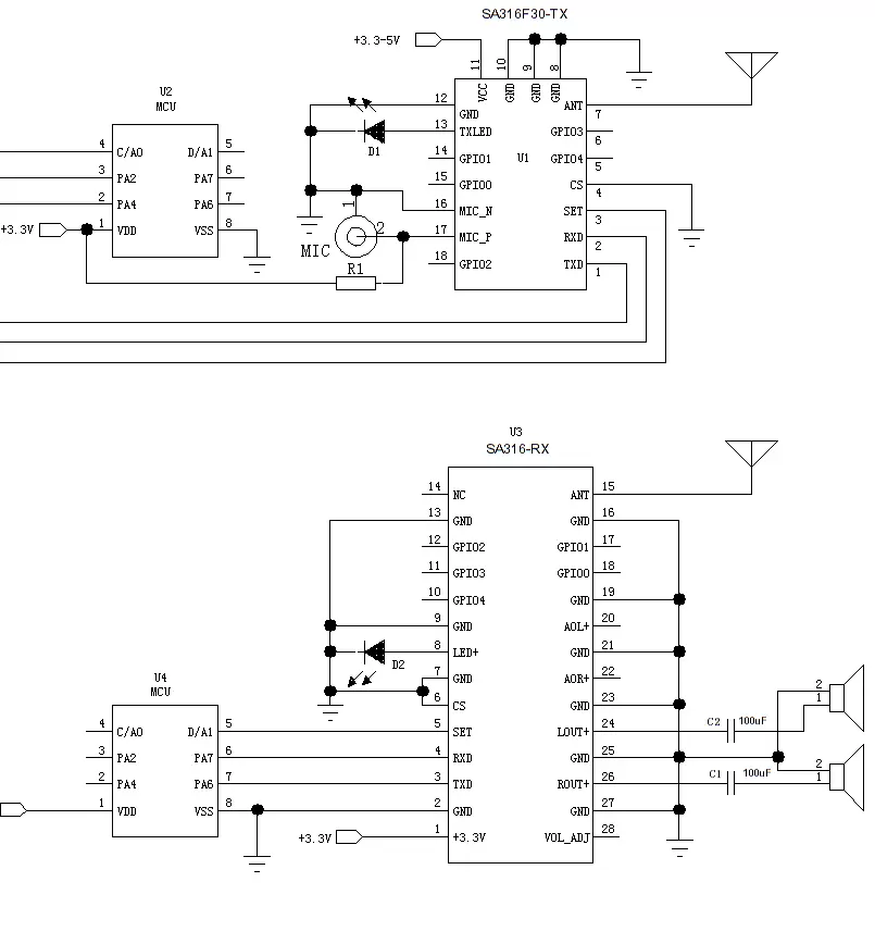
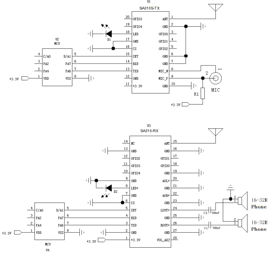
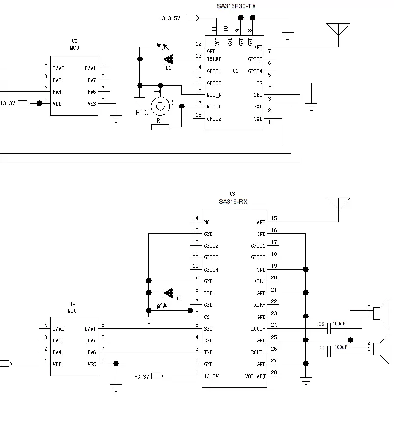
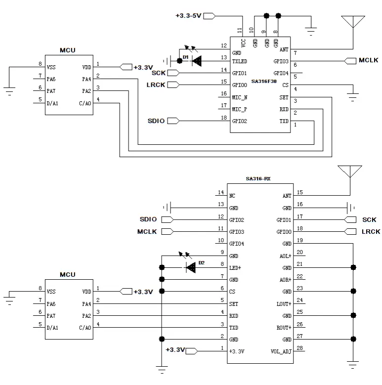
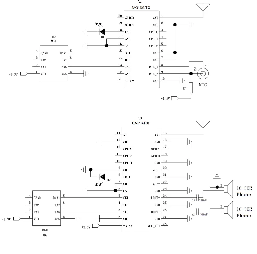
Circuito de aplicação de entrada analógica e saída analógica


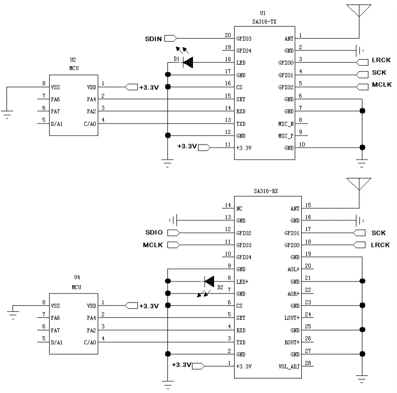
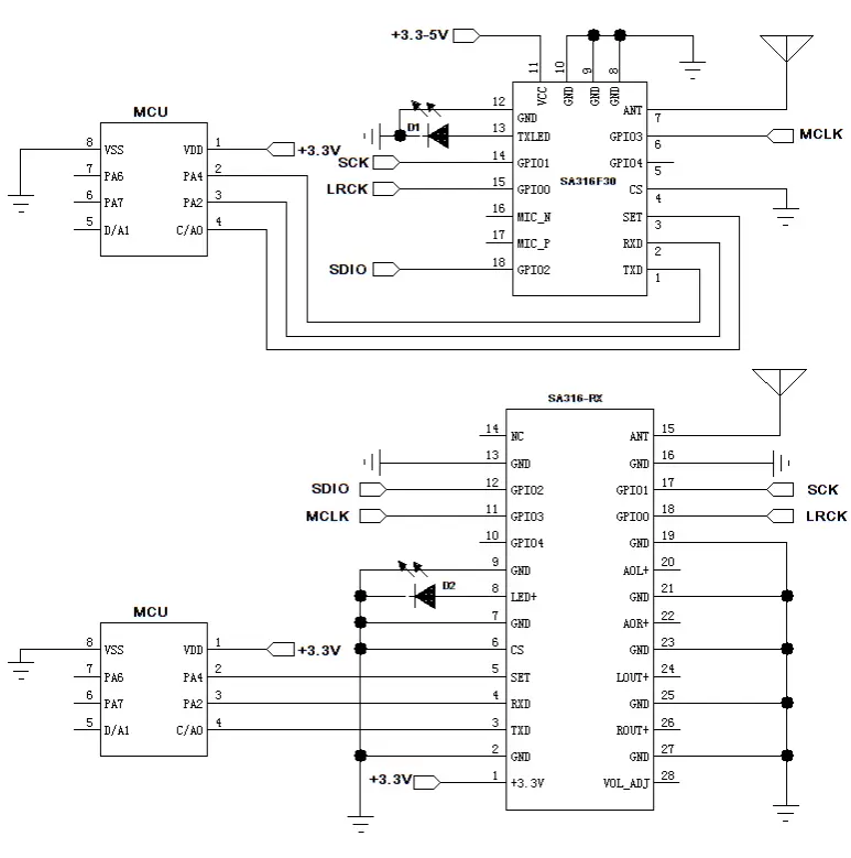
Circuito de aplicação de entrada e saída IIS


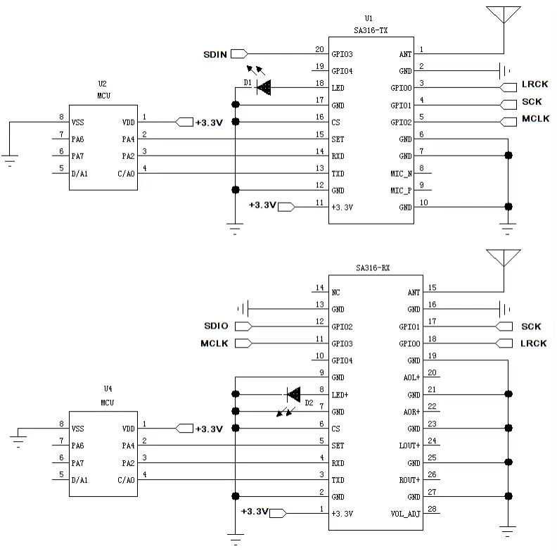
SA316-TX

| Pino Nº. | Nome do PIN | E/S | Nível padrão | Descrição |
| 1 | FORMIGA | 0 | Saída de sinal RF, conectar a antena de 50 ohms | |
| 2, 6, 7, 10, 12, 17 | Terra | 0V | Conecte ao pólo negativo da fonte de alimentação | |
| 3 | GPIO0 | E/S | 0-3,3 V | O GPIO0 do chip de áudio integrado pode ser configurado como LRCK ao usar o modo I2S |
| 4 | GPIO1 | E/S | 0-3,3 V | O GPIO1 do chip de áudio integrado pode ser configurado como SCK ao usar o modo I2S |
| 5 | GPIO2 | E/S | 0-3,3 V | O GPIO2 do chip de áudio integrado pode ser configurado como MCLK ao usar o modo I2S |
| 8 | MIC_N | EU | Extremidade negativa da entrada do microfone, pode ser deixada flutuando | |
| 9 | MIC_P | EU | Extremidade positiva da entrada do microfone (o melhor sinal é inferior a 300 mVrms) | |
| 11 | VCC | +3,3 V | Entrada de potência positiva (2,8 V-3,6 V, típico 3,3 V) | |
| 13 | TXD | O | 0-3,3 V | Saída de dados serial |
| 14 | RXD | EU | 0-3,3 V | Entrada de dados seriais |
| 15 | DEFINIR | EU | 0-3,3 V | Função temporariamente reservada |
| 16 | CS | EU | 0-3,3 V | Pino de suspensão do módulo (trabalho de baixo nível, suspensão de alto nível) |
| 18 | LIDERADO | O | 0-3,3 V | Indicação de saída, saída alta ao transmitir sinal, saída baixa quando não transmite sinal |
| 19 | GPIO4 | E/0 | 0-3,3 V | GPIO4 do chip de áudio integrado |
| 20 | GPIO3 | E/S | 0-3,3 V | O GPIO3 do chip de áudio integrado pode ser configurado como SDIN ao usar o modo I2S |
SA316-F30

Pino Nº . | Nome do PIN | E/S | Nível padrão | Descrição |
1 | TXD | O | 0-3,3 V | Saída de dados seriais |
2 | RXD | EU | 0-3,3 V | Entrada de dados seriais |
3 | DEFINIR | EU | 0-3,3 V | Função temporariamente reservada |
4 | CS | EU | 0-3,3 V | Pino de suspensão do módulo (trabalho de baixo nível, suspensão de alto nível) |
5 | GPIO4 | E/0 | 0-3,3 V | GPIO4 do chip de áudio integrado |
6 | GPIO3 | E/S | 0-3,3 V | O GPIO3 do chip de áudio integrado pode ser configurado como SDIN ao usar o modo I2S |
7 | FORMIGA | 0 | Saída de sinal RF , conectar a uma antena de 50 ohms | |
8,9,10,12 | Terra | 0V | Conecte ao pólo negativo da fonte de alimentação | |
11 | VCC | +3,3-5,0 V | Entrada de potência positiva (+3,3 V-5,0 V, típico 4,2 V) | |
13 | TXLED | O | 0-3,3 V | Indicação de saída: alta durante a transmissão, baixa quando não. |
14 | GPIO2 | E/S | 0-3,3 V | Conecte o GPIO2 do chip de áudio ao modo I2S como MCLK. |
15 | GPIO1 | E/S | 0-3,3 V | Conecte o GPIO1 do chip de áudio ao modo I2S como SCK. |
16 | MIC_N | EU | Extremidade negativa da entrada do microfone, conecte ao GND | |
1 7 | MIC_P | EU | Extremidade positiva da entrada do microfone (o melhor sinal é inferior a 200 mVrms) | |
18 | GPIO0 | E/S | 0-3,3 V | O GPIO0 do chip de áudio integrado pode ser configurado como LRCK ao usar o modo I2S |
SA316-RX

| Pino Nº. | Nome do PIN | E/S | Nível padrão | Descrição |
| 1 | VCC | +3,3 V | Entrada de potência positiva (2,8 V-3,6 V, típico 3,3 V) | |
| 2, 7, 9, 13, 16, 19, 21, 23, 25, 27 | Terra | 0V | Conecte ao pólo negativo da fonte de alimentação | |
| 3 | TXD | O | 0-3,3 V | Saída de dados serial |
| 4 | RXD | EU | 0-3,3 V | Entrada de dados seriais |
| 5 | DEFINIR | EU | 0-3,3 V | Função temporariamente reservada |
| 6 | CS | EU | 0-3,3 V | Pino de suspensão do módulo (trabalho de baixo nível, suspensão de alto nível) |
| 8 | LIDERADO | O | 0-3,3 V | Indicação de saída, saída alta após receber sinal, baixa quando não há sinal |
| 10 | GPIO4 | E/0 | 0-3,3 V | GPIO4 do chip de áudio integrado |
| 11 | GPIO3 | E/S | 0-3,3 V | O GPIO3 do chip de áudio integrado pode ser configurado como MCLK ao usar o modo I2S |
| 12 | GPIO2 | E/S | 0-3,3 V | O GPIO2 do chip de áudio integrado pode ser configurado como SDIO ao usar o modo I2S |
| 15 | FORMIGA | EU | Entrada de sinal RF, conectar a antena de 50 ohms | |
| 17 | GPIO1 | E/S | 0-3,3 V | O GPIO1 do chip de áudio integrado pode ser configurado como SCK ao usar o modo I2S |
| 18 | GPIO0 | E/S | 0-3,3 V | O GPIO0 do chip de áudio integrado pode ser configurado como LRCK ao usar o modo I2S |
| 20 | AOL+ | O | Terminal negativo de saída de áudio do chip (até 600 mVrms) | |
| 22 | AOR+ | 0 | Terminal positivo de saída de áudio do chip (até 600 mVrms) | |
| 24 | LOUL LOUT+ | O | A saída de áudio amplificada é a saída do canal esquerdo, que pode acionar fones de ouvido diretamente após conectar capacitores de 100UF em série | |
| 26 | ROUT+ | O | A saída de áudio amplificada é a saída do canal direito, que pode acionar diretamente os fones de ouvido após conectar um capacitor de 100UF em série | |
| 28 | VOL_AJUST. | EU | Deixar flutuando |
SA316-TX

SA316-RX

SA316F30-TX

política de Privacidade
· Política de Privacidade
No momento não há conteúdo disponível
E-mail: sales@nicerf.com
Tel:+86-755-23080616