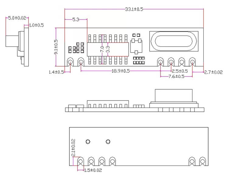
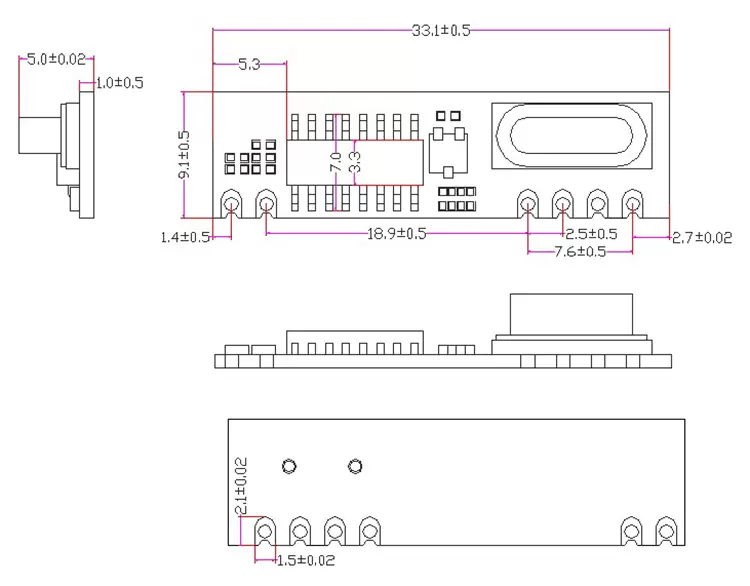
SRX887: Módulo receptor ASK super-heteródino de 315/433 MHz
Certificação: Outras
Frequência: 315MHz,433MHz
Tamanho (mm):33,1*9,1
| Parâmetro | Mín. | Tipo. | Máx. | Unidade | Doença |
| Condições de operação | |||||
| Tensão de alimentação | 3.0 | 5 | 5.5 | V | |
| Faixa de temperatura operacional | -20 | 70 | °C | ||
|
Latência | 20 | EM | @315MHz | ||
| 9 | EM | @433MHz | |||
| Consumo atual | |||||
|
Consumindo corrente | 3.7 | 5.0 | mA | @315MHz | |
| 5.0 | 6.0 | mA | @433MHz | ||
| <1 | uA | @CS=0 | |||
| Parâmetros de RF | |||||
|
Faixa de frequência | 433,82 | 433,92 | 434.02 | MHz | @433MHz |
| 314,9 | 315 | 315.1 | MHz | @315MHz | |
| Sensibilidade | -107 | -110 | dBm | @1Kbps | |
| Taxa de ar | 0,1 | 9.6 | kbps | ||
| Largura de banda do receptor | 200 | KHz | |||
| Modulação | PERGUNTAR |
| Freqüência | 315MHz,433MHz |

| Número PIN | Definições de pinos | Descrição |
| 1 | FORMIGA | Conecte com antena coaxial de 50 ohms |
| 2 | Terra | Conectado ao aterramento de energia |
| 3 | VCC | Fonte de alimentação positiva |
| 4 | CS | Nível baixo para habilitar o módulo, nível alto para entrar no modo de espera |
| 5 | DADOS | Saída de dados |
| 6 | Terra | Conectado ao aterramento de energia |

política de Privacidade
· Política de Privacidade
No momento não há conteúdo disponível
E-mail: sales@nicerf.com
Tel:+86-755-23080616