RF2401F20: nRF24L01+ 2,4 GHz CE-RED e FCC ID e IC ID e TELEC Módulo RF nórdico original certificado
Type: (G)FSK Front-End Modules
Certification: CE-RED,FCC ID,IC ID,TELEC
Modulation: (G)FSK
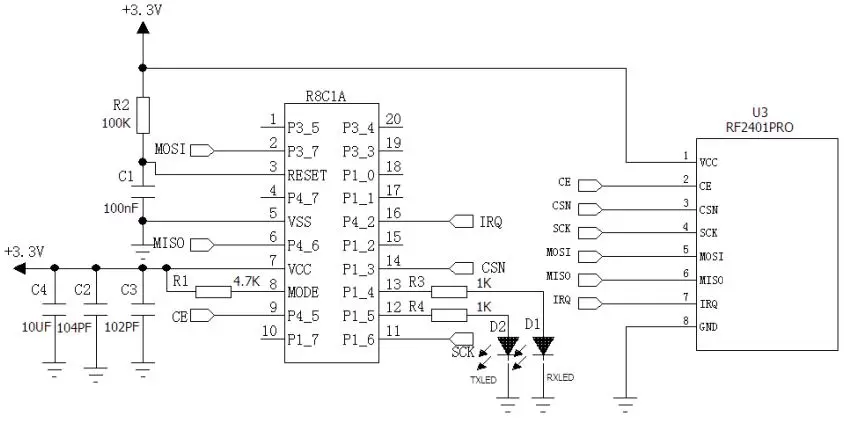
Chip: nRF24L01+
Interfacce: SPI
Output Power: 100mW
Frequency: 2.4GHz
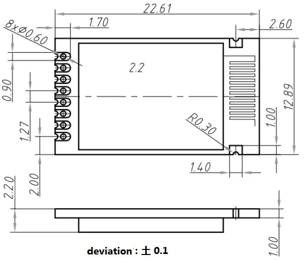
Tamanho (mm):20*13,02

Portuguese








