Type: (G)FSK Front-End Modules
Certification: FCC ID,IC ID
Modulation: (G)FSK
Chip: nRF24L01+
Interfacce: SPI
Output Power: 1mW
Frequency: 2.4GHz
Tamanho (mm):22,61*12,89
| Parâmetro | Mínimo | Tipo | Máx. | Unidade | Doença |
| Condição de operação | |||||
| Faixa de tensão de trabalho | 1.9 | 3.3 | 3.6 | V | |
| Tensão de temperatura | -40 | 85 | °C | ||
| Consumo atual | |||||
| Corrente RX | 23,5 | 24 | mA | ||
| Corrente TX | 135 | 150 | mA | @20dBm | |
| Corrente do sono | <1 |
| uA |
| |
| Parâmetro RF | |||||
| Faixa de frequência | 2400 |
| 2525 | MHz |
|
| Taxa de modulação | 250 |
| 2000 | Kbps | GFSK |
| Faixa de potência de transmissão | 4 |
| 20 | dBm | Potência 0=5dBm, 3=20dBm |
| Potência máxima de transmissão | 18,5 | 20 |
| dBm |
|
| Sensibilidade de recepção | -100 | -102 |
| dBm | @dados=250 kbps |
| Modulação | (G)FSK |
| Lasca | nRF24L01+ |
| Freqüência | 2,4 GHz |
| Potência de saída | 100mW |
| Certificação | FCC IC, CE-RED, IC ID, TELEC |
| Interface | SPI |


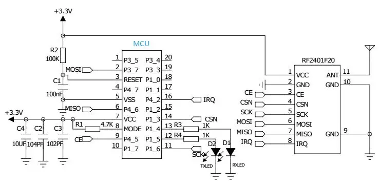
| Pino Nº. | Nome do PIN | Descrição |
| 1 | VCC | Fonte de alimentação positiva (1,9-3,6 V) |
| 2 | Terra | Conecte o pólo negativo da fonte de alimentação |
| 3 | CE | Seleção de chip para habilitar transmissão ou recepção |
| 4 | CSN | Seleção de chip SPI |
| 5 | SCK | Relógio serial para interface SPI |
| 6 | MOSI | Entrada de dados do escravo SPI |
| 7 | MISSÔ | Saída de dados do escravo SPI |
| 8 | IRQ | Pino de interrupção programável, ativo baixo |
| 9 | Terra | Conecte o pólo negativo da fonte de alimentação |
| 10 | Terra | Conecte o pólo negativo da fonte de alimentação |
| 11 | FORMIGA | Conecte com antena coaxial de 50 ohms |

política de Privacidade
· Política de Privacidade
No momento não há conteúdo disponível
E-mail: sales@nicerf.com
Tel:+86-755-23080616