RF4432X1: Transceptor de baixo custo Si4432 usando
Certificação: Outras
Modulação: (G)FSK
Lasca: si4432
Interface: SPI
Potência de saída: 100mW
Frequência: 315MHz,433MHz,470MHz,868MHz,915MHz
Size (mm):16*16
| Parâmetro | Mínimo | Tipo. | Máx. | Unidade | Doença |
| Condição de operação | |||||
| Faixa de tensão de trabalho | 1.8 | 3.3 | 3.6 | V | |
| Tensão de temperatura | -40 | 85 | °C | ||
| Consumo atual | |||||
| Corrente RX | 18,5 | mA | |||
| Corrente TX | 85 | mA | @20dBm | ||
| Corrente do sono | < 1 | uA | |||
| Parâmetro RF | |||||
| Faixa de frequência | 403 | 433 | 463 | MHz | @433MHz |
| 470 | 490 | 510 | MHz | @470MHz | |
| 838 | 868 | 898 | MHz | @868MHz | |
| 900 | 915 | 930 | MHz | @915MHz | |
| Taxa de modulação | 0,123 | 256 | Kbps | FSK | |
| Faixa de potência de saída | 1 | 20 | dBm | ||
| Sensibilidade de recepção | -121 | dBm | @Taxa de dados=1,2 Kbps | ||
| Modulação | (G)FSK |
| Lasca | si4432 |
| Freqüência | 315 MHz, 433 MHz, 470 MHz, 868 MHz, 915 MHz |
| Potência de saída | 100mW |
| Interface | SPI |


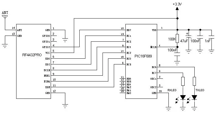
| Pino Nº. | Nome do PIN | Descrição |
| 1 | Terra | aterramento de energia |
| 2 | GPIO0 | O pino de controle do interruptor do transmissor é conectado dentro do módulo |
| 3 | GPIO1 | O pino de controle do interruptor do transmissor é conectado dentro do módulo |
| 4 | GPIO2 | Conecte diretamente ao pino GPIO2 do chip |
| 5 | VCC | Fonte de alimentação positiva 3,3V |
| 6 | SDO | Saída digital 0~VDD V, fornece função de leitura serial para registro de controle interno. |
| 7 | SDI | Entrada de dados serial. Entrada digital 0~VDD V. Este pino é um barramento de fluxo de dados serial de 4 fios. |
| 8 | SCLK | Entrada de relógio serial. Entrada digital 0~VDD V. Este pino fornece uma função de relógio de dados serial de 4 fios. |
| 9 | nSEL | Pino de entrada de seleção de interface serial. Entrada digital 0~VDD V. Este pino fornece a função de seleção/ativação para barramento de dados serial de 4 fios. Este sinal também é usado para indicar o modo de leitura/gravação em rajada. |
| 10 | nIRQ | Saída de interrupção |
| 11 | SDN | Pino de habilitação do chip. Entrada digital V 0~VDD. SDN=0 em todos os modos, exceto no modo de desligamento. Quando SDN=1, o chip será completamente desligado e o conteúdo do registrador será perdido. |
| 12 | Terra | aterramento de energia |
| 13 | Terra | aterramento de energia |
| 14 | FORMIGA | Conecte com antena coaxial de 50 ohms |


política de Privacidade
· Política de Privacidade
No momento não há conteúdo disponível
E-mail: sales@nicerf.com
Tel:+86-755-23080616