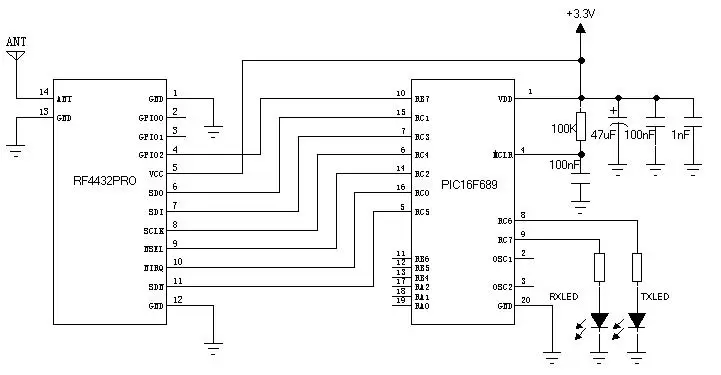
RF4432PRO: Módulo transmissor e receptor RF Si4432 433 MHz com certificação CE-RED
Type: (G)FSK Front-End Modules
Certification: CE-RED
Modulation: (G)FSK
Chip: si4432
Interfacce: SPI
Output Power: 100mW
Frequency: 433MHz
Tamanho (mm):17,3*17

Portuguese







