Type: LoRa Front-End Modules
Certification: KC,ANATEL
Modulation: LoRa
Interface: TTL
Output Power: 100mw
Frequency: 433MHz,470MHz,868MHz,915MHz
Network: MESH,Point-to-point
Tamanho (mm):39,55*22,93
O módulo LoRa II é uma nova série de módulos de comunicação sem fio de rede atualizados da NiceRF. Ele utiliza a avançada tecnologia de modulação de espectro espalhado LoRa por salto de frequência para alcançar alta sensibilidade. O poder de penetração e a distância de comunicação são muito superiores aos dos produtos FSK e GFSK atuais, além de possuir um sistema antiparasitário mais potente. Para atender às necessidades de aplicação de diferentes clientes, projetamos o software do módulo desta série como um sistema completo. Os usuários podem alternar entre diferentes modos de trabalho por meio do módulo de configuração do software para PC. No modo MESH, o módulo de roteamento possui roteamento automático. A função permite que o usuário forme uma transmissão em rede sem zona cega e sem limitação de distância por meio da combinação de vários módulos. Ao mesmo tempo, os usuários também podem criptografar dados sem fio AES128 por meio do software para PC ou instruções da porta serial, tornando a transmissão de dados mais segura.
O módulo LoRa6100II foi projetado para potência de saída de 1 W sob a alimentação de uma bateria de lítio de célula única e possui design compacto integrado, amplamente utilizado em indústrias de controle de transmissão remota sem fio.
O LoRa6100II utiliza rigorosamente um processo sem chumbo para produção e testes, e atende aos padrões RoHS e Reach.
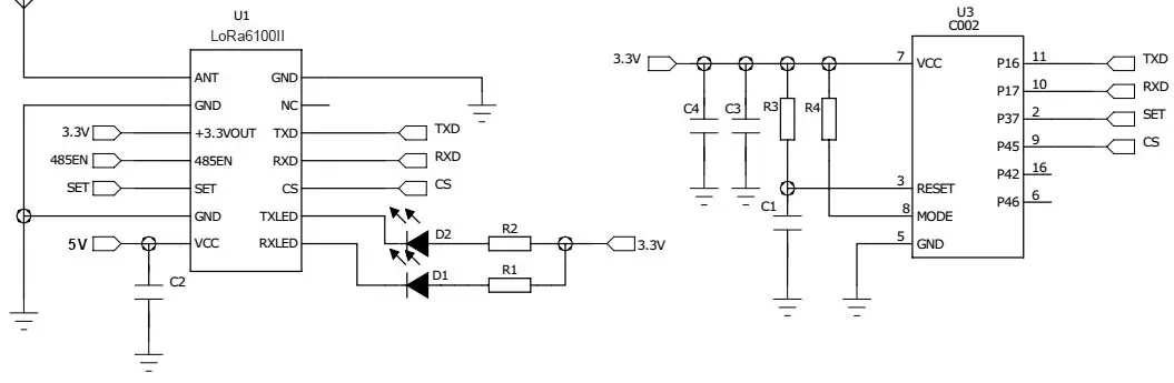
Observação: O módulo é regulado internamente por um LDO de 3,3 V. Os pinos CS e SET controlam níveis de 3,3 V. TXD e RXD também são níveis de 3,3 V.
| Parâmetros | Mín. | Tipo. | Máx. | Unidade | Doença |
| Condição de trabalho | |||||
| Faixa de tensão | 3.4 | 4.0 | 5.5 | V | |
| Temperatura de operação | -40 | 25 | +85 | °C | |
| Consumo atual | |||||
| Corrente Rx | <8 | mA | Nível TTL | ||
| Corrente Tx | < 800 | mA | @5v,31dBm 433/470MHz | ||
| < 1100 | mA | @5v,31dBm 868/915MHz | |||
| Corrente do sono | < 240 | uA | |||
| <40 | uA | Baixo consumo de energia | |||
| Parâmetros de RF | |||||
| Faixa de frequência | 414,92 | 433,92 | 453,92 | MHz | @433MHz |
| 470,92 | 489,92 | 509,92 | MHz | @470MHz | |
| 849,92 | 868,92 | 888,92 | MHz | @868MHz | |
| 895,92 | 914,92 | 934,92 | MHz | @915MHz | |
| Taxa de dados | 1312 | 62500 | bps | @LoRa | |
| Potência de saída | 18 | 30 | +31 | dBm | Nível de software 7 ajustável |
| Sensibilidade | -129 | dBm | @1312bps | ||
| Interface | TTL |
| Rede | MALHA |
| Freqüência | 433 MHz, 470 MHz, 868 MHz, 915 MHz |
| Modulação | LoRa |
| Potência de saída | 1W |
Método de criptografia de dados AES128
Nenhuma zona cega sem limitação de distância
A distância de transmissão em área aberta de um único módulo é de 8 a 10 km a uma taxa baixa
Banda de frequência: 433/470/868/915 MHz para opção
Até 40 canais de comunicação na mesma banda de frequência
Parâmetros de porta serial diversificados
Faixa de tensão de operação: 3,4 ~ 5,5 V
Função LBT (ouvir antes de falar) opcional
Nó/rota/nó+rota opcional no modo MESH
Circuito de proteção de reinicialização de hardware integrado
Modulação LoRa
Interface TTL
Sensibilidade de até -129 dBm@1,3Kbps
Potência máxima de saída: 1 W (@ 5 V)
Faixa de temperatura de operação: -40 ~ +85 °C


| NÃO. | ALFINETE | Descrição |
| 1 | LED RX | Indicador de sinal de recepção, nível baixo, padrão alto |
| 2 | TXLED | Indicador de sinal de transmissão, nível baixo, alto padrão |
| 3 | CS | Pino de habilitação do módulo (pull-up integrado) Observação: Versão padrão de fábrica: corrente de suspensão <240uA, CS em nível alto ou suspenso para comunicação normal, suspensão em nível baixo; Versão de baixo consumo de energia: corrente de suspensão <40uA, comunicação normal quando CS em nível baixo, suspensão em nível alto ou flutuação para suspensão. |
| 4 | RXD | Recepção de dados de comunicação serial |
| 5 | TXD | Transmissão de dados de comunicação serial |
| 6 | NC | Não adianta |
| 7 | Terra | Antena de aterramento |
| 8 | FORMIGA | Saída de sinal RF, conectada a uma antena de 50 ohms |
| 9 | Terra | Antena de aterramento |
| 10 | +3,3 V SAÍDA | Pino de saída de tensão de 3,3 V, pode acionar dispositivos dentro de 50 mA |
| 11 | 485EN | Pode ser conectado ao pino de conversão de controle de nível de expansão externa 485 |
| 12 | DEFINIR | Habilitar parâmetro de configuração (configuração de parâmetro de habilitação de baixo nível, saída de alto nível padrão) |
| 13 | Terra | Conecte o pólo negativo da fonte de alimentação, fio terra |
| 14 | VCC | Conecte o pólo positivo da fonte de alimentação (normalmente 4V) |

política de Privacidade
· Política de Privacidade
No momento não há conteúdo disponível
E-mail: sales@nicerf.com
Tel:+86-755-23080616