SA628F22: Módulo de áudio sem fio full duplex com taxa de amostragem de 8K
Type: Wireless Audio
Certification: Others
Output Power: 160mW
Tamanho (mm):48,1*33,9
| Parâmetro | Condições de teste | Mín. | Tipo. | Máx. | Unidade |
| Tensão de operação | 2.3 | 3.3 | 3.6 | V | |
| temperatura de trabalho | -30 | 25 | 70 | °C | |
| Consumo atual | |||||
| Corrente do sono | 12 | uA | |||
| Corrente RX | @ Sem saída de áudio | 50 | mA | ||
| @8Ω, saída de áudio de 1W | 300 | ||||
| Corrente TX | 3,3 V, a 22 dBm | 110 | mA | ||
| Parâmetro RF | |||||
| Frequência de operação | UHF | 420 | 510 | MHz | |
| Frequência personalizável | 150 | 960 | MHz | ||
| Valor de frequência padrão para 16 canais | UHF (intervalo de 1 MHz) | 440.125 | 455.125 | MHz | |
| Transmitir potência | Padrão: 22dBm | 0 | 22 | dBm | |
| Segundo Harmônico | -40 | dBm | |||
| Largura de banda (BW) | 500 | KHz | |||
| Sensibilidade de recepção | -117 | dBm | |||
| Parâmetros de áudio | |||||
| Sensibilidade de modulação | 10 | 100 | mV | ||
| Relação sinal-ruído (SNR) de recepção | 90 | dB | |||
| resposta de frequência | 60 | 3800 | Hz | ||
| Saída de áudio (saída de linha) | Carga 16 Ω | 40 | mW | ||
| Parâmetros de atraso | 2 canais | 80 | 100 | 120 | EM |
| 3 canais | 120 | 160 | 180 | EM | |
| 4 canais | 160 | 200 | 240 | EM | |
| 6 canais | 240 | 300 | 360 | EM | |
| 8 canais | 320 | 400 | 480 | EM | |
| Tipo | áudio sem fio |
| Potência de saída | 160mW |

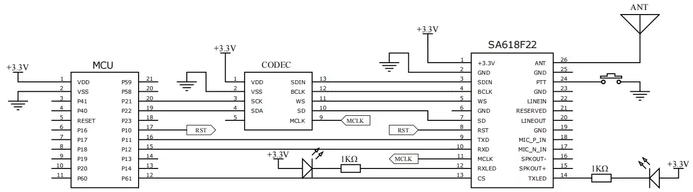
Circuito de aplicação de entrada e saída analógica (amplificador de áudio externo)



| Pino Nº. | Nome do PIN | E/S | Descrição |
| 1 | +3,3 V | 2,3-3,6 V | |
| 2,6,19,23,25 | Terra | Chão | |
| 3 | SDIN | EU | I2S externo (0-3,3 V) |
| 4 | BCLK | O | I2S externo (0-3,3 V) |
| 5 | WS | O | I2S externo (0-3,3 V) |
| 7 | SD | O | I2S externo (0-3,3 V) |
| 8 | RST | EU | Pino de reinicialização do módulo, puxe para baixo externamente por mais de 5 ms para reinicializar o módulo |
| 9 | TXD | O | Comunicação serial |
| 10 | RXD | EU | Comunicação serial |
| 11 | MCLK | O | I2S externo (0-3,3 V) |
| 12 | LED RX | O | Indicador de recepção, conectado com LED externo, acende pela saída de baixo nível quando dados ou voz são recebidos (sugiro resistor de 1K ohm para limitação de corrente) |
| 13 | CS | EU | Entrada flutuante, nível baixo para entrar no modo de espera |
| 14 | TXLED | O | Indicador de transmissão, conectado com LED externo, ligado por saída de baixo nível quando dados ou voz estão sendo transmitidos (sugiro resistor de 1K ohm para limitação de corrente) |
| 15 | SPKOUT+ | O | Conexão externa de alto-falante de 8Ω 2W |
| 16 | SPKOUT- | O | Conexão externa de alto-falante de 8Ω 2W |
| 17 | MIC_N_IN | EU | Eletrodo negativo do microfone externo |
| 18 | MIC_P_IN | EU | Eletrodo positivo do microfone externo |
| 20 | SAÍDA DE LINHA | O | Conectado com fones de ouvido de 16 Ω |
| 21 | Reservado | NC | |
| 22 | LINHA_ENTRADA | EU | Entrada de linha, máximo 1VRMS |
| 24 | PTT | EU | Pressione para falar, puxe para baixo para entrar no modo de transmissão, puxe para cima ou deixe aberto para entrar no modo de recepção, puxe para cima internamente, |
| 26 | FORMIGA | Conectado com antena de 50ohm |

política de Privacidade
· Política de Privacidade
No momento não há conteúdo disponível
E-mail: sales@nicerf.com
Tel:+86-755-23080616