SA618F30-DZ: Módulo de áudio full-duplex com relé multinível de 1 W e 8 antenas duplas, taxa de amostragem de 8 K e proteção ESD
Modelo: Áudio sem fio
Certificação: Outras
Potência de saída: 1W
Tamanho (mm):39,3*24,0
| Parâmetro | Condições de teste | Mín. | Tipo. | Máx. | Unidade |
| Tensão de operação | 3.3 | 4.2 | 5.5 | V | |
| temperatura de trabalho | -30 | 25 | 70 | °C | |
| Consumo atual | |||||
| Corrente do sono | 10 | 20 | uA | ||
| Corrente RX | @ Sem saída de áudio | 50 | 55 | mA | |
| @8Ω, saída de áudio de 1W | |||||
| Corrente TX | 4v,@30dBm | 450 | 550 | mA | |
| Parâmetro RF | |||||
| Frequência de operação | UHF | 410 | 480 | MHz | |
| Frequência personalizável | 150 | 960 | MHz | ||
| Valor de frequência padrão para 16 canais | UHF (intervalo de 1 MHz) | 440.125 | 455.125 | MHz | |
| Transmitir potência | @5V | 16 | 32 | dBm | |
| Largura de banda (BW) | 500 | KHz | |||
| Sensibilidade de recepção | -117 | dBm | |||
| Parâmetros de áudio | |||||
| Sensibilidade de modulação | 10 | 100 | mV | ||
| Relação sinal-ruído (SNR) de recepção | 90 | dB | |||
| Resposta de frequência | 60 | 3800 | Hz | ||
| Saída de áudio (saída de linha) | Carga 16 Ω | 40 | mW | ||
| Parâmetros de atraso | 2 canais | 80 | 100 | 120 | EM |
| 3 canais | 120 | 160 | 180 | EM | |
| 4 canais | 160 | 200 | 240 | EM | |
| 6 canais | 240 | 300 | 360 | EM | |
| 8 canais | 320 | 400 | 480 | EM | |
| Tipo | áudio sem fio |
| Potência de saída | 1 W |
Características
Aplicações
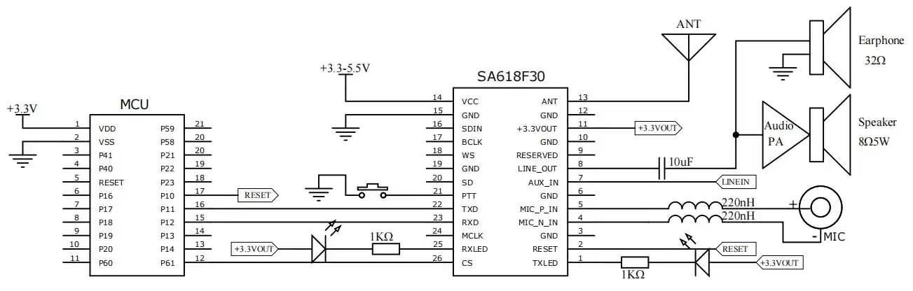
Circuito de aplicação de entrada e saída analógica

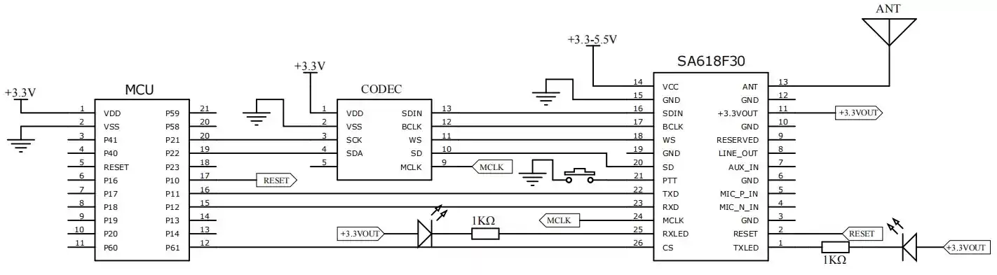
Circuito de aplicação de entrada e saída I2S


| Pino Nº. | Nome do PIN | E/S | Descrição |
| 1 | TXLED | O | Indicador de transmissão, conectado com LED externo, ligado por saída de baixo nível quando dados ou voz estão sendo transmitidos (sugiro resistor de 1K ohm para limitação de corrente) |
| 2 | RST | EU | Pino de reinicialização do módulo, puxe para baixo externamente por mais de 5 ms para reinicializar o módulo |
| 3, 6, 10, 12,15,19 | Terra | Chão | |
| 4 | MIC_N_IN | EU | Eletrodo negativo do microfone externo, conectado em série com indutância de 220 nH, consulte o circuito típico abaixo. |
| 5 | MIC_P_IN | EU | Eletrodo positivo do microfone externo, conectado em série com indutância de 220 nH, consulte o circuito típico abaixo. |
| 7 | Auxinas | EU | Entrada de linha e entrada de microfone |
| 8 | SAÍDA DE LINHA | O | Conectado com fones de ouvido de 16 Ω |
| 9 | Reservado | NC | |
| 11 | Saída +3,3 V | O | Saída reguladora de 3,3 V, carga máxima de 50 mA |
| 13 | FORMIGA | Conectado com antena de 50ohm | |
| 14 | VCC | Fonte de alimentação (3,3 – 5,5 V) | |
| 16 | SDIN | EU | Conectado com dispositivo I2S externo, (0 – 3,3 V) |
| 17 | BCLK | O | |
| 18 | WS | O | |
| 20 | SD | O | |
| 21 | PTT | EU | Pressione para falar, puxe para baixo para entrar no modo de transmissão, puxe para cima ou deixe aberto para entrar no modo de recepção, puxe para cima internamente, |
| 22 | TXD | O | Comunicação serial |
| 23 | RXD | EU | Comunicação serial |
| 24 | MCLK | O | Conectado com dispositivo I2S externo (0-3,3 V) |
| 25 | LED RX | O | Indicador de recepção, conectado com LED externo, acende pela saída de baixo nível quando dados ou voz são recebidos (sugiro resistor de 1K ohm para limitação de corrente) |
| 26 | CS | EU | Entrada flutuante, nível baixo para entrar no modo de espera |
Espessura: 3,2 mm

política de Privacidade
· Política de Privacidade
No momento não há conteúdo disponível
E-mail: sales@nicerf.com
Tel:+86-755-23080616