Modelo: Áudio sem fio
Certificação: Outras
Potência de saída: 1W
Tamanho (mm):39,3 mm x 24 mm
Parâmetro | Condições de teste | Mín. | Tipo. | Máx. | Unidade |
Tensão de operação |
| 3.3 | 4.2 | 5.5 | V |
temperatura de trabalho |
| -30 | 25 | 70 | °C |
Consumo atual | |||||
Corrente do sono |
|
| 10 | 20 | uA |
Corrente RX | @ Sem saída de áudio |
| 50 | 55 | mA |
@8Ω, saída de áudio de 1W |
|
|
| ||
Corrente TX | 4v,@30dBm |
| 450 | 550 | mA |
Parâmetro RF | |||||
Frequência de operação | UHF | 410 |
| 490 | MHz |
Frequência personalizável |
| 150 |
| 960 | MHz |
Valor de frequência padrão para 16 canais | UHF (intervalo de 1 MHz) | 440.125 |
| 455.125 | MHz
|
Transmitir potência | @5V | 16 |
| 32 | dBm |
Largura de banda (BW) |
|
| 500 |
| KHz |
Sensibilidade de recepção |
|
| -117 |
| dBm |
Parâmetros de áudio | |||||
Sensibilidade de modulação |
|
| 10 | 100 | mV |
Relação sinal-ruído (SNR) de recepção |
|
| 90 |
| dB |
Resposta de frequência |
| 60 |
| 3800 | Hz |
Saída de áudio (saída de linha) | Carga 16 Ω |
|
| 40 | mW |
Parâmetros de atraso | 2 canais | 80 | 100 | 120 | EM |
3 canais | 120 | 160 | 180 | EM | |
4 canais | 160 | 200 | 240 | EM | |
6 canais | 240 | 300 | 360 | EM | |
8 canais | 320 | 400 | 480 | EM | |
| Tipo | áudio sem fio |
| Potência de saída | 1 W |
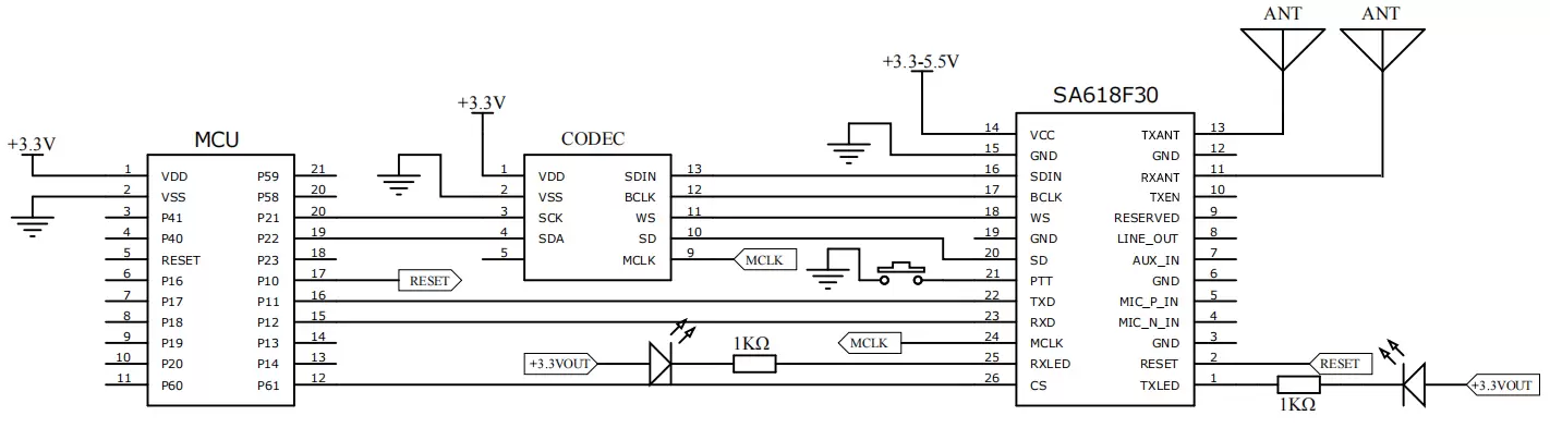
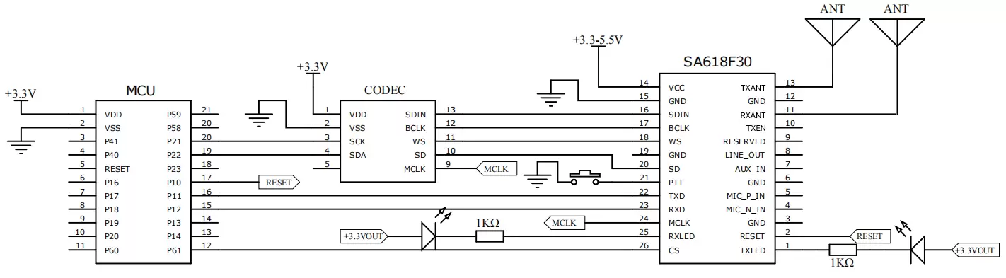
n Um circuito de aplicação de entrada analógica e saída analógica

circuito de aplicação de entrada e saída n I2S


Pino Nº. | Nome do PIN | E/S | Descrição |
1 | TXLED | O | Indicador de transmissão, conectado com LED externo, ligado por saída de baixo nível quando dados ou voz estão sendo transmitidos (sugiro resistor de 1K ohm para limitação de corrente) |
2 | REINICIAR | EU | Pino de reinicialização do módulo, puxe para baixo externamente por mais de 5 ms para reinicializar o módulo |
3,6,10, 12,14,15,19 | Terra | Conecte ao negativo de energia | |
4 | MIC_N_IN | EU | Eletrodo negativo do microfone externo, conectado em série com indutância de 220 nH, consulte o circuito típico abaixo. |
5 | MIC_P_IN | EU | Eletrodo positivo do microfone externo, conectado em série com indutância de 220 nH, consulte o circuito típico abaixo. |
7 | AUXINAS | EU | Entrada de linha e entrada de microfone |
8 | SAÍDA DE LINHA | O | Conectado com fones de ouvido de 16 Ω |
9 | RESERVADO | NC | |
10 | TXEN | O | Pino de habilitação de transmissão, saídas de nível alto (3,3 V) ao transmitir, nível baixo ao receber |
11 | RXANT | O | Entrada de sinal RF para recepção, conectar a antena de 50 ohms |
13 | TXANT | O | Saída de sinal RF para transmissão, conectar a antena de 50 ohms |
14 | VCC | Fonte de alimentação (3,3 – 5,5 V) | |
16 | SDIN | EU | Conectado com dispositivo I2S externo, (0 – 3,3 V) |
17 | BCLK | O | |
18 | WS | O | |
20 | SD | O | |
21 | PTT | EU | Pressione para falar, puxe para baixo para entrar no modo de transmissão, puxe para cima ou deixe aberto para entrar no modo de recepção, puxe para cima internamente, |
22 | TXD | O | Comunicação serial |
23 | RXD | EU | Comunicação serial |
24 | MCLK | O | Conectado com dispositivo I2S externo (0-3,3 V) |
25 | LED RX | O | Indicador de recepção, conectado com LED externo, acende pela saída de baixo nível quando dados ou voz são recebidos (sugiro resistor de 1K ohm para limitação de corrente) |
26 | CS | EU | Entrada flutuante, nível baixo para entrar no modo de espera |

política de Privacidade
· Política de Privacidade
No momento não há conteúdo disponível
E-mail: sales@nicerf.com
Tel:+86-755-23080616