Modelo: Módulos Front-End LoRa
Certificação: CE-RED
Modulação: LoRa
Lasca: LLCC68
Interface: SPI
Potência de saída: 160mW
Frequência: 868MHz
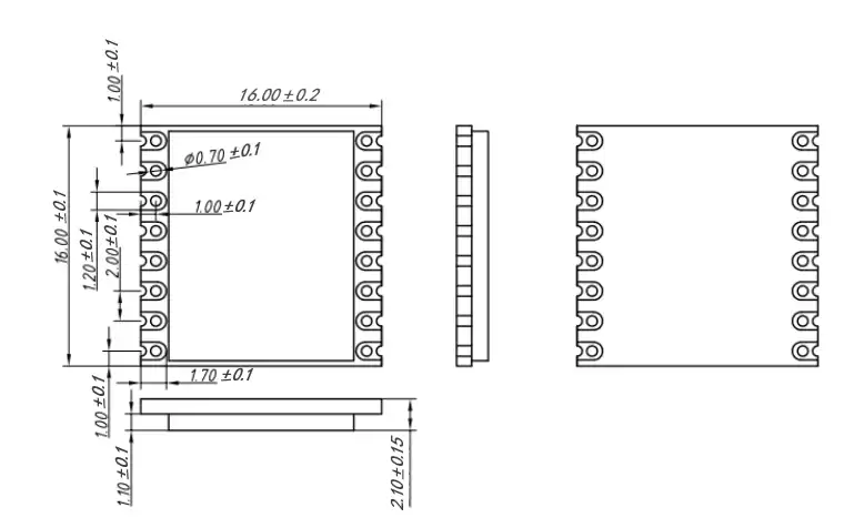
Tamanho (mm):16*16
★Observação: O módulo de envio padrão usa um oscilador de cristal industrial de 10 ppm. O oscilador de cristal TCXO é opcional para requisitos especiais:
| Parâmetro | Mín. | Tipo. | Máx. | Unidade | Doença |
| Condição de operação (Vcc = 3,3 V, ANT @ 50 ohm) | |||||
| Tensão de trabalho | 1.8 | 3.3 | 3.7 | V | |
| Faixa de temperatura | -40 | 25 | 85 | °C | |
| Consumo atual | |||||
| Corrente RX | < 5 | mA | Oscilador de cristal de @10ppm | ||
| Corrente TX | < 130 | mA | @868MHz @915MHz | ||
| < 110 | mA | @433MHz @490MHz | |||
| Corrente do sono | 1.9 | uA | Modo OFF (modo SLEEP com partida a frio) Todos os blocos desligados | ||
| 2.3 | uA | Modo SLEEP (modo SLEEP com partida a quente) Configuração mantida | |||
| 2.9 | uA | Modo SLEEP (modo SLEEP com partida a quente) Configuração mantida + RC64k | |||
| 0,56 | mA | Modo STDBY_RC, RC13M, XOSC OFF | |||
| 2,35 | mA | Modo STDBY_XOSC, XOSC LIGADO | |||
| Parâmetro RF | |||||
| Faixa de frequência | 400 | 433 | 450 | MHz | @433MHz |
| 470 | 490 | 510 | MHz | @490MHz | |
| 848 | 868 | 888 | MHz | @868MHz | |
| 900 | 915 | 940 | MHz | @915MHz | |
| Potência de saída | -15 | 22 | dBm | ||
| Sensibilidade de recepção | -129 | dBm | @LoRa BW=250KHz_SF = 10_CR=4/5 | ||
| Interface | SPI |
| Lasca | LLCC68 |
| Freqüência | 433 MHz, 470 MHz, 868 MHz, 915 MHz |
| Modulação | LoRa |
| Potência de saída | 160mW |
| Certificação | ID da FCC, CE-RED |


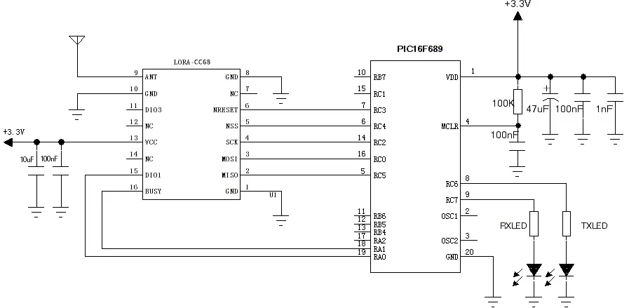
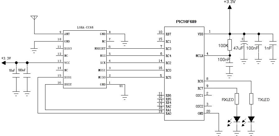
| Pino Nº. | Nome do PIN | Descrição |
| 1 | Terra | aterramento de energia |
| 2 | MISSÔ | Saída SPI |
| 3 | MOSI | Entrada SPI |
| 4 | SCK | Relógio serial |
| 5 | NSS | Habilitar SPI |
| 6 | NRESET | Redefinir entrada |
| 7, 12 e 14 | NC | Vazio |
| 8 | Terra | aterramento de energia |
| 9 | FORMIGA | Conecte com antena de 50 ohms |
| 10 | Terra | aterramento de energia |
| 11 | DIO3 | Pode ser personalizado como indicação de sinal de interrupção, detalhes na folha de dados do chip (Observação: saída para controlar TCXO quando o cristal TCXO é usado) |
| 13 | VCC | Fonte de alimentação (padrão 3,3 V) |
| 15 | DIO1 | Pode ser personalizado como indicação de sinal de interrupção, detalhes na folha de dados do chip |
| 16 | OCUPADO | Usado para indicação de status, consulte a folha de dados para obter detalhes |

política de Privacidade
· Política de Privacidade
No momento não há conteúdo disponível
E-mail: sales@nicerf.com
Tel:+86-755-23080616