Type: LoRa Front-End Modules
Certification: FCC ID
Modulation: LoRa
Chip: SX1276
Interface: SPI
Output Power: 100mW
Frequency: 915MHz
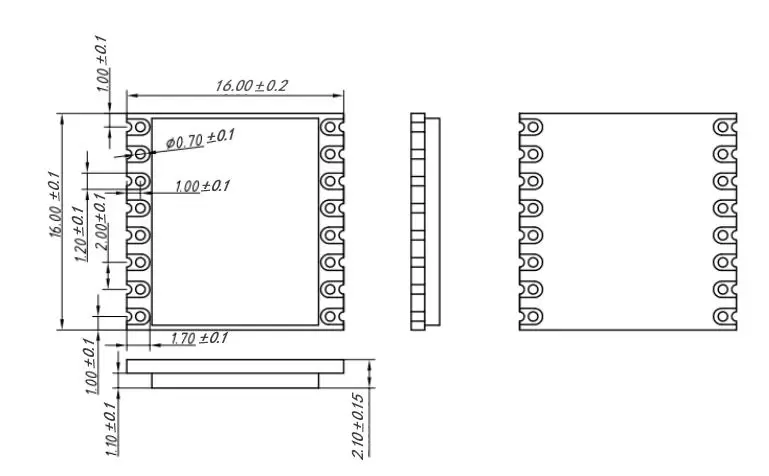
Tamanho (mm):17,3*17
| Parâmetro | Mínimo | Tipo. | Máx. | Unidade | Doença |
| Condição de operação | |||||
| Tensão de trabalho | 1.8 | 3.3 | 3.7 | V | |
| Faixa de temperatura | -40 | 85 | °C | ||
| Consumo atual | |||||
| Corrente RX | 10.8 | mA | |||
| Corrente TX | 120 | mA | @20dBm | ||
| Corrente do sono | 1 | uA | |||
| Parâmetro RF | |||||
| Faixa de frequência | 848 | 868 | 888 | MHz | @868MHz |
|
Taxa de dados | 1.2 | 300 | Kbps | FSK | |
| 0,018 | 37,5 | Kbps | LoRa | ||
| Potência de saída | -1 | 20 | dBm | ||
|
Sensibilidade de recepção | -123 | dBm | Dados @FSK=1,2 kbps, Fdev=10 kHz | ||
| -139 | dBm | @LoRa BW=125KHz_SF = 12_CR=4/5 | |||
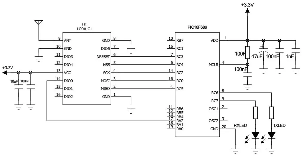
| Interface | SPI |
| Lasca | SX1276 |
| Freqüência | 868MHz |
| Modulação | LoRa |
| Potência de saída | 100mW |
| Certificação | CE-RED |


| Pino Nº. | Nome do PIN | Descrição |
| 1 | Terra | aterramento de energia |
| 2 | MISSÔ | Saída SPI para dados SPI |
| 3 | MOSI | Entrada SPI para dados SPI |
| 4 | SCK | Relógio serial para interface SPI |
| 5 | NSS | Habilitar SPI |
| 6 | NRESET | Redefinir entrada |
| 7 | DIO5 | E/S digital, personalizável |
| 8 | Terra | aterramento de energia |
| 9 | FORMIGA | Conecte com antena coaxial de 50 ohms |
| 10 | Terra | aterramento de energia |
| 11 | DIO3 | E/S digital, personalizável |
| 12 | DIO4 | E/S digital, personalizável |
| 13 | VCC | Fonte de alimentação conectada (padrão 3,3 V) |
| 14 | DIO0 | E/S digital, personalizável |
| 15 | DIO1 | E/S digital, personalizável |
| 16 | DIO2 | E/S digital, personalizável |

política de Privacidade
· Política de Privacidade
No momento não há conteúdo disponível
E-mail: sales@nicerf.com
Tel:+86-755-23080616