Type: (G)FSK Front-End Modules,LoRa Front-End Modules
Certification: FCC ID,IC ID
Modulation: LoRa
Chip: SX1276
Interface: SPI
Output Power: 100mW
Frequency: 915MHz
Tamanho (mm):16*16
| Parâmetro | Mín. | Tipo. | Máx. | Unidade | Doença |
| Condição de operação | |||||
| Tensão de trabalho | 1.8 | 3.3 | 3.7 | V | |
| Faixa de temperatura | -40 | 85 | °C | ||
| Consumo atual | |||||
| Corrente RX | 10.8 | mA | |||
| Corrente TX | 120 | mA | @20dBm | ||
| Corrente do sono | 1 | uA | |||
| Parâmetro RF | |||||
| Faixa de frequência | 900 | 915 | 940 | MHz | @915MHz |
| Taxa de dados | 1.2 | 300 | Kbps | FSK | |
| 0,018 | 37,5 | Kbps | Lora | ||
| Potência de saída | -1 | 20 | dBm | ||
| Sensibilidade de recepção | -123 | dBm | Dados @FSK=1,2 kbps, Fdev=10 kHz | ||
| -139 | dBm | @Lora BW=125KHz_SF = 12_CR=4/5 | |||
| Interface | SPI |
| Lasca | SX1276 |
| Freqüência | 915MHz |
| Modulação | LoRa |
| Potência de saída | 100mW |
| Certificação | Identificação da FCC |


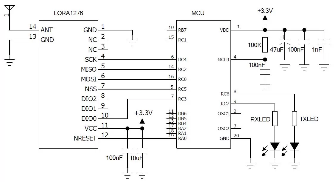
| Pino Nº. | Nome do PIN | Descrição |
| 1 | Terra | aterramento de energia |
| 2 | NC | Vazio |
| 3 | NC | Vazio |
| 4 | SCK | Relógio serial para interface SPI |
| 5 | MISSÔ | Saída SPI para dados SPI |
| 6 | MOSI | Entrada SPI para dados SPI |
| 7 | NSS | Habilitar SPI |
| 8 | DIO2 | E/S digital, personalizável |
| 9 | DIO1 | E/S digital, personalizável |
| 10 | DIO0 | E/S digital, personalizável |
| 11 | VCC | Fonte de alimentação conectada (padrão 3,3 V) |
| 12 | NRESET | Redefinir entrada |
| 13 | Terra | aterramento de energia |
| 14 | FORMIGA | Conecte com antena coaxial de 50 ohms |

política de Privacidade
· Política de Privacidade
No momento não há conteúdo disponível
E-mail: sales@nicerf.com
Tel:+86-755-23080616