Type: LoRa Front-End Modules
Certification: FCC ID
Modulation: LoRa
Chip: SX1262
Interface: SPI
Output Power: 160mW
Frequency: 915MHz
Tamanho (mm):16*16
O módulo LoRa1121 utiliza o chip LR1121 da SEMTECH, um transceptor de longo alcance e ultrabaixo consumo de energia que suporta tanto a banda ISM global quanto a comunicação de 2,4 GHz. O LoRa1121 suporta modulação LoRa e (G)FSK nas bandas Sub-GHz e 2,4 GHz, bem como modulação Sigfox® na banda Sub-GHz e espectro espalhado de salto de frequência de longo alcance (LR-FHSS) nas bandas ISM Sub-GHz, 1,9-2,1 GHz e 2,4 GHz. O LR1121 atende aos requisitos de camada física das especificações LoRaWAN® divulgadas pela LoRa Alliance®, mantendo-se altamente configurável para atender às necessidades de diversas aplicações e protocolos proprietários.
O LoRa1121 é produzido e testado rigorosamente usando processos sem chumbo e está em conformidade com os padrões RoHS e REACH. O LoRa1121 obteve a certificação FCC e CE.
Bandas Sub-GHz: 433/470MHz/868/915MHz
Faixa de frequência personalizável: 150~960 MHzBanda 2.4G: 2400-2500MHz
Banda S: 1900MHz-2200MHz
Sensibilidade da banda S: até -132 dBm@ BW=125 KHz, SF=12
Sensibilidade de recepção de 2,4 GHz: até -129 dBm @ BW = 406 KHz, SF = 7
Sensibilidade de recepção sub-GHz: até -144dBm @ BW=62,5 KHz, SF=12
Circuito de proteção eletrostática integrado
Suporta LR-FHSS
Suporta protocolos LoRaWAN e Sigfox
Suporta criptografia e descriptografia AES-128
A potência do transmissor é ajustável, até 22dBm
Corrente de sono ≤ 1µA
Corrente de recepção < 7mA
Tamanho pequeno, design de furo de carimbo
Drones
Casa inteligente
Agricultura inteligente
Irrigação remota
Fabricação industrial


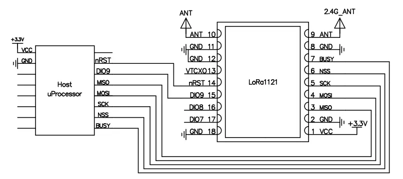
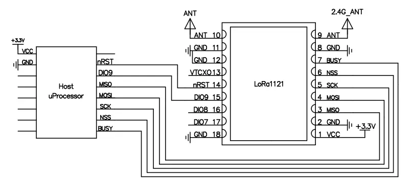
Pino Nº. | Nome do PIN | E/S | Descrição |
1 | VCC | Conecte à fonte de alimentação positiva. | |
2,8 , 11 , 12 | Terra | Conecte à fonte de alimentação negativa. | |
3 | MISSÔ | O | Saída de dados SPI |
4 | MOSI | EU | Entrada de dados SPI |
5 | SCK | EU | Entrada de relógio SPI |
6 | NSS | EU | Entrada de seleção de chip SPI |
7 | OCUPADO | O | Usado para indicação de status, consulte a folha de dados do chip para obter detalhes |
9 | 2.4/S_ANT | Interface de antena de banda 2.4G e S, antena externa de 50 ohms. | |
10 | ANTA ANT | Interface de antena de banda @sub-GHz, antena externa de 50 ohms. | |
13 | VTCXO | O | Pode fornecer energia para um TCXO externo. |
14 | RST | EU | Reinicie a entrada do gatilho, consulte a folha de dados do chip para obter detalhes. |
15 | DIO9 | IO | Interface digital multifuncional, consulte a folha de dados do chip para obter detalhes. |
16 | DIO8 | IO | Interface digital multifuncional, consulte a folha de dados do chip para obter detalhes. |
17 | DIO7 | IO | Interface digital multifuncional, consulte a folha de dados do chip para obter detalhes. |

política de Privacidade
· Política de Privacidade
No momento não há conteúdo disponível
E-mail: sales@nicerf.com
Tel:+86-755-23080616