Certificação: CE-RED,Identificação da FCC
Modulação: LoRa
Lasca: SX1281
Interface: SPI
Potência de saída: 20mW
Frequência: 2,4 GHz
Tamanho (mm):16*16
| Parâmetro | Mín. | Tipo. | Máx. | Unidade | Doença |
| Condição de operação | |||||
| Tensão de trabalho | 1.8 | 3.3 | 3.7 | V | |
| Faixa de temperatura | -40 | 25 | 85 | °C | |
| Consumo atual | |||||
| Corrente RX | < 6,5 | mA | @TCXO Crystal (padrão 2,8 V, 1,8 V opcional) | ||
| Corrente TX | < 130 | mA | @868MHz | ||
| Corrente do sono | 1.9 | uA | Modo OFF (modo SLEEP com partida a frio) Todos os blocos desligados | ||
| 2.3 | uA | Modo SLEEP (modo SLEEP com partida a quente) Configuração mantida | |||
| 2.9 | uA | Modo SLEEP (modo SLEEP com partida a quente) Configuração mantida + RC64k | |||
| 0,56 | mA | Modo STDBY_RC, RC13M, XOSC OFF | |||
| 2,35 | mA | Modo STDBY_XOSC, XOSC LIGADO | |||
| Parâmetro RF | |||||
| Faixa de frequência | 848 | 868 | 888 | MHz | @868MHz |
| Potência de saída | -15 | 22 | dBm | ||
| Sensibilidade de recepção | -133 | dBm | @LoRa BW=125KHz_SF = 10_CR=4/5 | ||
| Interface | SPI |
| Lasca | SX1262 |
| Freqüência | 868MHz |
| Modulação | LoRa |
| Potência de saída | 160mW |
| Certificação | CE-RED |


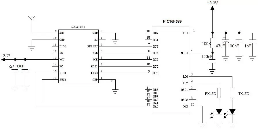
| Pino Nº. | Nome do PIN | Descrição |
| 1 | Terra | aterramento de energia |
| 2 | MISSÔ | Saída SPI para dados SPI |
| 3 | MOSI | Entrada SPI para dados SPI |
| 4 | SCK | Relógio serial para interface SPI |
| 5 | NSS | Habilitar SPI |
| 6 | NRESET | Redefinir entrada |
| 7, 12 e 14 | NC | Vazio |
| 8 | Terra | aterramento de energia |
| 9 | FORMIGA | Conecte com antena coaxial de 50 ohms |
| 10 | Terra | aterramento de energia |
| 11 | DIO3 | E/S digitais |
| 13 | VCC | Fonte de alimentação conectada (padrão 3,3 V) |
| 15 | DIO1 | E/S digitais |
| 16 | OCUPADO | Usado para indicação de status, veja a folha de dados para detalhes. |


política de Privacidade
· Política de Privacidade
No momento não há conteúdo disponível
E-mail: sales@nicerf.com
Tel:+86-755-23080616