Modelo: GPS
Certificação: Outras
Tamanho (mm):9,9*10,1
O GPS01 é um módulo GPS compatível com navegação bimodal de ponto de frequência BDS B1/GPS L1/GLONASS L1 (dois de três). Ele oferece soluções de posicionamento e navegação de alta sensibilidade, alta precisão de posicionamento, baixo consumo de energia e baixo custo para a fabricação de produtos terminais de navegação e posicionamento, como veículos, embarcações, dispositivos portáteis e vestíveis.
| Parâmetro | Descrição | Mínimo | Típico | Máximo | Unidade | Doença |
| Condições operacionais | ||||||
| Faixa de tensão de operação | VCC | 3.0 | 3.3 | 3,5 | V | |
| V_BCKP | 2,5 | 3.3 | 3,5 | V | ||
| Temperatura | Trabalhar | -40 | 85 | °C | ||
| Armazenar | -40 | 125 | °C | |||
| Consumo atual | ||||||
| Receber corrente | < 30 | mA | VCC=3,3 V, V_BCKP=3,3 V | |||
| Corrente do sono | < 20 | uA | VCC=0V, V_BCKP=3,3V | |||
| Parâmetros de radiofrequência | ||||||
| Precisão de posicionamento | Nível | < 3 | m | @Terra aberta | ||
| Elevação | < 4,5 | m | ||||
| Sensibilidade | capturar | -147 | dBm | |||
| acompanhar | -163 | dBm | ||||
| Ganho de antena externa | 30 | dB | ||||
| Precisão da medição de velocidade | < 0,1 | EM | ||||
| Primeira hora de correção TTFF | Partida a frio | < 28 | s | |||
| Partida a quente | 1 | s | ||||
| Recaptura | 1 | s | ||||
| Parâmetros da porta serial | ||||||
| Taxa de transmissão da porta serial | 4800 | 9600 | 230400 | bps | Padrão 9600bps | |
| Taxa de atualização de dados (sistema único) | BDS/GPS/GLONASS | 1 | Hz | |||
| Taxa de atualização de dados (sistema duplo) | BDS+GPS | 1 | Hz | |||
| BDS+GLONASS | 1 | Hz | ||||
| GPS+GLONASS | 1 | Hz | ||||
| Tipo | GPS |
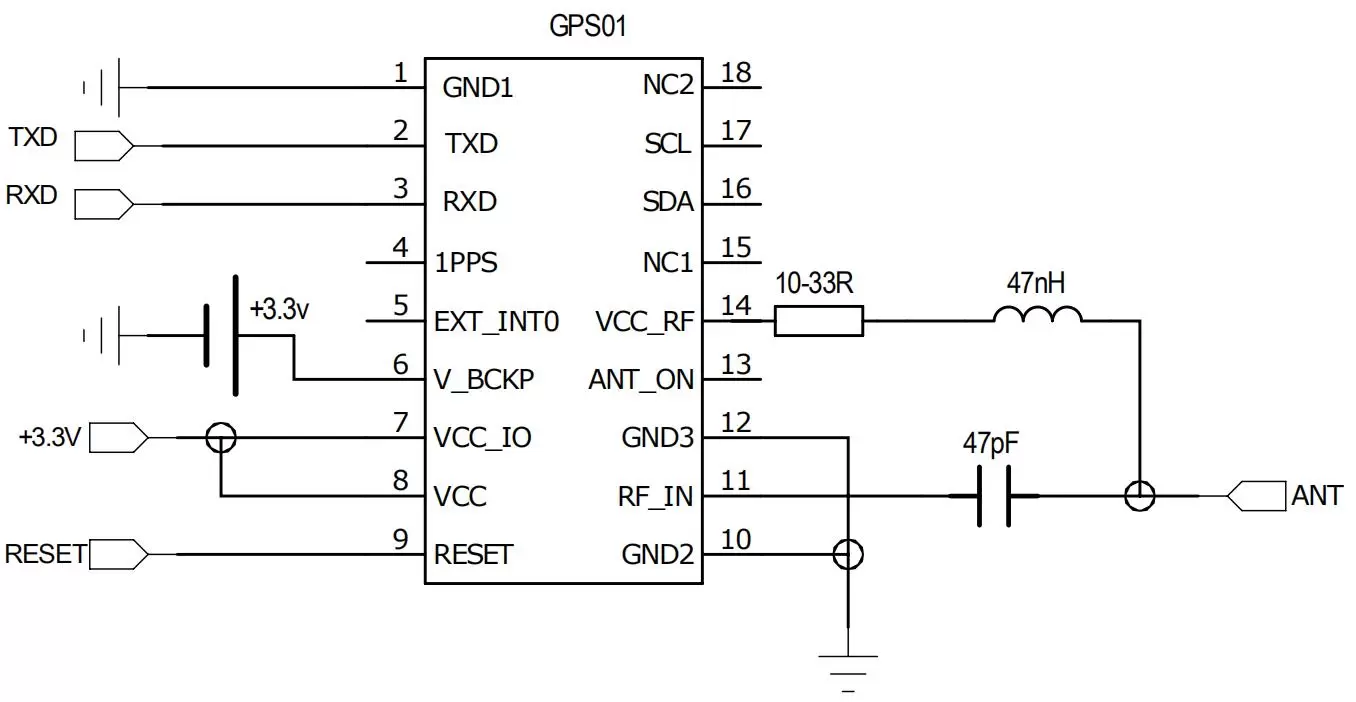
O método de conexão da antena ativa é o seguinte:

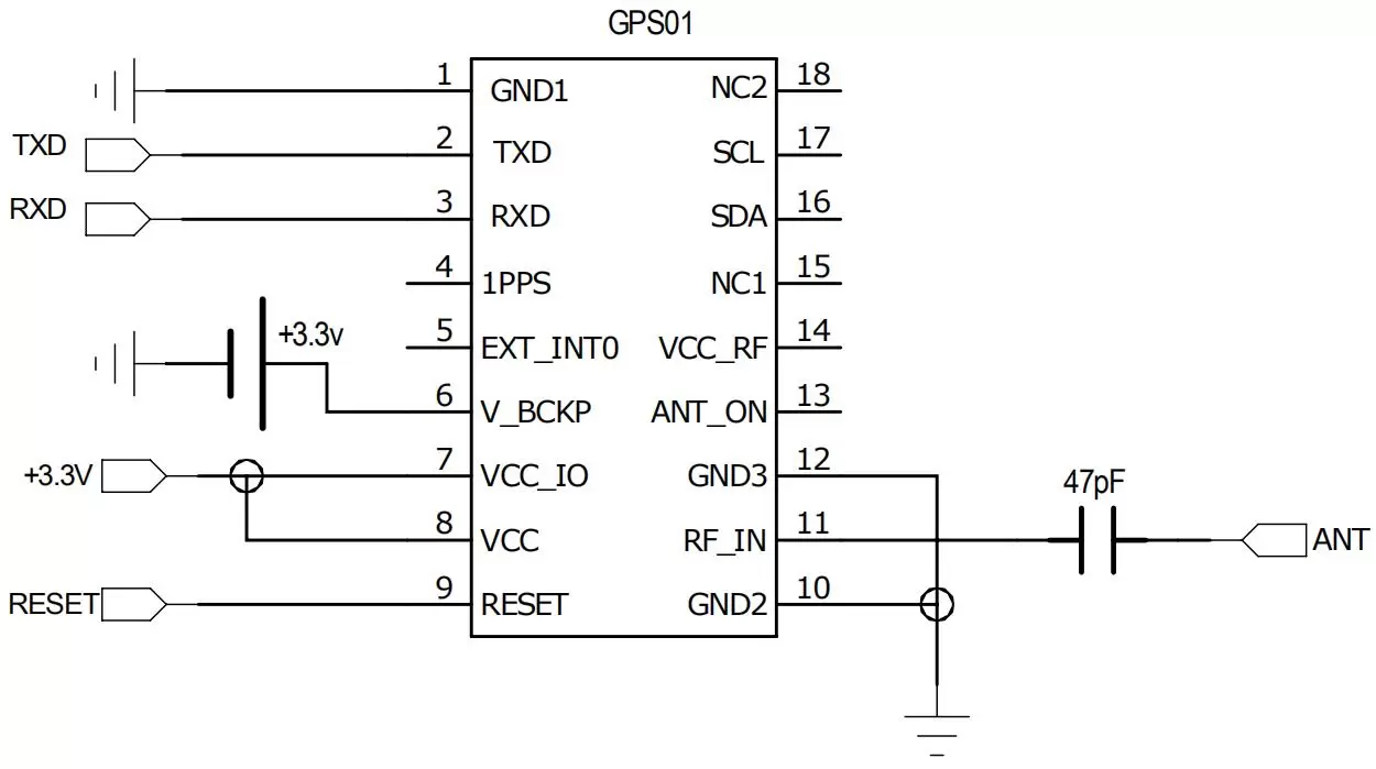
O método de conexão da antena passiva é o seguinte:



Número PIN | Definição de PIN | E/S | Nível padrão | Descrição |
1, 10, 12 | Terra | — |
| aterramento de energia |
2 | TXD | O | 0-3,5 V | Saída de dados, saída de status |
3 | RXD | EU | 0-3,5 V | Recepção de comando de controle |
4 | 1PPS | O | 0-3,5 V | Segunda saída de pulso |
5 | EXT_INT0 | EU | 0-3,5 V | porto reservado |
6 | V_BCKP | EU | 2,5-3,5 V | Entrada de energia de reserva |
7 | VCC_IO | — | 3,0-3,5 V | Entrada de energia IO |
8 | VCC | — | 3,0-3,5 V | Entrada de energia principal |
9 | nRESET | EU | 0-3,5 V | Reset externo, ativo baixo. O pino de reset não pode ser conectado ao capacitor de aterramento externo ao módulo. |
11 | RF_IN | EU |
| Entrada de antena |
13 | ANT_ON | O | 0-3,5 V | CI GPIO integrado, função reservada |
14 | VCC_RF | O | VCC | Saída de 3,3 V, a antena é alimentada pelo módulo e a corrente de trabalho da antena é recomendada para não exceder 20 mA |
15 e 18 | NC | — |
|
|
16 | SDA | E/S | 0-3,5 V | Sinal de dados da interface DDC de dois fios |
17 | SCL | EU | 0-3,5 V | Sinal de relógio da interface DDC de dois fios |

política de Privacidade
· Política de Privacidade
No momento não há conteúdo disponível
E-mail: sales@nicerf.com
Tel:+86-755-23080616