Modelo: GPS
Certificação: Outras
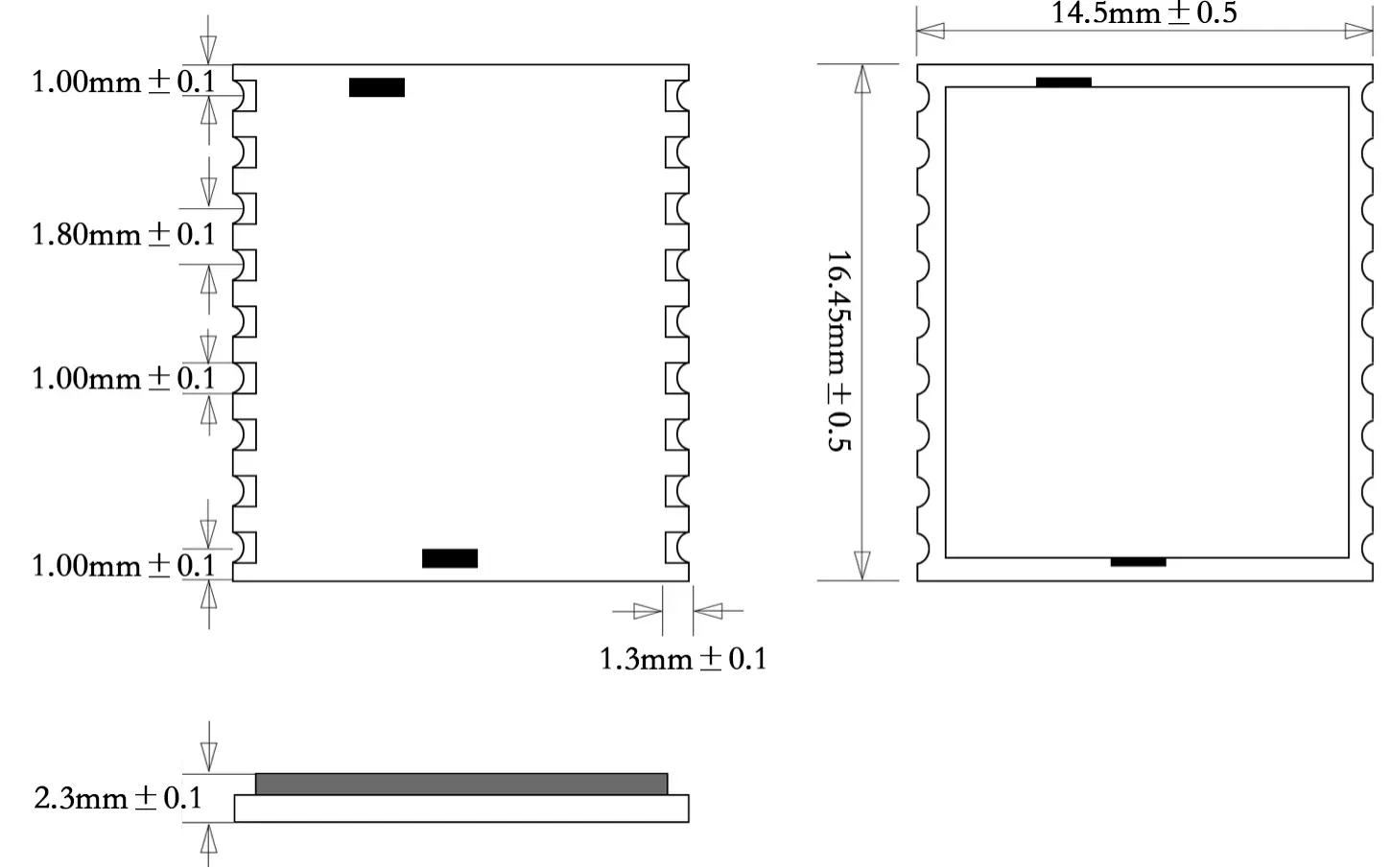
Tamanho (mm):9,9*10,1
O módulo GPS02-TD é um módulo GPS quad-mode que suporta BDS/GPS/GLONASS/Galileo/QZSS/SBAS e oferece suporte total ao BeiDou B3, o que pode fornecer aos usuários soluções de posicionamento e navegação de alta qualidade, anti-interferência e baixo consumo de energia.






| Parâmetro | Descrição | Mínimo | Típico | Máximo | Unidade | Doença |
| Condições operacionais | ||||||
| Faixa de tensão de operação | VCC | 3.0 | 3.3 | 3,5 | V | |
| V_BCKP | 2,5 | 3.3 | 3,5 | V | ||
| Temperatura | Trabalhando | -40 | 85 | °C | ||
| Armazenar | -40 | 125 | °C | |||
| Consumo atual | ||||||
| Receber corrente | < 35 | mA | @Modo duplo VCC=3,3V, V_BCKP=3,3V | |||
| Corrente do sono | < 25 | uA | VCC=0V, V_BCKP=3,3V | |||
| Parâmetros de radiofrequência | ||||||
| Precisão de posicionamento | Nível | < 3 | m | @Terra aberta | ||
| Elevação | < 4,5 | m | ||||
| Precisão da medição de velocidade | <0,1 | m | ||||
| Sensibilidade | capturar | -147 | dBm | |||
| acompanhar | -163 | dBm | ||||
| Ganho de antena externa | 30 | dB | ||||
| Precisão da medição de velocidade | < 0,1 | EM | ||||
| Hora da primeira correção (TTFF) | Partida a frio | < 28 | s | |||
| Partida a quente | 1 | s | ||||
| Recaptura | 1 | s | ||||
| Parâmetros da porta serial | ||||||
| Taxa de transmissão serial | 4800 | 115200 | 230400 | bps | ||
| Taxa de atualização de dados (modo único) | BDS/GPS/GLONASS/Galileu | 1 | 20 | Hz | Padrão 1 Hz | |
| Taxa de atualização de dados (modo duplo) | BDS+GPS | 1 | 10 | Hz | ||
| BDS+GLONASS | 1 | 10 | Hz | |||
| BDS+Galileu | 1 | 10 | Hz | |||
| GPS+GLONASS | 1 | 10 | Hz | |||
| GPS+Galileu | 1 | 10 | Hz | |||
| GLONASS+Galileu | 1 | 10 | Hz | |||
| Taxa de atualização de dados (modo triplo) | BDS+GPS+GLONASS | 1 | 10 | Hz | ||
| BDS+GPS+Galileu | 1 | 10 | Hz | |||
| Taxa de atualização de dados (modo quádruplo) | BDS+GPS+GLONASS+Galileo | 1 | 10 | Hz | ||
| Tipo | GPS |
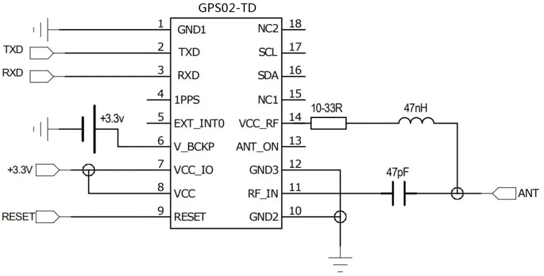
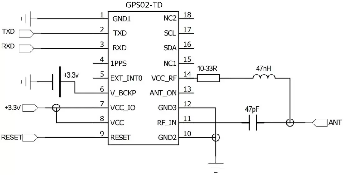
O método de conexão da antena ativa é o seguinte:

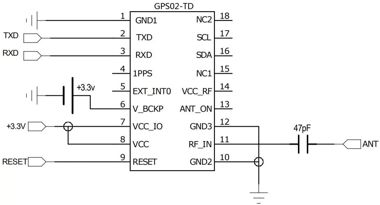
O método de conexão da antena passiva é o seguinte:


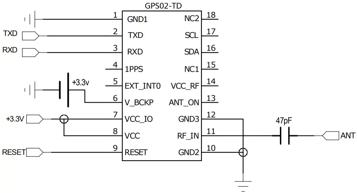
| Número PIN | Definição de PIN | E/S | Nível padrão | Descrição |
| 1, 3, 10 | Terra | — | aterramento de energia | |
| 2 | RF_IN | EU | Entrada de antena | |
| 4 e 6 | NC | — | ||
| 5 | VCC_RF | O | VCC | Saída de 3,3 V, alimentada pela antena ou LNA, não excedendo 20 mA |
| 7 | SDA | E/S | 0-3,5 V | Interface I2C |
| 8 | SCL | EU | 0-3,5 V | Interface I2C |
| 9 e 14 | PIO12,13 | O | 0-3,5 V | Porto reservado |
| 11 | TXD | O | 0-3,5 V | Interface serial |
| 12 | RXD | EU | 0-3,5 V | Interface serial |
| 13 | 1PPS | O | 0-3,5 V | 1 saída de pulso por segundo |
| 15 | V_BCKP | EU | 2,5-3,5 V | Entrada de energia de reserva |
| 16 | VCC_IO | — | 3,0-3,5 V | Entrada de energia IO |
| 17 | VCC | — | 3,0-3,5 V | Entrada de energia principal |
| 18 | nRESET | EU | 0-3,5 V | Reset externo, ativo baixo. Não pode ser conectado ao terra através do capacitor. |

política de Privacidade
· Política de Privacidade
No momento não há conteúdo disponível
E-mail: sales@nicerf.com
Tel:+86-755-23080616