Certificação: Outras
Modulação: LoRa
Lasca: LR1120
Interface: SPI
Potência de saída: 160mW
Frequência: 433MHz,470MHz,490MHz,868MHz,915MHz,2,4 GHz,1,9G
Tamanho (mm):19,72*15
O módulo LoRa1121F33-2G4 é construído no chip LR1121 da SEMTECH, um transceptor LoRa de ultrabaixo consumo e longo alcance com suporte para as bandas Sub-GHz e 2,4G. Suporta LoRa, modulação (G)FSK, protocolo Sigfox e LR-FHSS. É compatível com o protocolo de comunicação LoRaWAN e pode funcionar como um nó LoRaWAN. Além disso, oferece opções de configuração flexíveis para atender aos requisitos de diversas aplicações e protocolos proprietários.
Parâmetros | Condição de teste | Mín. | Tipo. | Máx. | Unidade |
Faixa de tensão | 3.0 | 5 | 5.5 | V | |
Temperatura de operação | - 4 0 | 25 | 85 | °C | |
Sinal de entrada máximo | 10 | dBm | |||
Consumo atual | |||||
Transmitir corrente | 433 MHz, 5 V, 2 W | < 900 | mA | ||
@2,4 GHz, 5 V, 1 W, Potência de Transmissão = 5 | < 1200 | mA | |||
Receber corrente | @ Sub -G | < 8 | mA | ||
@2,4G | < 24 | 29 | mA | ||
Corrente do Sono | < 20 | uA | |||
Parâmetros de RF | |||||
Faixa de frequência | @433MHz | 400 | 470 | MHz | |
@470MHz | 470 | 510 | MHz | ||
@868MHz | 850 | 890 | MHz | ||
@915MHz | 900 | 940 | MHz | ||
Potência de transmissão | @sub-GHz | 18 | 33 | dBm | |
@Bandas 2.4G | 22 | 30 | dBm | ||
Sensibilidade de recepção | BW=62,5 kHz, SF=12 @ Sub -GHz | -142 | dBm | ||
BW=406KHz,SF=7 @Bandas 2.4G | -129 | dBm | |||
Erro de frequência | 0,5 | ppm | |||
Taxa de modulação (@sub-GHz) | @LoRa | 0,091 | 62,5 | Kbps | |
@FSK | 0,6 | 300 | Kbps | ||
Taxa de modulação (@ bandas 2.4G ) | @LoRa | 0,476 | 101,5 | Kbps | |
Bandas Sub-GHz: 433/470/MHz 2W
Bandas Sub-GHz: 868/915MHz 1W (Personalizável: 150~960 MHz)
Bandas 2.4 G: 2400MHz~2500MHz 1W
Sensibilidade de 2,4 GHz: até -129 dBm@ BW=406 KHz, SF=7
Sensibilidade sub-GHz: até -144dBm @BW=62,5KHz,SF=12
Proteção Eletrostática (ESD)
Suporta LR-FHSS
Suporta protocolos LoRaWAN e Sigfox
Suporta criptografia e descriptografia AES-128
A transmissão sub-GHz excede 10 km em áreas abertas
Corrente de sono < 20µA
Tamanho pequeno, design de furo de carimbo
Drones
Irrigação remota
Casa inteligente/Agricultura inteligente
Fabricação industrial


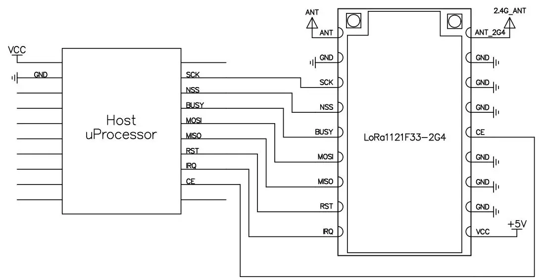
Pino Nº. | Nome do PIN | E/S | Nível IO | Descrição |
1 | VCC | Conecte à fonte de alimentação positiva | ||
2,3,4,6,7,8,11 | Terra | Conecte à fonte de alimentação negativa | ||
5 | CE | EU | 0-5,5 V | Pino de controle de habilitação LDO interno , puxe para cima ou deixe flutuando para operar, conecte ao aterramento para o modo de espera. Puxe para cima internamente |
9 | ANT_ 2 G 4 | Interface de antena de 2,4 GHz , antena externa de 50Ω | ||
10 | FORMIGA | Interface de antena Sub-G, antena externa de 50Ω | ||
12 | SCK | EU | 0-3,3 V | Entrada de relógio SPI |
13 | NSS | EU | 0-3,3 V | Entrada de seleção de chip SPI |
14 | OCUPADO | O | 0-3,3 V | Usado para indicação de status, consulte a folha de dados do chip para obter detalhes |
15 | MOSI | EU | 0-3,3 V | Entrada de dados SPI |
16 | MISSÔ | O | 0-3,3 V | Saída de dados SPI |
17 | REINICIAR | EU | 0-3,3 V | Reinicie a entrada do gatilho, consulte a folha de dados do chip para obter detalhes |
18 | IRQ | O | 0-3,3 V | Interface digital multifuncional, consulte a folha de dados do chip para obter detalhes |

política de Privacidade
· Política de Privacidade
No momento não há conteúdo disponível
E-mail: sales@nicerf.com
Tel:+86-755-23080616