Modelo: Áudio sem fio
Certificação: Outras
Potência de saída: 1W
Tamanho (mm):39,3 mm x 24 mm
O SA618F30-FD é um módulo de transmissão de dados full-duplex de 8 canais, altamente integrado, econômico e de alta potência. Ele possui um microcontrolador de alta velocidade integrado, um chip transceptor de RF de alto desempenho e um amplificador de potência de RF. O módulo oferece uma porta serial padrão para comunicação, permitindo a configuração fácil e rápida de parâmetros e o controle das funções de transmissão/recepção. Os usuários podem realizar a transmissão de dados simplesmente conectando o módulo à porta serial. Seu tamanho ultracompacto permite integração fácil e rápida em diversos dispositivos portáteis, aprimorando o desempenho geral dos produtos terminais, tornando este módulo amplamente aplicável.
O SA618F30-FD é um módulo de comunicação de dados sem fio full-duplex de 8 vias que permite a transmissão simultânea de até 8 transmissores sem interferência entre si. Ele foi projetado para cenários em que múltiplos transmissores operam simultaneamente em ambientes complexos, minimizando a probabilidade de retransmissões e reduzindo significativamente a interferência e as chances de sofrer interferência. A combinação da modulação LoRa com potência de saída de 1 W, juntamente com seu design de baixo consumo para os modos de recepção e repouso, o torna ideal para aplicações de IoT sem fio de longa distância.
Parâmetro | Condições de teste | Mínimo | Tipo | Máx. | Unidade |
Tensão de operação | 3.3 | 4.2 | 5.5 | V | |
temperatura de trabalho | -30 | 25 | 70 | °C | |
Consumo atual | |||||
Corrente do sono | 10 | 20 | uA | ||
Receber corrente | 50 | 55 | mA | ||
Transmitir corrente (alta potência) | 4v, a 30dBm | 450 | 500 | mA | |
Parâmetro RF | |||||
Frequência de operação | UHF | 410 | 490 | MHz | |
Frequência personalizável | 150 | 960 | MHz | ||
Frequência de envio padrão | UHF (intervalo de 1 MHz) | 440.125 | 455.125 | MHz | |
Transmitir potência | @5V | 16 | 32 | dBm | |
Largura de banda ( BW) | 500 | KHz | |||
Sensibilidade de recepção | -117 | dBm | |||
Parâmetros de transmissão de dados | |||||
Comprimento máximo do pacote | 20 | Byte | |||
Parâmetros de latência | 8 canais | 50 | EM | ||
Banda de frequência 410~480MHz (personalizável 150-960 MHz)
Até 8 dispositivos podem transmitir simultaneamente (sem limite de recepção)
Mudanças dinâmicas de 8 vias
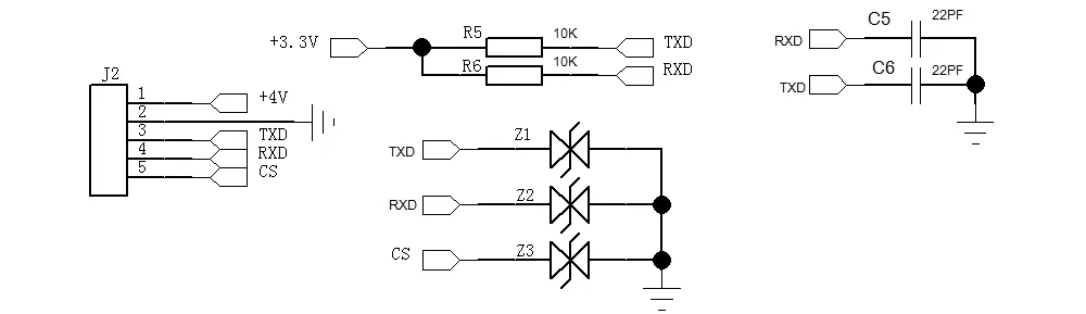
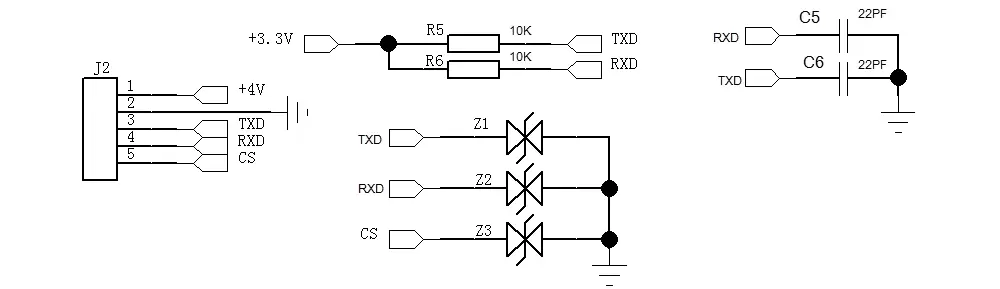
Suporte OTA e atualização serial
Distância de transmissão de 3-4 km em área aberta
Alta sensibilidade de recepção: -117 dBm
Tamanho compacto e altamente integrado
Carro AGV
Sistema de guindaste de torre
Aplicações de transmissão de dados full-duplex multicanal



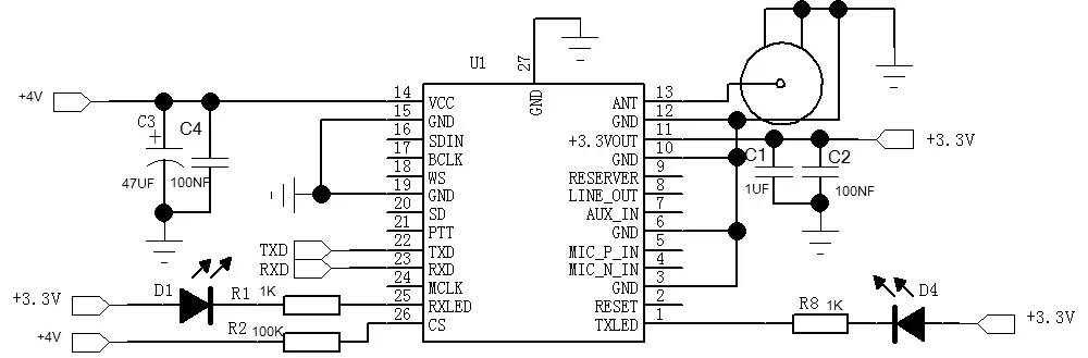
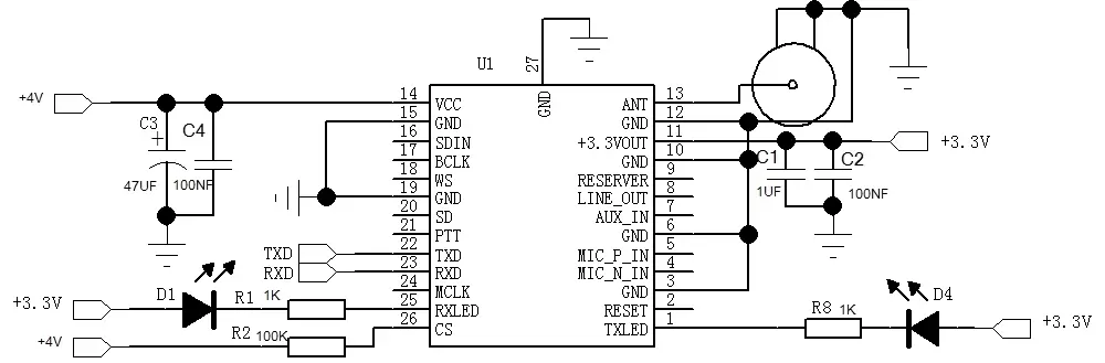
Pino Nº. | Nome do PIN | E/S | Descrição |
1 | TXLED | O | Indicador de transmissão, conectado com led externo, ligar por saída de baixo nível quando os dados estão sendo transmitidos, (sugira resistor de 1K ohm para limitação de corrente) |
2 | REINICIAR | EU | Pino de reinicialização do módulo: Puxando-o para baixo por mais de 5 ms irão reiniciar o módulo |
3,6,10,12,15,19 | Terra | Conecte ao aterramento da fonte de alimentação | |
4 , 5 , 7 , 8 | NC | ||
9 | RESERVADO | Pino de teste do módulo: deixe desconectado (flutuante) para usuários | |
11 | +3,3VOUT | Saída de 3,3 V, capaz de acionar uma carga externa de até 50mA | |
13 | FORMIGA | Saída de sinal RF, conecte a uma antena de 50 ohms | |
14 | VCC | Conecte à fonte de alimentação positiva (externo 3,3 V a 5,5 V) | |
16,17,18,20,21 | NC | ||
22 | TXD | O | Pino de transmissão da porta serial do módulo (tensão 0-3,3 V) |
23 | RXD | EU | Pino de recepção da porta serial do módulo (tensão 0-3,3 V) |
24 | NC | ||
25 | LED RX | O | Luz indicadora de recepção externa: acende em nível baixo, saída normal de alto nível (requer um externo resistor limitador de corrente de aproximadamente 1K ohms) |
26 | CS | EU | Pino de suspensão do módulo: nível alto para operação, nível baixo para sono. Puxado internamente, o padrão é nível alto . |

política de Privacidade
· Política de Privacidade
No momento não há conteúdo disponível
E-mail: sales@nicerf.com
Tel:+86-755-23080616