Modelo: Áudio sem fio
Certificação: Outras
Potência de saída: 1W
Tamanho (mm):39,3 mm x 24 mm
O SA618F30-C1 é um módulo de intercomunicação full-duplex aprimorado, econômico, de alta integração e alta potência da NiceRF. Ele possui um microcontrolador de alta velocidade integrado, codec de áudio, circuito de cancelamento de eco, proteção contra descarga eletrostática, chip de RF de alto desempenho e amplificador. O módulo oferece uma porta serial padrão para comunicação, permitindo aos usuários configurar parâmetros e controlar funções de transmissão e recepção com facilidade. Ao conectar um amplificador de áudio, microfone e alto-falante, ele pode funcionar como um intercomunicador compacto. Sua interface simplificada e tamanho ultracompacto o tornam adequado para diversas aplicações, permitindo integração perfeita com dispositivos portáteis para aprimorar o desempenho geral dos produtos terminais.
O módulo de intercomunicação full-duplex SA618F30-C1 suporta 8 usuários para chamadas simultâneas de alta qualidade, com funcionalidade simultânea de 8 canais com recepção ilimitada, garantindo que cada usuário desfrute de uma excelente experiência de áudio. A qualidade de áudio durante o uso simultâneo de 8 canais é muito superior à de outros produtos similares.
O SA618F30-C1 é produzido e testado usando processos sem chumbo, em conformidade com os padrões RoHS e REACH.
Parâmetro | Condições de teste | Mín. | Tipo. | Máx. | Unidade |
Tensão de operação | 3.3 | 4.2 | 5.5 | V | |
temperatura de trabalho | -30 | 25 | 70 | °C | |
Consumo atual | |||||
Corrente do sono | 10 | 20 | uA | ||
Corrente RX | @ Sem saída de áudio | 50 | 55 | mA | |
Corrente TX | 4v, a 30dBm | 16 0 | mA | ||
Parâmetro RF | |||||
Frequência de operação | UHF | 410 | 480 | MHz | |
Frequência personalizável | 150 | 960 | MHz | ||
Frequência de envio padrão | UHF (intervalo de 1 MHz) | 440.125 | 455.125 | MHz | |
Transmitir potência | @5V | 16 | 32 | dBm | |
Largura de banda ( BW) | 500 | KHz | |||
Sensibilidade de recepção | -117 | dBm | |||
Parâmetros de áudio | |||||
Sensibilidade de modulação | 10 | 100 | mV | ||
Relação sinal-ruído (SNR) de recepção | 90 | dB | |||
Resposta de frequência | 60 | 3800 | Hz | ||
Saída de áudio ( saída de linha) | Carga 16 Ω | 40 | mW | ||
8 canais | 160 | 20 0 | 240 | EM | |
Características
Alta integração e tamanho pequeno
Aplicações
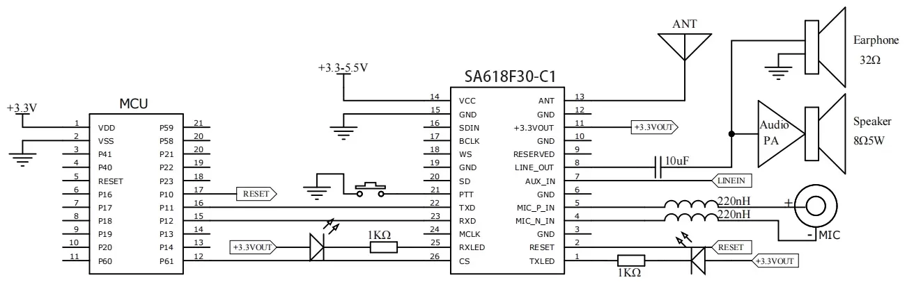
Circuito de aplicação de entrada e saída analógica

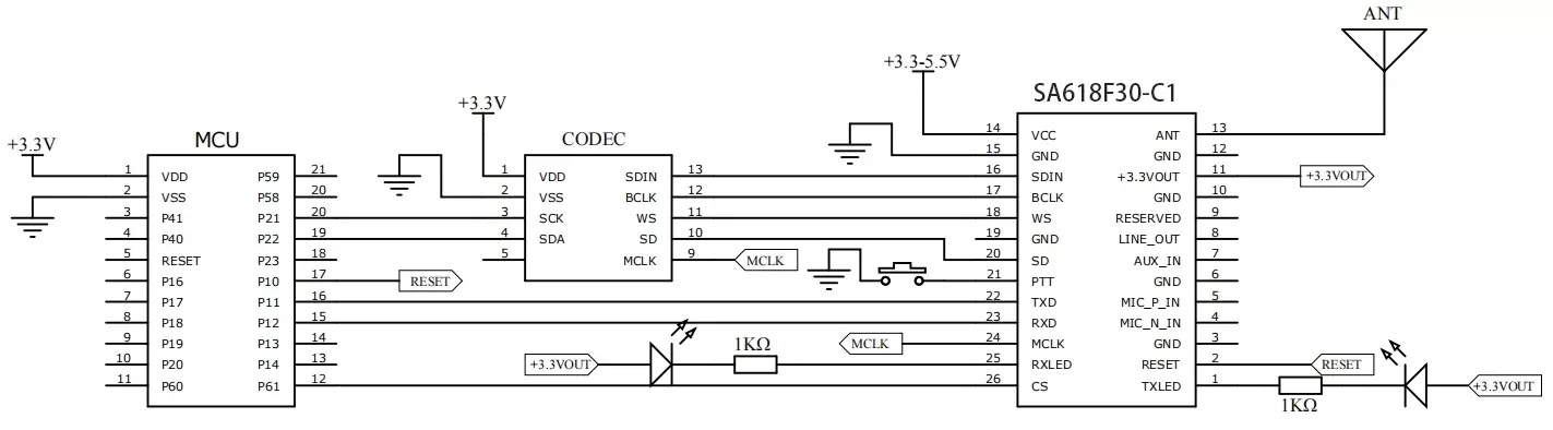
Circuito de aplicação de entrada e saída I2S


Pino Nº. | Nome do PIN | E/S | Descrição |
1 | TXLED | O | Indicador de transmissão, conectado com LED externo, ligado por saída de baixo nível quando dados ou voz estão sendo transmitidos (sugiro resistor de 1K ohm para limitação de corrente) |
2 | RST | EU | Pino de reinicialização do módulo, puxe para baixo externamente por mais de 5 ms para reinicializar o módulo |
3, 6, 10, 12,15,19 | Terra | Chão | |
4 | MIC_N_IN | EU | Eletrodo negativo do microfone externo, conectado em série com indutância de 220 nH, consulte o circuito típico abaixo. |
5 | MIC_P_IN | EU | Eletrodo positivo do microfone externo, conectado em série com indutância de 220 nH, consulte o circuito típico abaixo. |
7 | Auxinas | EU | Sinal de entrada de áudio externo, máximo 1 VRMS |
8 | SAÍDA DE LINHA | O | Fones de ouvido externos de 16 ohms podem ser conectados, exigindo um circuito de filtro passa-baixa LC adicional para eliminar a interferência de RF. Consulte o circuito típico. |
9 | Reservado | Os pinos de teste do módulo devem ser deixados desconectados pelo usuário. | |
11 | Saída +3,3 V | O | Saída reguladora de 3,3 V, carga máxima de 50 mA |
13 | FORMIGA | Conectado com antena de 50ohm | |
14 | VCC | Fonte de alimentação (3,3 – 5,5 V) | |
16 | SDIN | EU | Conectado com dispositivo I2S externo, (0 – 3,3 V) |
17 | BCLK | O | |
18 | WS | O | |
20 | SD | O | |
21 | PTT | EU | o pino de transmissão do módulo é puxado para baixo para entrar no modo de transmissão, com um resistor pull-up interno, assumindo como padrão uma saída de alto nível |
22 | TXD | O | Pino de transmissão serial (tensão 0-3,3 V) |
23 | RXD | EU | Pino de recepção serial (tensão 0-3,3 V) |
24 | MCLK | O | Conectado com dispositivo I2S externo (0-3,3 V) |
25 | LED RX | O | Indicador de recepção, conectado com LED externo, acende pela saída de baixo nível quando dados ou voz são recebidos (sugiro resistor de 1K ohm para limitação de corrente) |
26 | CS | EU | O pino de suspensão do módulo opera em nível alto para funcionamento normal e em nível baixo para o modo de suspensão. Possui um resistor pull-up interno, com padrão de nível alto. |

política de Privacidade
· Política de Privacidade
No momento não há conteúdo disponível
E-mail: sales@nicerf.com
Tel:+86-755-23080616