Interface: IO,Uart
Canal: 1 canal
Comunicação: Mão Única
Distância aberta (km): 4~5
Tamanho (mm):49,5*32,2(TX) 82*45(RX)
Os parâmetros elétricos do módulo SK200-TX são os seguintes:
| Modelo | SK200-TX-100mW |
| Transmitir potência | 20dBm |
| Tensão de trabalho (faixa) | 5 V (3,3 V ~ 6,5 V) |
| Corrente do sono | 200uA |
| Corrente quiescente | 15mA |
| Corrente de emissão | 130mA |
| Tamanho (mm) | 49,5*32,2*3,2 |
| Faixa de temperatura de trabalho | -40℃~85℃ |
Os parâmetros elétricos do módulo SK200-RX são os seguintes:
| Parâmetro | O menor | Típico | Maior | Unidade | Doença |
| Condições de operação | |||||
| Faixa de tensão de trabalho | 5 | 12 | 30 | V | |
| Carga de relé | < 10 | UM | @220V | ||
| Parâmetro de radiofrequência | |||||
| Receber corrente | < 10 | mA | @12V | ||
| Sensibilidade de recepção | -132 | dBm | |||
| Interface | E/S, Uart |
| Canal | 1 canal |
| Comunicação | Mão Única |
| Distância aberta (km) | 9~10 |
A descrição da interface do módulo receptor SK200-RX é mostrada na figura a seguir:

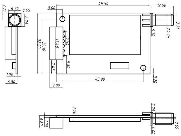
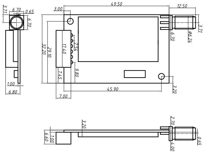
A descrição da interface do módulo transmissor SK200PRO-TX é mostrada na figura a seguir:
SK200-TX-100mW:

| Definição de PIN | Descrição |
| VCC | Conecte ao pólo positivo |
| Terra | Chão |
| TXD | Para configuração de parâmetros do modo |
| RXD | Para configuração de parâmetros do modo |
| DEFINIR | Habilitar parâmetro de configuração (configuração de parâmetro de habilitação de baixo nível, saída de alto nível padrão) |
| CS | Pino de entrada do sinal do switch (com pull-up interno) |
Módulo transmissor
SK200PRO-TX-100mW

Módulo receptor SK200-RX

política de Privacidade
· Política de Privacidade
No momento não há conteúdo disponível
E-mail: sales@nicerf.com
Tel:+86-755-23080616