Certificação: Outras
Modulação: LoRa
Interface: TTL
Potência de saída: 1W
Frequência: 410~490MHz
Rede: Outras
Tamanho (mm):39,3*24
O SA618F22-C1 é um módulo de transmissão digital e de áudio sem fio full-duplex atualizado da nossa empresa, com latência reduzida e suporte a chamadas de alta qualidade para até 8 usuários simultaneamente. Os usuários podem transmitir dados sem fio via porta serial e transmitir sinais de voz por microfone, entrada de linha ou I2S. O módulo é equipado com um microcontrolador de alta velocidade, circuito de cancelamento de eco, proteção contra descarga eletrostática, um chip de RF de alto desempenho e um amplificador, utilizando tecnologia de espectro espalhado de banda larga, resultando em baixo consumo de energia, recursos de longo alcance e ajuste de frequência flexível. O SA618F22-C1 suporta recepção simultânea multicanal e retransmissão em uma rede Mesh.
O SA618F22-C1 permite comunicação full-duplex via porta serial e oferece transmissão de dados sem fio com recursos de rede Mesh. Ele suporta atualizações over-the-air (OTA) ou atualizações de porta serial, permitindo que os usuários definam facilmente parâmetros internos e controlem suas funções de transmissão pela porta serial. O SA618F22-C1 é equipado com watchdogs de hardware e software para evitar travamentos do sistema e inclui proteção contra polaridade reversa, circuitos de proteção contra sobrecorrente e sobretensão, garantindo que o dispositivo opere com segurança e estabilidade em diversos ambientes. O SA618F22-C1 é fabricado e testado usando rigorosos processos sem chumbo, em conformidade com os padrões RoHS e REACH, e é certificado pela CE e FCC.
Parâmetros | Doença | Mín. | Tipo. | Máx. | Unidade |
Fonte de energia | 2.3 | 3.3 | 3.6 | V | |
Temperatura de trabalho | -30 | 25 | 70 | °C | |
Consumo atual | |||||
Corrente do sono | 12 | uA | |||
Corrente RX | @sem saída de voz | 50 | mA | ||
Corrente TX (alta potência) | @22dBm Média | 60 | mA | ||
Parâmetros de RF | |||||
Frequência de operação | UHF | 420 | 510 | MHz | |
Frequência personalizável | 150 | 960 | MHz | ||
Frequência de envio padrão | UHF (intervalo de 1 MHz) | 440.125 | 455.125 | MHz | |
Transmitir potência | Padrão | 0 | 22 | dBm | |
Segundo Harmônico | -40 | dBm | |||
Largura de banda ( BW) | 500 | KHz | |||
Sensibilidade de recepção | -117 | dBm | |||
Parâmetros de áudio | |||||
Sensibilidade de modulação | 10 | 100 | mV | ||
Relação sinal-ruído (SNR) de recepção | 90 | dB | |||
Resposta de frequência | 60 | 3800 | Hz | ||
Saída de voz ( saída de linha) | Carga 16 Ω | 40 | mW | ||
Parâmetros de atraso | 8 canais | 160 | 200 | 240 | EM |
Banda de frequência UHF 420-510 MHz (personalizável 150-960 MHz)
Até 8 dispositivos transmitem simultaneamente (recebem ilimitado)
Função de cancelamento de eco
Função VOX
Alta integração e tamanho compacto
Baixo consumo de energia no modo de espera
Distância de transmissão de 1-3 km em área aberta
Suporta de 2 a 8 pessoas em chamadas simultâneas de alta qualidade
Latência de chamada mais curta
Áudio digital I2S + áudio analógico
Entrada de linha + entrada de microfone
Transmissão de dados full-duplex
Rede mesh
Suporte OTA e atualização serial
Alta sensibilidade de recepção: -117 dBm
Comunicação de emergência de incêndio
Metro, comunicação em túnel
Sistema de intercomunicação para equitação
Walkie talkie full duplex de alta qualidade
Sistema telefônico de conferência
Construindo um sistema de segurança comunitária
Sistema de intercomunicação de segurança para cenários especiais
Fone de ouvido walkie talkie
Walkie talkie para atribuição de trabalho especial
Circuito de aplicação de entrada e saída analógica (amplificador de áudio integrado)

Circuito de aplicação de entrada e saída analógica (amplificador de áudio externo)

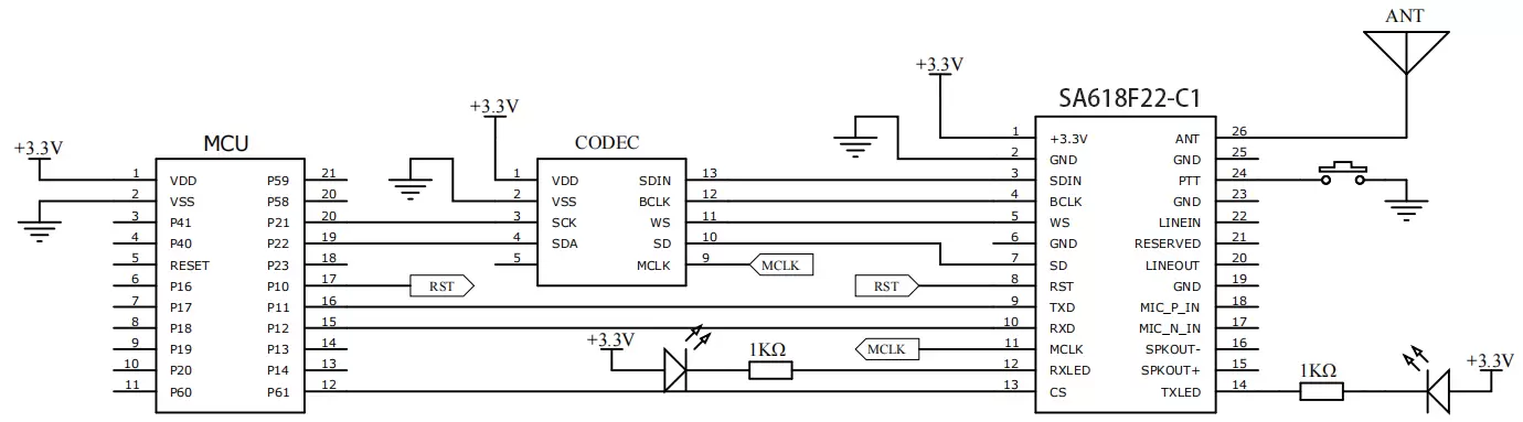
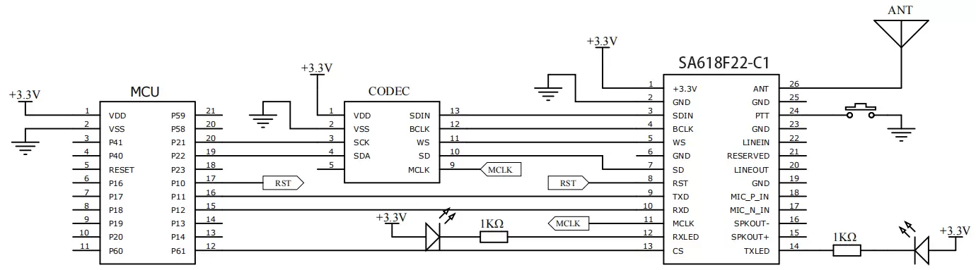
Circuito de aplicação de entrada e saída IIS


Pino Nº. | Nome do PIN | E/S | Descrição |
1 | +3,3 V | Conecte ao positivo de energia (2,3-3,6 V) | |
2,6,19,23,25 | Terra | Conecte ao negativo de energia | |
3 | SDIN | EU | I2S externo (0-3,3 V) |
4 | BCLK | O | I2S externo (0-3,3 V) |
5 | WS | O | I2S externo (0-3,3 V) |
7 | SD | O | I2S externo (0-3,3 V) |
8 | RST | EU | Pino de reinicialização do módulo, puxe para baixo por mais de 5 ms para reinicializar o módulo |
9 | TXD | O | Pino de transmissão da porta serial do módulo |
10 | RXD | EU | Pino de recepção da porta serial do módulo |
11 | MCLK | O | I2S externo (0-3,3 V) |
12 | LED RX | O | Indicador de recepção, conectado com LED externo, acende pela saída de baixo nível quando dados ou voz são recebidos (sugiro resistor de 1K ohm para limitação de corrente) |
13 | CS | EU | Pino de suspensão do módulo, nível alto para operação e |
14 | TXLED | O | Indicador de transmissão, conectado com LED externo, ligado por saída de baixo nível quando dados ou voz estão sendo transmitidos (sugiro resistor de 1K ohm para limitação de corrente) |
15 | SPKOUT+ | O | Conexão externa de alto-falante de 8Ω 2W |
16 | SPKOUT- | O | Conexão externa de alto-falante de 8Ω 2W |
17 | MIC_N_IN | EU | Eletrodo negativo do microfone externo |
18 | MIC_P_IN | EU | Eletrodo positivo do microfone externo |
20 | SAÍDA DE LINHA | O | Conectado com fones de ouvido de 16 Ω |
21 | Reservado | Pino de teste do módulo, o usuário deve deixá-lo desconectado | |
22 | LINHA_ENTRADA | EU | Entrada de linha, máximo 1VRMS |
24 | PTT | EU | Pressione para falar, puxe para baixo para entrar no modo de transmissão, puxe para cima ou deixe aberto para entrar no modo de recepção, puxe para cima internamente, |
26 | FORMIGA | Conectado com antena de 50ohm |

política de Privacidade
· Política de Privacidade
No momento não há conteúdo disponível
E-mail: sales@nicerf.com
Tel:+86-755-23080616